电脑桌面
添加小米粒文库到电脑桌面
安装后可以在桌面快捷访问

通信光缆施工方案计划VIP免费

通信光缆施工方案计划_第1页
1/16
通信光缆施工方案计划_第2页
2/16
通信光缆施工方案计划_第3页
3/16
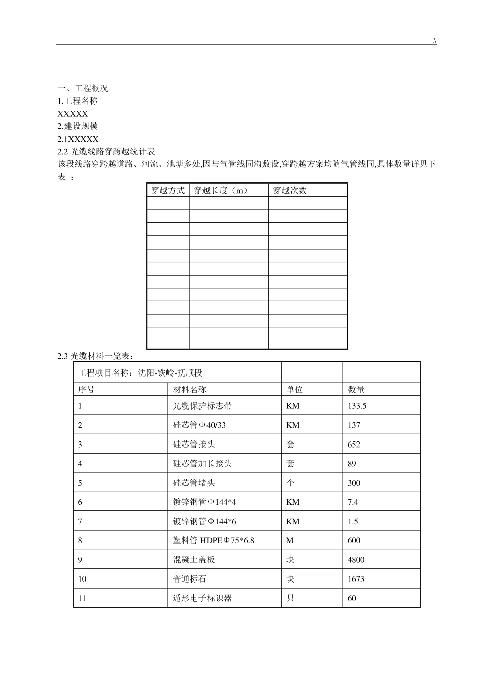
目 录 一、工程概况 1 二、编制依据 2 三、施工部署 2 四、光缆施工方案 2 五、光缆气流吹放施工方案 6 ●光缆路由复测 7 ●光缆配盘确认 8 ●气吹点的选择 8 ●光缆单盘检测 8 ●光缆的吹放 9 ●光缆接续 1 1 ●光缆中继段测试: 1 2 六、质量保证措施 1 2 七、安全保证措施 1 3 八、环境保护措施 1 4 .\ 一、工程概况 1.工程名称 XXXXX 2.建设规模 2.1XXXXX 2.2 光缆线路穿跨越统计表 该段线路穿跨越道路、河流、池塘多处,因与气管线同沟敷设,穿跨越方案均随气管线同,具体数量详见下表 : 穿越方式 穿越长度(m ) 穿越次数 2.3 光缆材料一览表: 工程项目名称:沈阳-铁岭-抚顺段 序号 材料名称 单位 数量 1 光缆保护标志带 KM 133.5 2 硅芯管Φ40/33 KM 137 3 硅芯管接头 套 652 4 硅芯管加长接头 套 89 5 硅芯管堵头 个 300 6 镀锌钢管Φ144*4 KM 7.4 7 镀锌钢管Φ144*6 KM 1.5 8 塑料管HDPEΦ75*6.8 M 600 9 混凝土盖板 块 4800 10 普通标石 块 1673 11 遁形电子标识器 只 60 .\ 12 普通电子标识器 只 73 13 光缆接头保护箱 台 133 14 光缆接头盒(24 芯) 只 60 3.建设地点 新民市、于洪区、沈北新区、铁岭市、抚顺市境内。 4.工程特点 4.1 施工工期紧、工农关系复杂。 4.2 施工跨越冬季,冬季施工难度大。 二、编制依据 ⑴设计蓝图。 ⑵GB50369-2006 《油气长输管道工程施工及验收规范》; ⑶SY/T 4108-2005 输油(气)管道同沟敷设光缆(硅芯管)设计、施工及验收规范 三、施工部署 1、防腐施工人员及设备配备计划 1.1 一个通讯施工队主要人员配备计划 序号 工种 人数 备 注 1 机组长 1 负责施工队全面管理工作。 2 技术员 1 负责施工队技术管理。 3 HSE 监督员 1 负责现场作业 HSE 管理。 4 材料员 1 负责施工队材料管理。 5 通信工 10 施工作业。 6 接续工 2 施工作业。 7 普工 20 配合施工 8 值班司机 4 合计 40 1.2 一个通讯机组主要设备配备计划 序号 设备名称 规格型号 单位 数量 备注 1 光缆接头、检测设备 套 1 合计 1 台/套 四、光缆施工方案 1、施工测量 施工测量工作包括: ⑴硅芯管路由的复测应以批准的施工图设计为依据。 ⑵核定硅芯管路由、长度、敷设位置、硅芯管接头点位置。 .\ ⑶核定硅芯管道穿越铁路、公路、河流...

1、当您付费下载文档后,您只拥有了使用权限,并不意味着购买了版权,文档只能用于自身使用,不得用于其他商业用途(如 [转卖]进行直接盈利或[编辑后售卖]进行间接盈利)。
2、本站所有内容均由合作方或网友上传,本站不对文档的完整性、权威性及其观点立场正确性做任何保证或承诺!文档内容仅供研究参考,付费前请自行鉴别。
3、如文档内容存在违规,或者侵犯商业秘密、侵犯著作权等,请点击“违规举报”。

碎片内容

通信光缆施工方案计划

确认删除?
VIP
微信客服
  • 扫码咨询
会员Q群
  • 会员专属群点击这里加入QQ群
客服邮箱
回到顶部