电脑桌面
添加小米粒文库到电脑桌面
安装后可以在桌面快捷访问

电机零部件的加工工艺VIP免费

电机零部件的加工工艺_第1页
1/9
电机零部件的加工工艺_第2页
2/9
电机零部件的加工工艺_第3页
3/9
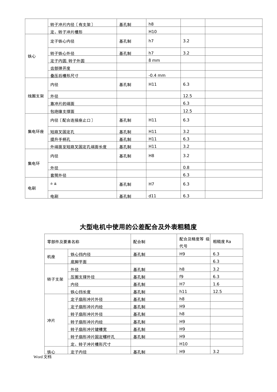
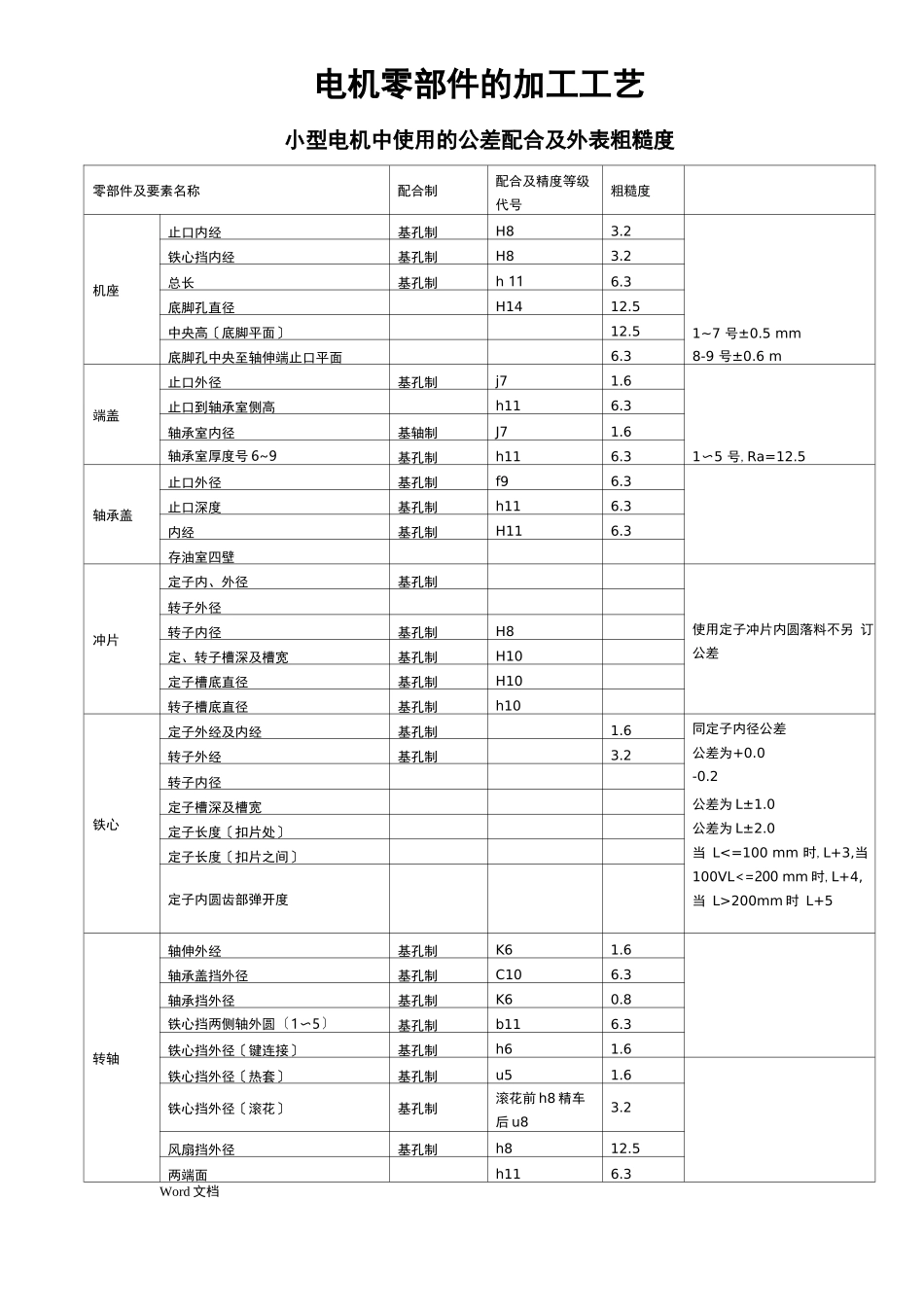
电机零部件的加工工艺小型电机中使用的公差配合及外表粗糙度零部件及要素名称配合制配合及精度等级 代号粗糙度机座止口内经基孔制H83.21~7 号±0.5 mm8-9 号±0.6 m铁心挡内经基孔制H83.2总长基孔制h 116.3底脚孔直径H1412.5中央高〔底脚平面〕12.5底脚孔中央至轴伸端止口平面6.3端盖止口外径基孔制j71.61〜5 号,Ra=12.5止口到轴承室侧高h116.3轴承室内径基轴制J71.6轴承室厚度号 6~9基孔制h116.3轴承盖止口外径基孔制f96.3止口深度基孔制h116.3内经基孔制H116.3存油室四壁冲片定子内、外径基孔制使用定子冲片内圆落料不另 订公差转子外径转子内径基孔制H8定、转子槽深及槽宽基孔制H10定子槽底直径基孔制H10转子槽底直径基孔制h10铁心定子外经及内经基孔制1.6同定子内径公差公差为+0.0-0.2公差为 L±1.0公差为 L±2.0当 L<=100 mm 时,L+3,当 100VL<=200 mm 时,L+4,当 L>200mm 时 L+5转子外经基孔制3.2转子内径定子槽深及槽宽定子长度〔扣片处〕定子长度〔扣片之间〕定子内圆齿部弹开度转轴轴伸外经基孔制K61.6轴承盖挡外径基孔制C106.3轴承挡外径基孔制K60.8铁心挡两侧轴外圆〔1〜5〕基孔制b116.3铁心挡外径〔键连接〕基孔制h61.6铁心挡外径〔热套〕基孔制u51.6铁心挡外径〔滚花〕基孔制滚花前 h8 精车 后 u83.2风扇挡外径基孔制h812.5两端面h116.3Word 文档轴伸长度H126.3轴承肩距离h111.6集电环挡外径基孔制f7定子压圈内径风扇内径基孔制H93.2公差为 D±1.0机座止口外径基孔制js63.2铁心挡内径基孔制H113.2总长基孔制h116.3底脚孔直径H1312.5中央高〔底脚平面〕12.5端盖止口内径基孔制H73.2止口端面到轴承室侧深度h116.3内径〔配轴承〕基轴制J71.6内径〔配轴承套〕基孔制H71.6轴承室厚度基孔制h116.3轴承套止口基孔制h71.6内径基轴制J71.6总长基孔制h116.3配轴承盖端面至固定到端盖上螺栓 孔端面的长度基孔制h116.3轴承盖止口外径基孔制f96.3止口深度基孔制h116.3内径基孔制H116.3存油室四壁转轴轴伸挡外径基孔制K60.8轴承盖挡外径基孔制b156.3轴承挡外径基孔制K60.8铁心挡外径〔配支架〕基孔制n61.6铁心挡外径〔配铁心〕基孔制f71.6集电环挡外径基孔制f71.6轴承挡之间长度基孔制h111.6出电缆孔6.3两轴端面12.5转子支架外径基孔制f73.2内径基孔制H73.2铁心挡长度基孔制H1112.5总长12.5定子压圈外径基孔制b1112.5转子压圈内径基孔制H116.3两端面6.3冲片定子冲片外径基孔制H9定子冲片内径基孔制h8转子冲片外径使用定子...

1、当您付费下载文档后,您只拥有了使用权限,并不意味着购买了版权,文档只能用于自身使用,不得用于其他商业用途(如 [转卖]进行直接盈利或[编辑后售卖]进行间接盈利)。
2、本站所有内容均由合作方或网友上传,本站不对文档的完整性、权威性及其观点立场正确性做任何保证或承诺!文档内容仅供研究参考,付费前请自行鉴别。
3、如文档内容存在违规,或者侵犯商业秘密、侵犯著作权等,请点击“违规举报”。

碎片内容

电机零部件的加工工艺

您可能关注的文档

精品文库+ 关注
实名认证
内容提供者

该用户很懒,什么也没介绍

确认删除?
VIP
微信客服
  • 扫码咨询
会员Q群
  • 会员专属群点击这里加入QQ群
客服邮箱
回到顶部