电脑桌面
添加小米粒文库到电脑桌面
安装后可以在桌面快捷访问

电缆敷设技术交底大全VIP免费

电缆敷设技术交底大全_第1页
1/7
电缆敷设技术交底大全_第2页
2/7
电缆敷设技术交底大全_第3页
3/7
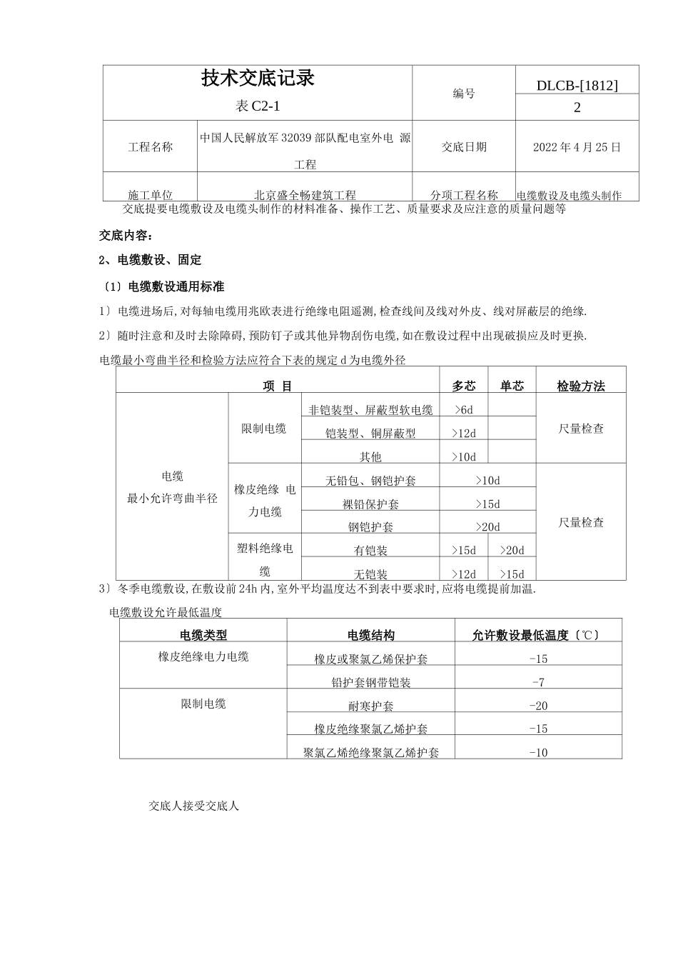
技术交底记录表 C2-1编号DLCB-[1812]1工程名称中国人民解放军 32039 部队配电室外电源工程交底日期2022 年 4 月 25 日施工单位北京盛全畅建筑工程分项工程名称电缆敷设及电缆头制作交底提要电缆敷设及电缆头制作的材料准备、操作工艺、质量要求及应注意的质量问题等交底内容:一、编制依据〔1〕参考北京电力公司配电网五统一技术标准〔2007 年版验收篇〕,如有变动以电力公司专工交底为准.〔2〕建筑施工及验收手册与其相关验收标准〔第五版〕〔3〕国家电网公司输变电工程〔2021 版标准工艺三〕〔4〕国家电网公司电力平安工作规程〔配电局部 2021 版〕二、施工准备1 .具备有效的施工图纸及相关的技术标准.2 .作业现场勘察完毕,已经了解现场实际情况及施工作业内容.3 .电力井及隧道建筑垃圾清理干净.4 .电力井、隧道无积水、渗漏水现象.5 .电缆地槽已安装完毕,是否有积水.6 .电缆管道已做完拉通试验,断面是否核对完成.7 .电缆桥架、电缆托盘、电缆支架及电缆过管、保护管如数安装完毕,并检验合格.8 .设备及材料进场运输通道平整畅通.9 .施工的工器具已经按工艺要求全部准备完毕.10 .相关的施工人员完成了入场教育具备进场.11 .特种作业人员证件齐全并在有效期内.12 .施工的各种作业票已经准备完毕并履行了审批手续〔工作票、有限限制申请单〕.三、施工方法1、工艺流程 电缆敷设、固定 f 终端头制作 f 封堵处理 f 挂标志牌、固定 f 电缆试验接受交底人交底人技术交底记录表 C2-1编号DLCB-[1812]2工程名称中国人民解放军 32039 部队配电室外电 源工程交底日期2022 年 4 月 25 日施工单位北京盛全畅建筑工程分项工程名称电缆敷设及电缆头制作交底提要电缆敷设及电缆头制作的材料准备、操作工艺、质量要求及应注意的质量问题等交底内容:2、电缆敷设、固定〔1〕电缆敷设通用标准1〕电缆进场后,对每轴电缆用兆欧表进行绝缘电阻遥测,检查线间及线对外皮、线对屏蔽层的绝缘.2〕随时注意和及时去除障碍,预防钉子或其他异物刮伤电缆,如在敷设过程中出现破损应及时更换.电缆最小弯曲半径和检验方法应符合下表的规定 d 为电缆外径项 目多芯单芯检验方法电缆最小允许弯曲半径限制电缆非铠装型、屏蔽型软电缆>6d尺量检查铠装型、铜屏蔽型>12d其他>10d橡皮绝缘 电力电缆无铅包、钢铠护套>10d尺量检查裸铅保护套>15d钢铠护套>20d塑料绝缘电 缆有铠装>15d>20d无铠装>12d>15d3〕冬季电缆敷设,在敷设前 24h 内,室外平...

1、当您付费下载文档后,您只拥有了使用权限,并不意味着购买了版权,文档只能用于自身使用,不得用于其他商业用途(如 [转卖]进行直接盈利或[编辑后售卖]进行间接盈利)。
2、本站所有内容均由合作方或网友上传,本站不对文档的完整性、权威性及其观点立场正确性做任何保证或承诺!文档内容仅供研究参考,付费前请自行鉴别。
3、如文档内容存在违规,或者侵犯商业秘密、侵犯著作权等,请点击“违规举报”。

碎片内容

电缆敷设技术交底大全

您可能关注的文档

确认删除?
VIP
微信客服
  • 扫码咨询
会员Q群
  • 会员专属群点击这里加入QQ群
客服邮箱
回到顶部