电脑桌面
添加小米粒文库到电脑桌面
安装后可以在桌面快捷访问

道路路面基层施工方案VIP免费

道路路面基层施工方案_第1页
1/12
道路路面基层施工方案_第2页
2/12
道路路面基层施工方案_第3页
3/12
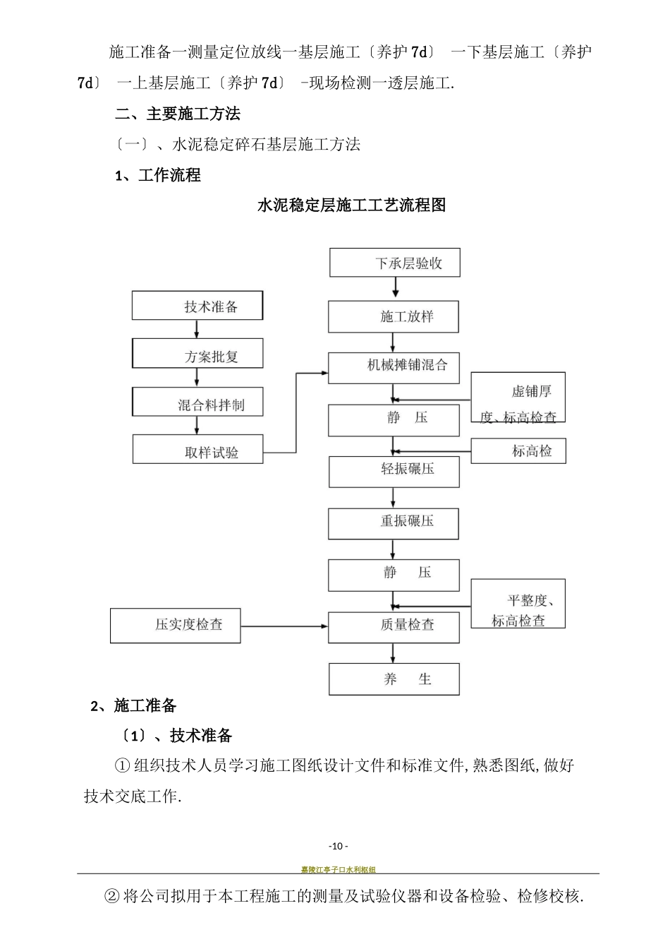
嘉陵江亭子口水利枢纽路面基层施工方案第一章:工程概况及特点1、工程总体概述2、施工组织安排〔1〕、机械设备进场施工机械提前 2 天进场.施工前进行调试和保养工作,以保证机械设备处于最正确状态.主要机械设备进场一览见下表:主要机械设备进场一览表机械名称型号数量备注自卸车东风/15T20 台正常振动压路机天工 YZ220/22T1 台正常振动压路机洛工 YZ220/22T1 台正常轮胎压路机徐工 30T1 台正常洒水车解放 1531 台正常摊铺机徐工 952 台正常装载机成工 951 台正常〔2〕、施工人员进场① 人员进场培训施工班组人员已齐备,随时可以进场开始施工施工人员在进场后,根 据工程具体情况和设计要求,针对质量通病和容易出现质量问题的步骤, 由工程施工治理人员、质量治理人员对班组现场治理人员进行施工技术交 底.班组质量负责人再对施工作业人员进行交底和培训.② 平安教育:组织全部施工作业人员参加由工程平安治理人员组织进-10 -嘉陵江亭子口水利枢纽行的施工平安教育.③ 安排专职电工负责供电线路的架设和维护,同时负责设备的日常检 测和维护工作.工种人数备注搅拌站/过磅房2/2摊铺机司机2测量员2施工班组长2清扫路面8车辆指挥员2压路机司机4辅助摊铺、养生等工人18〔3〕、材料进场① 集料水泥稳定级配碎石所用集料分为三类,1#料采用 10〜30mm 碎石,2# 料采用 10〜20mm 碎石,3#料采用 5〜10mm 碎石,4#料 0〜5mm 石屑. 各种材料在拌合站集中分仓堆放,地面采用硬化处理.现场可堆放各种集 料各 1000t,根据施工情况可在施工期间陆续进场,保证供给.② 水泥采用亚泰缓凝型 PC32.5 水泥,水泥罐可贮存 50t 水泥,根据需 要可随时运到现场.各种材料在使用前经试验室检测合格,并完成基层〔6%、5%、4%水泥 含量〕的配合比设计.第二章、主要施工方法一、施工流程-10 -嘉陵江亭子口水利枢纽施工准备一测量定位放线一基层施工〔养护 7d〕 一下基层施工〔养护7d〕 一上基层施工〔养护 7d〕 -现场检测一透层施工.二、主要施工方法〔一〕、水泥稳定碎石基层施工方法1、工作流程水泥稳定层施工工艺流程图2、施工准备〔1〕、技术准备① 组织技术人员学习施工图纸设计文件和标准文件,熟悉图纸,做好技术交底工作.-10 -嘉陵江亭子口水利枢纽② 将公司拟用于本工程施工的测量及试验仪器和设备检验、检修校核.③ 配合比提前申请有检测资质的检测单位进行配合比设计,将配合比 设计报告报送甲方及监理审批.④ 测量开工前,对...

1、当您付费下载文档后,您只拥有了使用权限,并不意味着购买了版权,文档只能用于自身使用,不得用于其他商业用途(如 [转卖]进行直接盈利或[编辑后售卖]进行间接盈利)。
2、本站所有内容均由合作方或网友上传,本站不对文档的完整性、权威性及其观点立场正确性做任何保证或承诺!文档内容仅供研究参考,付费前请自行鉴别。
3、如文档内容存在违规,或者侵犯商业秘密、侵犯著作权等,请点击“违规举报”。

碎片内容

道路路面基层施工方案

精品文库+ 关注
实名认证
内容提供者

该用户很懒,什么也没介绍

确认删除?
VIP
微信客服
  • 扫码咨询
会员Q群
  • 会员专属群点击这里加入QQ群
客服邮箱
回到顶部