电脑桌面
添加小米粒文库到电脑桌面
安装后可以在桌面快捷访问

镀锌板的焊接VIP免费

镀锌板的焊接_第1页
1/10
镀锌板的焊接_第2页
2/10
镀锌板的焊接_第3页
3/10
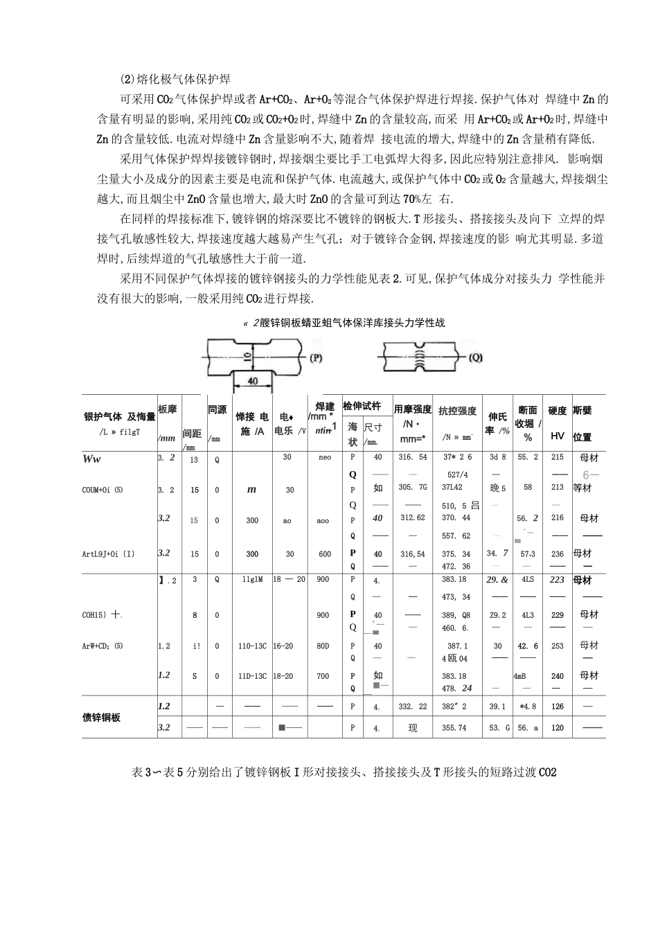
镀锌板的焊接1.镀锌钢电弧焊锌层的存在给镀锌钢的焊接带来了一定困难,主要的问题有:焊接裂纹及气孔的敏感性 增大、锌的蒸发及烟尘、氧化物夹渣及镀锌层熔化及破坏.其中焊接裂纹、气孔和夹渣是最 主要的问题.1. 1 焊接性(1)裂纹在焊接过程中,熔化的锌浮在熔池的外表或位于焊缝根部.由于锌的熔点远远低于铁, 熔池中的铁首先结晶,液态锌会沿着钢的晶界渗入其中,导致晶间结合变弱.而且锌与铁之 间易形成金属间脆性化合物 Fe3Zn10和 FeZn10,进一步降低了焊缝金属的塑性.因此在焊接 剩余应力的作用下易沿晶界裂开,形成裂纹.1)影响裂纹敏感性的因素① 锌层的厚度 镀锌钢的锌层较薄,裂纹敏感性小,而热镀锌钢的锌层较厚,裂纹敏 感性较大.② 工件厚度厚度越大,焊接拘束应力越大,裂纹敏感性越大.③ 坡口间隙 间隙越大,裂纹敏感性越大.④ 焊接方法 用手工电弧焊焊接时裂纹敏感性小,而用 CO2气体保护焊焊接时裂纹敏 感性大一些.2)预防裂纹的方法① 焊前在镀锌板焊接处开坡口 V、Y 形或 X 型坡口,用氧乙快或喷砂等方法去除坡口 附近的镀锌层,同时限制间隙不宜过大,一般 1.5mm 左右.② 选用含 Si 量低的焊接材料.气体保护焊时应采用含 Si 量低的焊丝,手工焊时采用 钛型、钛钙型焊条.(2)气孔坡口附近的锌层在电弧热的作用下产生氧化(形成 ZnO)及蒸发,并挥发出白色烟尘 和蒸气,因此极易在焊缝中引起气孔.焊接电流越大,锌的蒸发越严重,气孔敏感性越大. 用钛型、钛钙型焊条焊接时,在中等电流范围内不易产生气孔.而用纤维素型和低氢型焊条 焊接时,小电流和大电流下均易产生气孔.另外焊条角度应尽量限制在 30°〜70°范围内.(3)锌的蒸发及烟尘用电弧焊焊接镀锌钢板时,熔池附近的锌层在电弧热的作用下氧化成 ZnO 并蒸发,形 成很大的烟尘.这种烟尘中主要成分为 ZnO,对工人的呼吸器官具有很大的刺激作用,因 此,焊接时必须采取良好的通风举措.在同样焊接标准下,用氧化钛型焊条焊接时所产生的 烟尘量较低,而低氢型焊条焊接时产生的烟尘量较大.(4)氧化物夹渣焊接电流较小时,加热过程中形成的 ZnO 不易逸出,易造成 ZnO 夹渣.ZnO 比拟稳定, 其熔点为1800c.大块状的 ZnO 夹渣对焊缝塑性具有非常不利的影响.利用氧化钛型焊条 时,ZnO 呈细小均匀分布,对塑性及抗拉强度影响都不大.而用纤维素型或氢型焊条时, 焊缝内的 ZnO 较大、较多,焊缝性能差.1. 2 镀锌钢的焊接工艺镀锌钢可采用手工电弧焊、熔化极气体保护焊、氩弧...

1、当您付费下载文档后,您只拥有了使用权限,并不意味着购买了版权,文档只能用于自身使用,不得用于其他商业用途(如 [转卖]进行直接盈利或[编辑后售卖]进行间接盈利)。
2、本站所有内容均由合作方或网友上传,本站不对文档的完整性、权威性及其观点立场正确性做任何保证或承诺!文档内容仅供研究参考,付费前请自行鉴别。
3、如文档内容存在违规,或者侵犯商业秘密、侵犯著作权等,请点击“违规举报”。

碎片内容

镀锌板的焊接

确认删除?
VIP
微信客服
  • 扫码咨询
会员Q群
  • 会员专属群点击这里加入QQ群
客服邮箱
回到顶部