电脑桌面
添加小米粒文库到电脑桌面
安装后可以在桌面快捷访问

高强度螺栓施工工艺VIP免费

高强度螺栓施工工艺_第1页
1/8
高强度螺栓施工工艺_第2页
2/8
高强度螺栓施工工艺_第3页
3/8
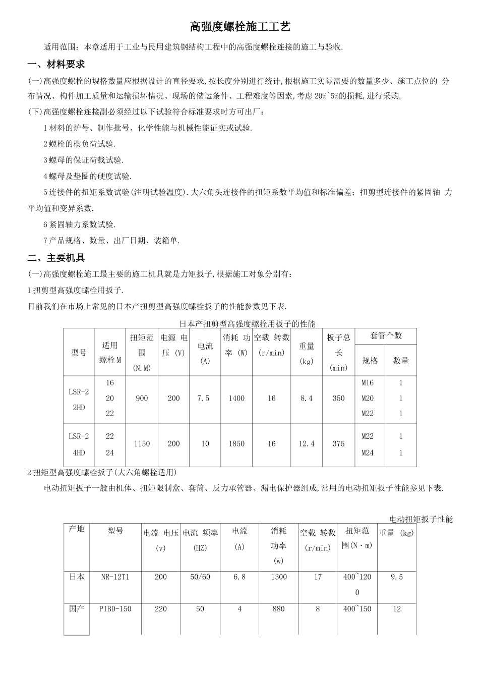
高强度螺栓施工工艺适用范围:本章适用于工业与民用建筑钢结构工程中的高强度螺栓连接的施工与验收.一、材料要求(一)高强度螺栓的规格数量应根据设计的直径要求,按长度分别进行统计,根据施工实际需要的数量多少、施工点位的 分布情况、构件加工质量和运输损坏情况、现场的储运条件、工程难度等因素,考虑 20%~5%的损耗,进行采购.(下)高强度螺栓连接副必须经过以下试验符合标准要求时方可出厂:1 材料的炉号、制作批号、化学性能与机械性能证实或试验.2 螺栓的楔负荷试验.3 螺母的保证荷载试验.4 螺母及垫圈的硬度试验.5 连接件的扭矩系数试验(注明试验温度).大六角头连接件的扭矩系数平均值和标准偏差;扭剪型连接件的紧固轴 力平均值和变异系数.6 紧固轴力系数试验.7 产品规格、数量、出厂日期、装箱单.二、主要机具(一)高强度螺栓施工最主要的施工机具就是力矩扳子,根据施工对象分别有:1 扭剪型高强度螺栓用扳子.目前我们在市场上常见的日本产扭剪型高强度螺栓扳子的性能参数见下表.日本产扭剪型高强度螺栓用板子的性能型号适用螺栓 M扭矩范 围 (N.M)电源 电压 (V)电流 (A)消耗 功率 (W)空载 转数 (r/min)重量 (kg)板子总 长 (min)套管个数规格数量16M161LSR-2209002007.51400168.4350M2012HD22M221LSR-22211502001018501612.4375M2214HD24M2412 扭矩型高强度螺栓扳子(大六角螺栓适用)电动扭矩扳子一般由机体、扭矩限制盒、套筒、反力承管器、漏电保护器组成,常用的电动扭矩扳子性能参见下表.电动扭矩扳子性能产地型号电流 电压 (v)电流 频率 (HZ)电流(A)消耗功率(w)空载 转数 (r/min)扭矩范围(N・m)重量 (kg)日本NR-12T120050/606.8130017400~12009.5国产PIBD-1502205048808400~15012PIBD-160220504.39508400~160103 轴力计:10000QLE.可调扭矩值范围:98-980N - m主视表精度:4.9 N - m副视表精度:0.49 N - m负荷方向:柄长度:1.4m4 通用机具、手开工具.为提升施工效率,我们一般还可以选用风动扳手进行初拧,根据风动扳手的标准扭矩调节空气压力即可初步设定扳 手的输出扭矩,用于螺栓的初拧,可大大提升施工效率.其他必备的工具有:检测合格的力矩扳手〔其中至少一把应送有关部门进行校准,在施工中一般不用于直接施工, 专用于其他施工工具的校准和施工检测〕、手动棘轮扳手、橄榄冲子〔俗称过眼冲钉,形似橄榄〕、力矩倍增计、手锤、 钢丝刷等.三、作业条件〔一〕高强度螺栓长度的选用.高强度螺栓...

1、当您付费下载文档后,您只拥有了使用权限,并不意味着购买了版权,文档只能用于自身使用,不得用于其他商业用途(如 [转卖]进行直接盈利或[编辑后售卖]进行间接盈利)。
2、本站所有内容均由合作方或网友上传,本站不对文档的完整性、权威性及其观点立场正确性做任何保证或承诺!文档内容仅供研究参考,付费前请自行鉴别。
3、如文档内容存在违规,或者侵犯商业秘密、侵犯著作权等,请点击“违规举报”。

碎片内容

高强度螺栓施工工艺

您可能关注的文档

确认删除?
VIP
微信客服
  • 扫码咨询
会员Q群
  • 会员专属群点击这里加入QQ群
客服邮箱
回到顶部