电脑桌面
添加小米粒文库到电脑桌面
安装后可以在桌面快捷访问

机床电气试验校本教材VIP免费

机床电气试验校本教材_第1页
1/50
机床电气试验校本教材_第2页
2/50
机床电气试验校本教材_第3页
3/50
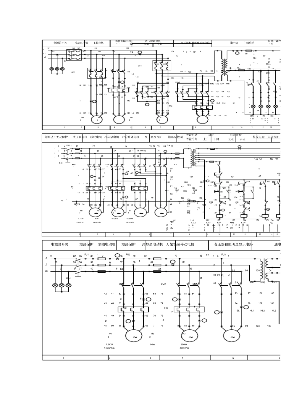
机床电气实验校本教材机床电气培训考核装置校本教材职业技术学院机电工程7173下降夹紧松开液压松紧电机指示灯主轴启动136SB2主轴电机1211261163摇臂升降电机上升FR1128118123119124129125120130133131132 1342413614414455515121317183 118733113365910433M1KM1M2M3KM2KKT19冷却泵电机105106L3L2L1103102104101电源总开关107113110QF125SB42638下上升摇臂升降控变压器和照明及显示电路1FU134142137147TC712SB15108176175174 FU2182181180SA2178177QF3148138143151141146139144149140145150KM3KM2135154157155153152159158156KM5KM4169164168163172167162170171FR2161160166165201200KM5 9SQ41017SB3151618192021120150VAHL2185184186KM1190HL3KM2188189ELHL6HL1197196KM4198HL5194192193KM3HL418318719119519926 81795127117122KM121142739115114109112111108QF21132M4KM122FR12324SQ1a3536KM3SB5SQ229283031333234454442431014FU51551461528FU4123456159781210111314失磁保护上升砂轮启动砂轮冷却变压器及保护液压泵控制整流电源砂轮下降电磁吸盘充磁去磁砂轮升降电机砂轮电机 冷却泵电机液压泵电机电源总开关及保护103116KM12022722344455225383321101525181811151211249KM4KM3KM2KM6KM57KAFR3M40.75KW1410r/min30.12KWM332360r/min3KW3M21410r/min1.1KW3M1137127128912212171124114113 100101158154149FU8151143144121381190606357565146413035403504555253929 346PE1318232419143833284484353598FR3494454FR2823727 322111162212177FR113313913KM5135136SB8129130125126KM31112KM4120119111721071063FR2110109KM29SB5 98 99FR12XB676695 967KM1SB3157KM615153134140141142KM513SB10KM615132SB9SB7124123118SB6117104SB4105115SB16562919293SB2610294156145150148147VCKM513131316142582610073524712KM4KM311KM173631KM291152012QS1L3L2L19854FU173758387TCKA78571686970FU264898581747780768884 FU34403938主轴电动机短路保护FU1电源总开关35293236373031L1L2L33433短路保护QS143FU39190929610410059通电SAKM1KM2KM3 FU778083TC8688刀架快速移动电机218789变压器和照明及显示电路484353FR1474252M232356736863746964757065767166231450r/min17.5KW90W1EL939495HL1979899107106105HL3HL21011021033M3858279817884875641360r/min250W冷却泵电动机5956416061585751461FU2627267KM1KM2KM3FR2455055M13544944X62W万能铣床电路故障点原...

1、当您付费下载文档后,您只拥有了使用权限,并不意味着购买了版权,文档只能用于自身使用,不得用于其他商业用途(如 [转卖]进行直接盈利或[编辑后售卖]进行间接盈利)。
2、本站所有内容均由合作方或网友上传,本站不对文档的完整性、权威性及其观点立场正确性做任何保证或承诺!文档内容仅供研究参考,付费前请自行鉴别。
3、如文档内容存在违规,或者侵犯商业秘密、侵犯著作权等,请点击“违规举报”。

碎片内容

机床电气试验校本教材

文库当当响+ 关注
实名认证
内容提供者

该用户很懒,什么也没介绍

确认删除?
VIP
微信客服
  • 扫码咨询
会员Q群
  • 会员专属群点击这里加入QQ群
客服邮箱
回到顶部