电脑桌面
添加小米粒文库到电脑桌面
安装后可以在桌面快捷访问

施工单位安全管理月度检查考核评分表VIP免费

施工单位安全管理月度检查考核评分表_第1页
1/6
施工单位安全管理月度检查考核评分表_第2页
2/6
施工单位安全管理月度检查考核评分表_第3页
3/6
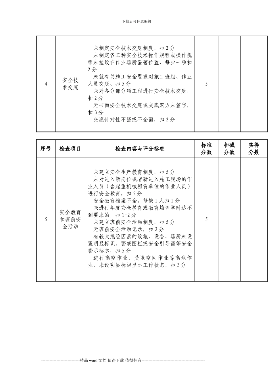
下载后可任意编辑施工单位安全管理月度检查考核评分表标段名称: 施工单位: 检查日期序号检查项目检查内容与评分标准标准分数扣减分数实得分数1资质与资格 存在转包或违法分包,扣 10 分 项目经理未持安全生产考核合格证上岗,扣 10 分 项目部未按要求组建安全生产领导小组,扣 10 分 企业未按规定配备、委派项目部专职安全管理人员或专职安全管理人员未持安全生产考核合格证,扣 10 分 特种作业人员未持有效证件上岗,扣 10分项目主要管理人员未按规定到岗履职或未现场带班,每人扣 3-8 分未经建设单位同意,更换项目经理或项目经理在多于 1 个的项目担任项目经理,扣 5分专职安全管理人员未到岗履职,每人扣 3分102责任制度与目标管理 未建立安全生产责任制和安全生产奖惩制度,扣 6 分 安全生产责任制未经责任人签字确认,扣3 分 未制定安全管理目标及其考核制度,扣 4分 目标未分解或未量化,各扣 3 分 考核制度未有效落实,扣 1-3 分 未指定风险管控目标和具体措施,扣 6 分6----------------------------精品 word 文档 值得下载 值得拥有----------------------------------------------下载后可任意编辑序号检查项目检查内容与评分标准标准分数扣减分数实得分数3施工组织设计与专项施工方案未建立风险源台帐、未确定每个风险源的具体责任人,扣 10 分进场后未进行风险源二次调查评估,扣10 分使用未经审查的施工图设计文件施工,扣14 分未制定安全技术措施编制、审查制度,扣5 分未编制施工组织设计或施工组织设计中没有编制安全技术措施,扣 14 分危险性较大的分部分项工程未编制专项施工方案,扣 10 分110V 或 35KV 或其他高压电线路送电前未制定送电方案,扣 10 分施工组织设计或专项施工方案的安全技术措施不全面或针对性不强,扣 5-8 分对应当组织专家论证、审查的专项施工方案未进行论证、审查并落实审查意见,每项扣 6 分施工组织设计、专项施工方案未按规定进行审核、审批及完善,扣 5 分使用国家明令淘汰或禁止使用的工艺、产品,扣 5 分当地质条件和施工状况发生较大变化时未修改施工组织设计或专项施工方案,每一项扣 5 分未按施工方案落实安全技术措施或落实不到位,每一项扣 3 分14----------------------------精品 word 文档 值得下载 值得拥有----------------------------------------------下载后可任意编辑4安全技术交底未制定安全技术交底...

1、当您付费下载文档后,您只拥有了使用权限,并不意味着购买了版权,文档只能用于自身使用,不得用于其他商业用途(如 [转卖]进行直接盈利或[编辑后售卖]进行间接盈利)。
2、本站所有内容均由合作方或网友上传,本站不对文档的完整性、权威性及其观点立场正确性做任何保证或承诺!文档内容仅供研究参考,付费前请自行鉴别。
3、如文档内容存在违规,或者侵犯商业秘密、侵犯著作权等,请点击“违规举报”。

碎片内容

施工单位安全管理月度检查考核评分表

确认删除?
VIP
微信客服
  • 扫码咨询
会员Q群
  • 会员专属群点击这里加入QQ群
客服邮箱
回到顶部