电脑桌面
添加小米粒文库到电脑桌面
安装后可以在桌面快捷访问

施工方案钢管焊接VIP免费

施工方案钢管焊接_第1页
1/8
施工方案钢管焊接_第2页
2/8
施工方案钢管焊接_第3页
3/8
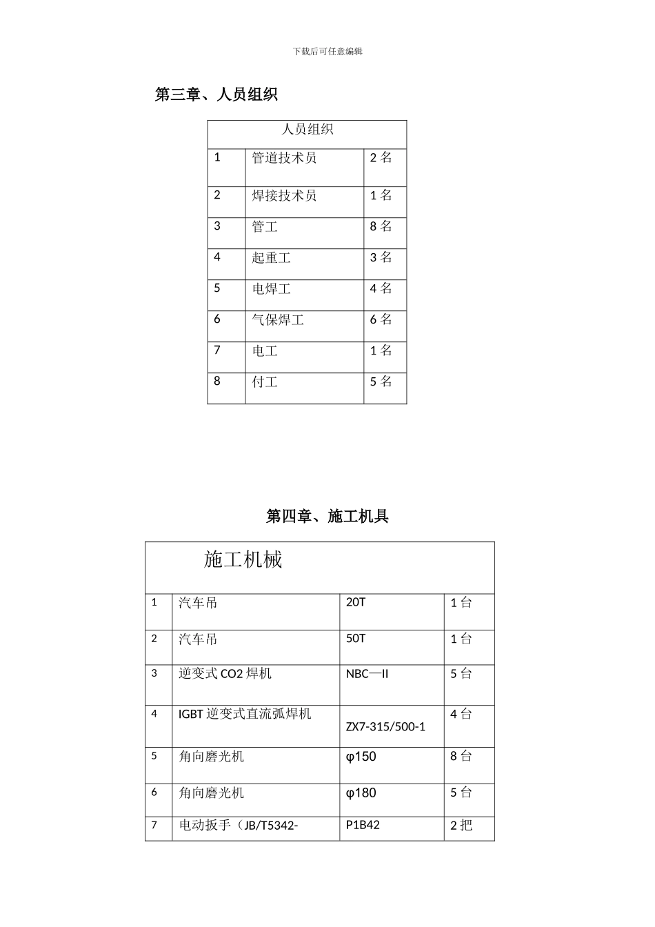
下载后可任意编辑青草沙水源地原水工程金海支线工程 QJZ-C5 标==管道焊接施工方案==第一章、工程概况:青草沙水源地原水工程--金海支线工程 QJZ-C5 标是青草沙原水工程陆域管体金海支线中的金海泵站工程。本工程位于浦东新区华东路西侧(华东路 2898号)盛家浜南侧,泵站占地 32.2 亩,建筑面积约 27328㎡。本工程造价4600.6715 万元,工期 485 日历天。建设单位:上海青草沙投资建设进展有限公司。设计单位:上海市政工程设计讨论院。监理单位:上海宏波工程咨询管理有限公司。施工单位:上海建工桥隧建筑工程有限公司。工程内容,金海增压泵房至东南18#井,金海增压泵房至金海水厂的V3井(在西北角上),V3井至17#井(在东北角上),17#井至18#井之间的所有管道安装。管子有DN4000,DN3200,DN3000,DN2800,DN2400,DN2000,DN1800,DN1600,DN1400,DN1200,DN1000,DN800,DN700,DN600,DN500,DN400,DN300,DN250,DN200,DN150,变径管,阀门,弯头,松套接头,补偿接头,防水套管,法兰,三通等。具体内容见WC500W,WC551W。工作量见WC551W-04,WC500W-18上的内容。第二章 、施工准备1. 熟悉图纸及设计要求,弄清工作范围及工作量。2. 同业主、设计、监理一起技术交底3. 编制施工方案,根据业主进度编制施工计划。4. 根据管道单线图,平面图,流程图。编制管子长度,编制焊口节的,现场活口节的及预制编号。5. 管道技术员根据编制好的焊口图及相关文件将图中加工的管件列出清单,交加工厂加工,编号。6. 熟悉管道施工技术。7.焊工进场前,要经过焊工工艺评定8.准备施工临时用料,施工机具见表(气割、扳手、焊接用料、小型工具)9.根据现场施工条件合理组织安装人员(计划见表). 下载后可任意编辑 第三章、人员组织 人员组织1管道技术员2 名2焊接技术员1 名3管工 8 名4起重工3 名5电焊工4 名6气保焊工6 名7电工1 名8付工5 名 第四章、施工机具 施工机械1汽车吊 20T1 台2汽车吊 50T1 台3逆变式 CO2 焊机NBC—II5 台4IGBT 逆变式直流弧焊机ZX7-315/500-14 台5角向磨光机 φ150 8 台6角向磨光机 φ180 5 台7电动扳手(JB/T5342-P1B422 把下载后可任意编辑1999)8液压千斤顶(JB/T2104-1991)QYL163 只9液压千斤顶(JB/T2104-1991)QYL322 只10手拉葫芦(JB/7334-1994)5T5 只11手拉葫芦(JB/7334-1994)10T2 只12钢丝绳 Y10-3218M(每付 2根)2 付13钢丝绳 Y9-2816M3 付14卸扣2.72 付15卸扣...

1、当您付费下载文档后,您只拥有了使用权限,并不意味着购买了版权,文档只能用于自身使用,不得用于其他商业用途(如 [转卖]进行直接盈利或[编辑后售卖]进行间接盈利)。
2、本站所有内容均由合作方或网友上传,本站不对文档的完整性、权威性及其观点立场正确性做任何保证或承诺!文档内容仅供研究参考,付费前请自行鉴别。
3、如文档内容存在违规,或者侵犯商业秘密、侵犯著作权等,请点击“违规举报”。

碎片内容

施工方案钢管焊接

您可能关注的文档

确认删除?
VIP
微信客服
  • 扫码咨询
会员Q群
  • 会员专属群点击这里加入QQ群
客服邮箱
回到顶部