电脑桌面
添加小米粒文库到电脑桌面
安装后可以在桌面快捷访问

施工现场安全质量标准化达标验收表VIP免费

施工现场安全质量标准化达标验收表_第1页
1/36
施工现场安全质量标准化达标验收表_第2页
2/36
施工现场安全质量标准化达标验收表_第3页
3/36
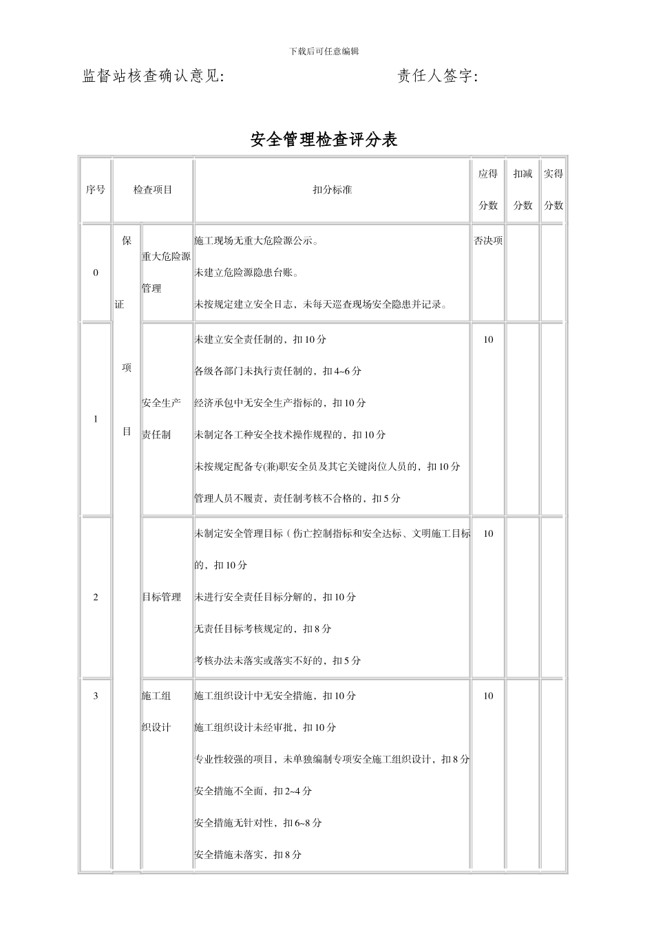
下载后可任意编辑施工现场安全质量标准化达标验收表 验收时间: 年 月 日单位工程名称: 施工单位(企业安技科章): 监理单位(监理部章): 本 次 验 收 评 分 汇 总 表得分项 目 名 称 及 分 值安全管理(10分)文明施工(20分)脚手架(10分)基坑与模板(10分)三宝四口(10分)施工用电(10分)物料提升机与外用电梯(10分)塔吊(10分)起重吊装(5分)施工机具(5分)分表得分换算得分总评分验收结论验收组成员签字:下载后可任意编辑监督站核查确认意见: 责任人签字:安全管理检查评分表序号检查项目扣分标准应得分数扣减分数实得分数0保 证 项 目重大危险源管理施工现场无重大危险源公示。未建立危险源隐患台账。未按规定建立安全日志,未每天巡查现场安全隐患并记录。否决项 1安全生产责任制未建立安全责任制的,扣 10 分各级各部门未执行责任制的,扣 4~6 分经济承包中无安全生产指标的,扣 10 分未制定各工种安全技术操作规程的,扣 10 分未按规定配备专(兼)职安全员及其它关键岗位人员的,扣 10 分管理人员不履责,责任制考核不合格的,扣 5 分102目标管理未制定安全管理目标(伤亡控制指标和安全达标、文明施工目标的,扣 10 分未进行安全责任目标分解的,扣 10 分无责任目标考核规定的,扣 8 分考核办法未落实或落实不好的,扣 5 分10 3施工组织设计施工组织设计中无安全措施,扣 10 分施工组织设计未经审批,扣 10 分专业性较强的项目,未单独编制专项安全施工组织设计,扣 8 分安全措施不全面,扣 2~4 分安全措施无针对性,扣 6~8 分安全措施未落实,扣 8 分10 下载后可任意编辑4分部(分项)工程安全技术交底无书面安全技术交底,扣 10 分交底针对性不强,扣 4~6 分交底不全面,扣 4 分交底未履行签字手续,扣 2~4 分10 5安全检查企业未开展每月一次安全检查,无记录。扣 10 分项目部每周未开展安全检查无记录,扣 10 分检查出事故隐患整改做不到定人、定时间、定措施,扣 2~6 分对重大事故隐患整改通知书所列项目未如期完成,扣 5 分10 6安全教育无安全教育制度,扣 10 分新入厂工人未进行三级安全教育,扣 10 分无具体安全教育内容,扣 6~8 分变换工种时未进行安全教育,扣 10 分每有一人不懂本工种安全技术操作规程,扣 2 分施工管理人员未按规定进行年度培训的,扣 5 分专职安全员未按规定进行年度培训考核或考核不合格的,扣...

1、当您付费下载文档后,您只拥有了使用权限,并不意味着购买了版权,文档只能用于自身使用,不得用于其他商业用途(如 [转卖]进行直接盈利或[编辑后售卖]进行间接盈利)。
2、本站所有内容均由合作方或网友上传,本站不对文档的完整性、权威性及其观点立场正确性做任何保证或承诺!文档内容仅供研究参考,付费前请自行鉴别。
3、如文档内容存在违规,或者侵犯商业秘密、侵犯著作权等,请点击“违规举报”。

碎片内容

施工现场安全质量标准化达标验收表

确认删除?
VIP
微信客服
  • 扫码咨询
会员Q群
  • 会员专属群点击这里加入QQ群
客服邮箱
回到顶部