电脑桌面
添加小米粒文库到电脑桌面
安装后可以在桌面快捷访问

施工现场实体每日检查表VIP免费

施工现场实体每日检查表_第1页
1/14
施工现场实体每日检查表_第2页
2/14
施工现场实体每日检查表_第3页
3/14
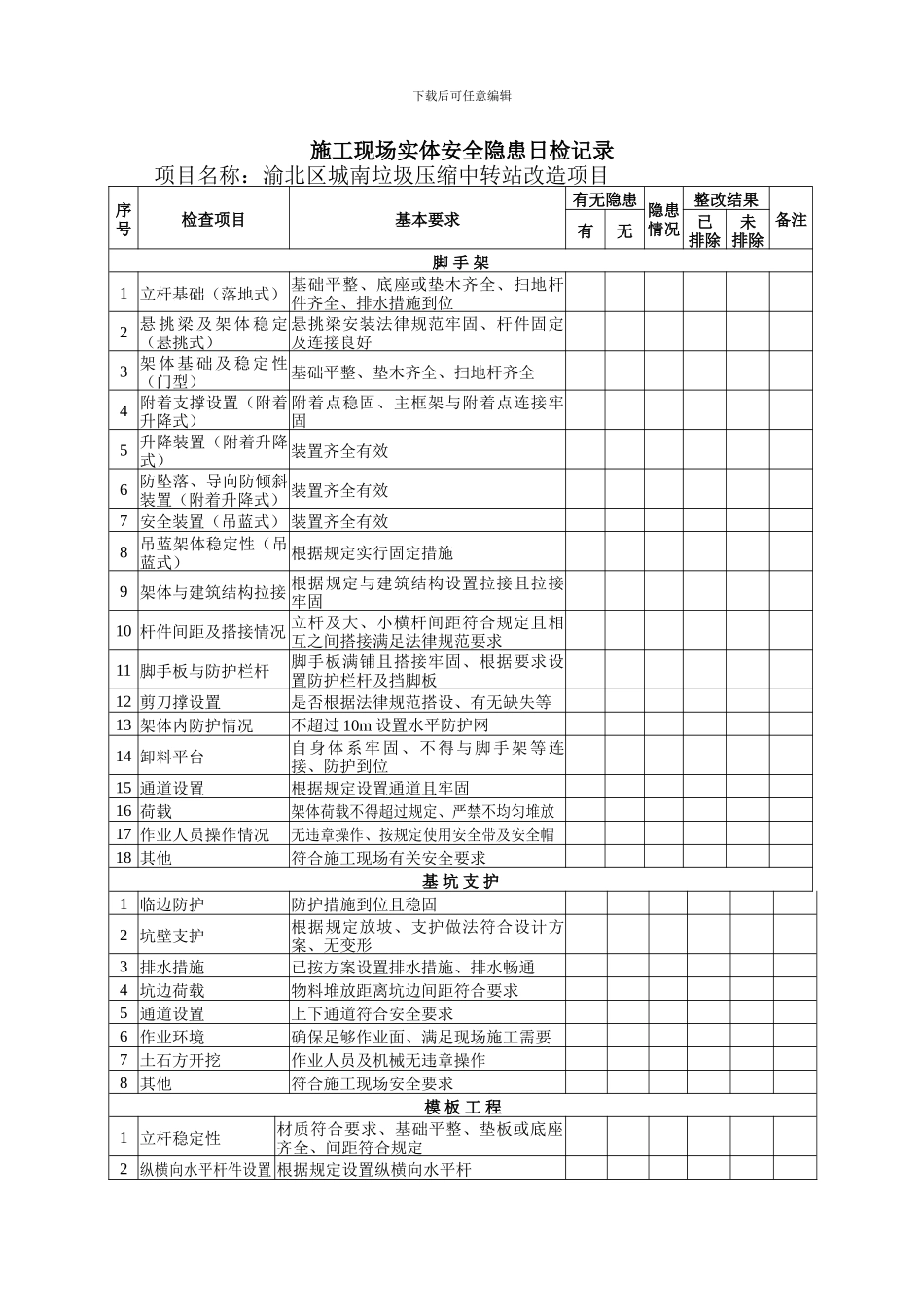
下载后可任意编辑 重庆市建设工程施工现场实体安全隐患每日检查表 项目名称: 渝北区城南垃圾压缩中转站改造工程 建设单位:重庆市环卫控股(集团)有限公司 监理单位:重庆市佳兴建设监理有限公司 施工单位:重庆市锦新建筑有限公司 重庆市建设工程施工安全管理总站制下载后可任意编辑 填 表 说 明一、施工现场实体安全隐患日检记录由项目专职安全管理员填写。具体填写要求如下:1、“有无隐患”一项中,如检查中未发现安全隐患,在“无”一栏划√;如发现存在安全隐患,在“有”一栏划√,并在“隐患情况”一栏中写明具体情况;2、对检查中发现并已消除的安全隐患,在“整改结果”中的“已排除”一栏划√;3、对检查中发现但未消除的安全隐患,在“整改结果”中的“未排除”一栏划√,并在“备注”栏写明实际处置情况;4、凡是未能及时整改的安全隐患,应及时上报项目部,根据“五定”原则落实整改到位,并记入重大安全隐患整治档案,督办并确保销号。二、每次安全检查所填写的记录必须真实准确,签字完善不得随意涂改。三、所填写的每日安全隐患检查表格,将作为直接责任人履行安全职责的原始凭据,应保存完整,随时备查。下载后可任意编辑施工现场实体安全隐患日检记录 项目名称:渝北区城南垃圾压缩中转站改造项目序号检查项目基本要求有无隐患 隐患情况整改结果备注有无已排除未排除脚 手 架1 立杆基础(落地式) 基础平整、底座或垫木齐全、扫地杆件齐全、排水措施到位 2 悬 挑 梁 及 架 体 稳 定(悬挑式)悬挑梁安装法律规范牢固、杆件固定及连接良好 3 架 体 基 础 及 稳 定 性(门型)基础平整、垫木齐全、扫地杆齐全 4 附着支撑设置(附着升降式)附着点稳固、主框架与附着点连接牢固 5 升降装置(附着升降式)装置齐全有效 6 防坠落、导向防倾斜装置(附着升降式) 装置齐全有效 7 安全装置(吊蓝式) 装置齐全有效 8 吊蓝架体稳定性(吊蓝式)根据规定实行固定措施 9 架体与建筑结构拉接 根据规定与建筑结构设置拉接且拉接牢固 10 杆件间距及搭接情况 立杆及大、小横杆间距符合规定且相互之间搭接满足法律规范要求 11 脚手板与防护栏杆脚手板满铺且搭接牢固、根据要求设置防护栏杆及挡脚板 12 剪刀撑设置是否根据法律规范搭设、有无缺失等 13 架体内防护情况不超过 10m 设置水平防护网 14 卸料平台自身体系牢固、不得与脚手架等连接、防护到位 15 通道设置根据规...

1、当您付费下载文档后,您只拥有了使用权限,并不意味着购买了版权,文档只能用于自身使用,不得用于其他商业用途(如 [转卖]进行直接盈利或[编辑后售卖]进行间接盈利)。
2、本站所有内容均由合作方或网友上传,本站不对文档的完整性、权威性及其观点立场正确性做任何保证或承诺!文档内容仅供研究参考,付费前请自行鉴别。
3、如文档内容存在违规,或者侵犯商业秘密、侵犯著作权等,请点击“违规举报”。

碎片内容

施工现场实体每日检查表

您可能关注的文档

确认删除?
VIP
微信客服
  • 扫码咨询
会员Q群
  • 会员专属群点击这里加入QQ群
客服邮箱
回到顶部