电脑桌面
添加小米粒文库到电脑桌面
安装后可以在桌面快捷访问

智能建筑工程检验批质量验收记录表VIP免费

智能建筑工程检验批质量验收记录表_第1页
1/46
智能建筑工程检验批质量验收记录表_第2页
2/46
智能建筑工程检验批质量验收记录表_第3页
3/46
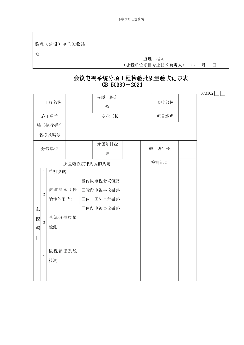
下载后可任意编辑程控电话交换系统分项工程检验批质量验收记录表 GB 50339-2024 工程名称分项工程名称验收部位施工单位专业工长项目经理施工执行标准名称及编号分包单位分包项目经理施工班组长质量验收法律规范的规定检测记录主控项目1通电测试前检查2硬件检查测试3系统检查测试4初验测试可靠性测试性能测试中继测试接通率测试故障诊断测试施工单位检查评定结果主控项目符合设计及法律规范规定,一般项目符合要求 项目专业质量检查员: 年 月 日070101下载后可任意编辑监理(建设)单位验收结论 监理工程师 (建设单位项目专业技术负责人) 年 月 日会议电视系统分项工程检验批质量验收记录表 GB 50339-2024 工程名称分项工程名称验收部位施工单位专业工长项目经理施工执行标准名称及编号分包单位分包项目经理施工班组长质量验收法律规范的规定检测记录主控项目1单机测试2信道测试(传输性能限值)国内段电视会议链路国际段电视会议链路国内、国际全程链路国内段电视会议链路3系统效果质量检测4监视管理系统检测070102下载后可任意编辑施工单位检查评定结果 项目专业质量检查员: 年 月 日监理(建设)单位验收结论 监理工程师 (建设单位项目专业技术负责人) 年 月 日接入网设备分项工程检验批质量验收记录表 GB 50339-2024 工程名称分项工程名称验收部位施工单位专业工长项目经理施工执行标准名称及编号分包单位分包项目经理施工班组长质量验收法律规范的规定检测记录主控项目1安装环境检查机房环境电源接地电阻值2设备安装检查管线敷设设备机柜及模块3系统检测收发器线路接口功率谱密度纵向平衡损耗过压保护用户网络接口25.6Mbit/s 电接口10BASE-TUSB 接口PCI 接口业 务 节 点 接 口(SNI)SIM-1(155Mbit/s)光接口电信接口分离器测试传输性能测试功能验证测试传输功能管理功能070103下载后可任意编辑施工单位检查评定结果 项目专业质量检查员: 年 月 日监理(建设)单位验收结论 监理工程师 (建设单位项目专业技术负责人) 年 月 日卫星数字电视系统分项工程检验批质量验收记录表 GB 50339-2024 工程名称分项工程名称验收部位施工单位专业工长项目经理施工执行标准名称及编号分包单位分包项目经理施工班组长质量验收法律规范的规定检测记录主控项目1卫星天线的安装质量2高频头至室内单元的线距3功放器及接收站位置4系统输出电平/(dBμm)施工单位检查评定结果 项目专业质量检查员: ...

1、当您付费下载文档后,您只拥有了使用权限,并不意味着购买了版权,文档只能用于自身使用,不得用于其他商业用途(如 [转卖]进行直接盈利或[编辑后售卖]进行间接盈利)。
2、本站所有内容均由合作方或网友上传,本站不对文档的完整性、权威性及其观点立场正确性做任何保证或承诺!文档内容仅供研究参考,付费前请自行鉴别。
3、如文档内容存在违规,或者侵犯商业秘密、侵犯著作权等,请点击“违规举报”。

碎片内容

智能建筑工程检验批质量验收记录表

雏圣文化+ 关注
实名认证
内容提供者

欢迎光临,大量办公文档供您挑选。

确认删除?
VIP
微信客服
  • 扫码咨询
会员Q群
  • 会员专属群点击这里加入QQ群
客服邮箱
回到顶部