电脑桌面
添加小米粒文库到电脑桌面
安装后可以在桌面快捷访问

水泥稳定碎石底基层试验段施工方案-secret14361VIP免费

水泥稳定碎石底基层试验段施工方案-secret14361_第1页
1/12
水泥稳定碎石底基层试验段施工方案-secret14361_第2页
2/12
水泥稳定碎石底基层试验段施工方案-secret14361_第3页
3/12
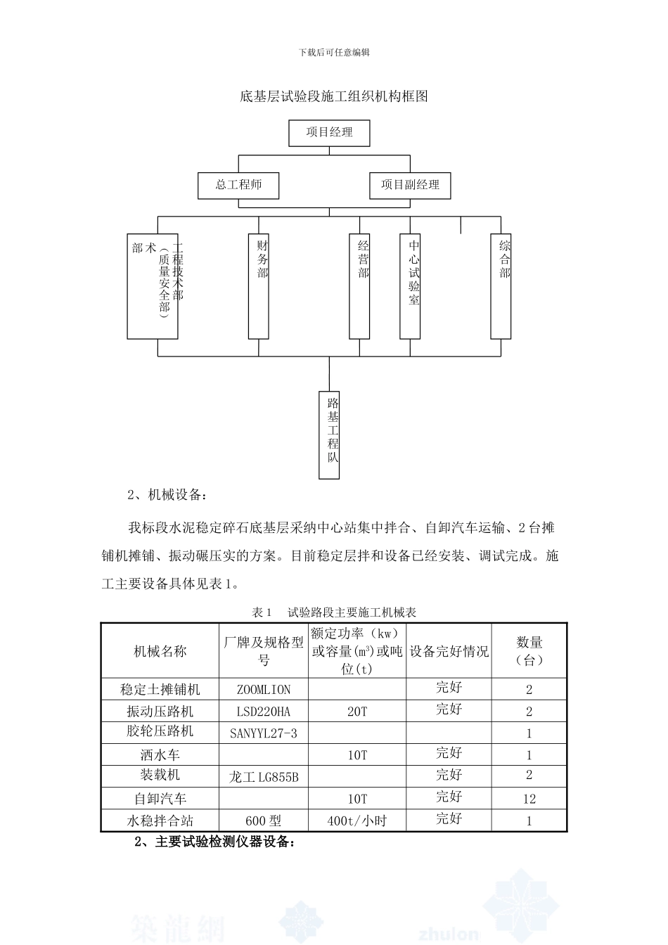
下载后可任意编辑水泥稳定碎石底基层试验段施工方案一、工程概述本合同起点桩号 K125+580,终点桩号 K127+203.201,全长 1.623km。路面工程底基层设计为 20cm 厚 4%水泥稳定碎石(掺 30%碎石)、15cm 厚下基层为 4%水泥稳定碎石、15cm 厚上基层为 5%水泥稳定碎石。二、编制原则和依据1、路基、路面施工图、设计相关通用图及总说明2、国家现行交通部颁《公路路面基层施工技术法律规范》(JTJ034-2000)3、国家现行交通部颁《公路工程质量检验评定标准》(JTG80/1-2024)4、满足合同总工期要求5、达到项目质量要求标准三、试验目的开工前在试验路段进行试验,以确定用于施工的集料配合比例;集料的松铺系数;合适的拌和机械、拌和办法、拌和时间等;混合料最佳含水量的控制方法;密实度的检查方法;整平和整形的合适机具和方法;压实机械的选择和组合,压实的顺序、速度和遍数等;拌和、运输、摊铺和碾压机械的协调和配合,确定每一作业段的合适长度及养生方法;摸索并总结如何依据施工技术法律规范、质量标准进行法律规范施工的程序管理方法和质量控制手段;收集相关数据,指导全面施工并达到技术质量标准;试验路段结束后,编制试验路段总结,以用于指导水泥稳定碎石底基层的全面施工。本标段计划在主线K126+000~K126+200 进行水泥稳定碎石底基层试验段施工。四、施工准备1、组织机构为了确保试验段施工质量,达到试验的预期目的,保证试验段有序顺利进行,总结出科学的填筑厚度和机械组合,项目部成立了以项目经理为核心,项目总工负责,各职能部门参加的组织机构,对试验段工作实施有效的控制管理和高效运转(详见以下《底基层试验段施工组织机构框图》)。下载后可任意编辑底基层试验段施工组织机构框图2、机械设备:我标段水泥稳定碎石底基层采纳中心站集中拌合、自卸汽车运输、2 台摊铺机摊铺、振动碾压实的方案。目前稳定层拌和设备已经安装、调试完成。施工主要设备具体见表 1。表1 试验路段主要施工机械表机械名称厂牌及规格型号额定功率(kw)或容量(m3)或吨位(t)设备完好情况数量(台)稳定土摊铺机ZOOMLION完好2振动压路机LSD220HA20T完好2胶轮压路机SANYYL27-31洒水车10T完好1装载机龙工 LG855B完好2自卸汽车10T完好12水稳拌合站600 型400t/小时完好12、主要试验检测仪器设备: 项目经理总工程师项目副经理工程技术部(质量安全部)术部财务部经营部中心试验室路基工程队综合部下载后可任意编辑路面工程的试验检测工...

1、当您付费下载文档后,您只拥有了使用权限,并不意味着购买了版权,文档只能用于自身使用,不得用于其他商业用途(如 [转卖]进行直接盈利或[编辑后售卖]进行间接盈利)。
2、本站所有内容均由合作方或网友上传,本站不对文档的完整性、权威性及其观点立场正确性做任何保证或承诺!文档内容仅供研究参考,付费前请自行鉴别。
3、如文档内容存在违规,或者侵犯商业秘密、侵犯著作权等,请点击“违规举报”。

碎片内容

水泥稳定碎石底基层试验段施工方案-secret14361

一二三四传媒+ 关注
实名认证
内容提供者

大量资料供您选择,没有合适的可以联系小二。

确认删除?
VIP
微信客服
  • 扫码咨询
会员Q群
  • 会员专属群点击这里加入QQ群
客服邮箱
回到顶部