电脑桌面
添加小米粒文库到电脑桌面
安装后可以在桌面快捷访问

清水混凝土结构外观及尺寸偏差检验批质量验收记录VIP免费

清水混凝土结构外观及尺寸偏差检验批质量验收记录_第1页
1/4
清水混凝土结构外观及尺寸偏差检验批质量验收记录_第2页
2/4
清水混凝土结构外观及尺寸偏差检验批质量验收记录_第3页
3/4
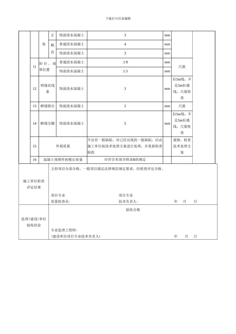
下载后可任意编辑 表5.10.15 清水混凝土结构外观及尺寸偏差检验批质量验收记录单位(子单位) 分部(子分部)工程名称分项工程名称验 收 部 位施工单位武汉都市环保技术股份有限公司项目经理施工执行标准《电力建设施工质量验收及评定规程》第一部份:土建工程 DL/5210.1-2024专业工长(施工员)分 包 单 位湖北千禧建设有限公司分包项目经理施工班组长类别序号检查项目施工质量验收法律规范的规定单位施工单位自检记录监理(建设)单位验收记录主控项目1外观质量不应有严重缺陷。对已经出现的严重缺陷,应由施工单位提出技术处理方案,并经监理(建设)、设计单位认可后进行处理,对经处理的部位,应重新检查验收 观察,检查技术处理方案经检查:主控项目符合设计要求2尺寸偏差不应有影响结构性能和使用功能的尺寸偏差。对超过尺寸允许偏差且影响结构性能和安装、使用功能的部位,应由施工单位提出技术处理方案,并经监理(建设)、设计单位认可后进行处理。对经处理的部位,应重新检查验收 观察,检查技术处理方案一般项目1颜色普通清水混凝土无明显色差距离墙面观察经检查:一般项目符合设计要求饰面清水混凝土颜色基本一致,无明显色差修补普通清水混凝土少量修补痕迹距离墙面观察饰面清水混凝土基本无修补痕迹气泡普通清水混凝土气泡分散尺量饰面清水混凝土最大直径不大于8mm,最大深度不大于2mm,每平方米气泡面积不大于20cm2裂缝普通清水混凝土宽度小于0.2mm尺量、刻度放大镜饰面清水混凝土宽度小于0.2mm,且长度不大于1000mm2光洁度普通清水混凝土无明显漏浆、流淌及冲刷痕迹观察饰面清水混凝土无漏浆、流淌及冲刷痕迹,无油迹、墨迹及锈斑,无粉化物对拉螺栓孔眼饰面清水混凝土排列整齐,孔洞封堵密实,凹孔棱角清楚圆滑观察、尺量明缝饰面清水混凝土位置规律、整齐、深度一致、水平交圈观察、尺量蝉缝饰面清水混凝土横平竖直、水平交圈、竖向成线观察、尺量3轴线位移墙柱梁普通清水混凝土6mm尺量饰面清水混凝土5mm尺量下载后可任意编辑施工单位检查评定结果主控项目全部合格,一般项目满足法律规范规定要求,经检查评定合格。项目专业 项目专业质量检查员: 技术负责人: 年 月 日监理(建设)单位验收结论验收合格专业监理工程师:(建设单位项目专业技术负责人) 年 月 日 续表5.10.15 清水混凝土结构外观及尺寸偏差检验批质量验收记录单位(子单位) 工程名称分部(子分部)工程名称分项工程名称验 收 部 位施工单位项...

1、当您付费下载文档后,您只拥有了使用权限,并不意味着购买了版权,文档只能用于自身使用,不得用于其他商业用途(如 [转卖]进行直接盈利或[编辑后售卖]进行间接盈利)。
2、本站所有内容均由合作方或网友上传,本站不对文档的完整性、权威性及其观点立场正确性做任何保证或承诺!文档内容仅供研究参考,付费前请自行鉴别。
3、如文档内容存在违规,或者侵犯商业秘密、侵犯著作权等,请点击“违规举报”。

碎片内容

清水混凝土结构外观及尺寸偏差检验批质量验收记录

您可能关注的文档

确认删除?
VIP
微信客服
  • 扫码咨询
会员Q群
  • 会员专属群点击这里加入QQ群
客服邮箱
回到顶部