电脑桌面
添加小米粒文库到电脑桌面
安装后可以在桌面快捷访问

港口码头用电磁吊设备方案VIP免费

港口码头用电磁吊设备方案_第1页
1/11
港口码头用电磁吊设备方案_第2页
2/11
港口码头用电磁吊设备方案_第3页
3/11
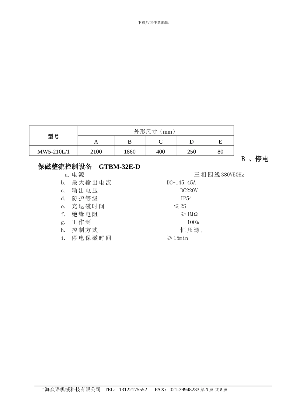
电 磁 吊 成 套 设 备技术方案 中 国 ﹒ 上 海上 海 众 语 机 械 科 技 有 限 公 司地 址 : 上 海 市 嘉 定 区 泰 云 路 255弄 26 号 电 话 : 13122175552 传 真 : 021-39948233 Http : //www. 众 语 .com E-mail:332137278@qq.com 用户要求:门座式起重机、卷取长度35米,室外使用,吸吊物料温度:常温一、选型依据及技术参数上海众语机械科技有限公司 TEL:13122175552 FAX:021-39948233 第 1 页 共 10 页下载后可任意编辑1 、每套设备选型及构成(带停电保磁装置)起 重 电 磁 铁 MW5-210L/1 1 台停 电 保 磁 整 流 控 制 设 备 GTBM-32E-D 1 套电 缆 卷 筒 JTB170-70-2-Ⅲ 1 台电 缆 连 接 器 DL-202 1 只2 、设备主要技术参数A 、电磁铁:MW5-210L/1 a.额 定 电 压 DC220V b.冷 态 功 率 28.4kw c.通 电 持 续 率 TD=60% d.工 作 条 件 : 常 温 e.绝 缘 等 级 H 级 f.实 际 重 量 5830kg g. 防 护 等 级 IP54 h.外 形 尺 寸 ( 直 径 ) Φ2100mm i.悬 挂 方 式 链 条 悬 挂j. 起 重 能 力 ( 冷 态 / 热 态 ):jj. 钢 球 : 21000kgjjj. 钢 锭 : 3500/2800kgjjjj. 废 钢 : 2200/1850kg 上海众语机械科技有限公司 TEL:13122175552 FAX:021-39948233 第 2 页 共 8 页下载后可任意编辑B 、停电保磁整流控制设备 GTBM-32E-Da. 电 源 三 相 四 线 380V50Hz b.最 大 输 出 电 流 DC-145.45A c.输 出 电 压 DC220V d.防 护 等 级 IP54 e.充 退 磁 时 间 ≤ 2S f.绝 缘 电 阻 ≥ 1MΩ g.工 作 制 100% h.控 制 方 式 恒 压 源 , i. 停 电 保 磁 时 间 ≥ 15min 上海众语机械科技有限公司 TEL:13122175552 FAX:021-39948233 第 3 页 共 8 页型号外形尺寸(mm)ABCDEMW5-210L/12100186040025080下载后可任意编辑 j. 充 电 控 制 方 式 双 闭 环 恒 压 限 流 自 动 充 电 k. 充电电压 DC0~300V 连续可调型 号外 形 尺 寸 ( mm )ABCDEFGTBM-32E-D11001050144504001750蓄电池架尺寸图 上海众语机械科技有限公司 TEL:13122175552 FAX:021-39948233 第 4 页 共 8 页下载后可任意编辑C 、 电缆卷筒:JTB170-70-2-Ⅲ a. 额 定 ...

1、当您付费下载文档后,您只拥有了使用权限,并不意味着购买了版权,文档只能用于自身使用,不得用于其他商业用途(如 [转卖]进行直接盈利或[编辑后售卖]进行间接盈利)。
2、本站所有内容均由合作方或网友上传,本站不对文档的完整性、权威性及其观点立场正确性做任何保证或承诺!文档内容仅供研究参考,付费前请自行鉴别。
3、如文档内容存在违规,或者侵犯商业秘密、侵犯著作权等,请点击“违规举报”。

碎片内容

港口码头用电磁吊设备方案

确认删除?
VIP
微信客服
  • 扫码咨询
会员Q群
  • 会员专属群点击这里加入QQ群
客服邮箱
回到顶部