电脑桌面
添加小米粒文库到电脑桌面
安装后可以在桌面快捷访问

2013年注册六西格玛黑带考试题VIP免费

2013年注册六西格玛黑带考试题_第1页
1/30
2013年注册六西格玛黑带考试题_第2页
2/30
2013年注册六西格玛黑带考试题_第3页
3/30
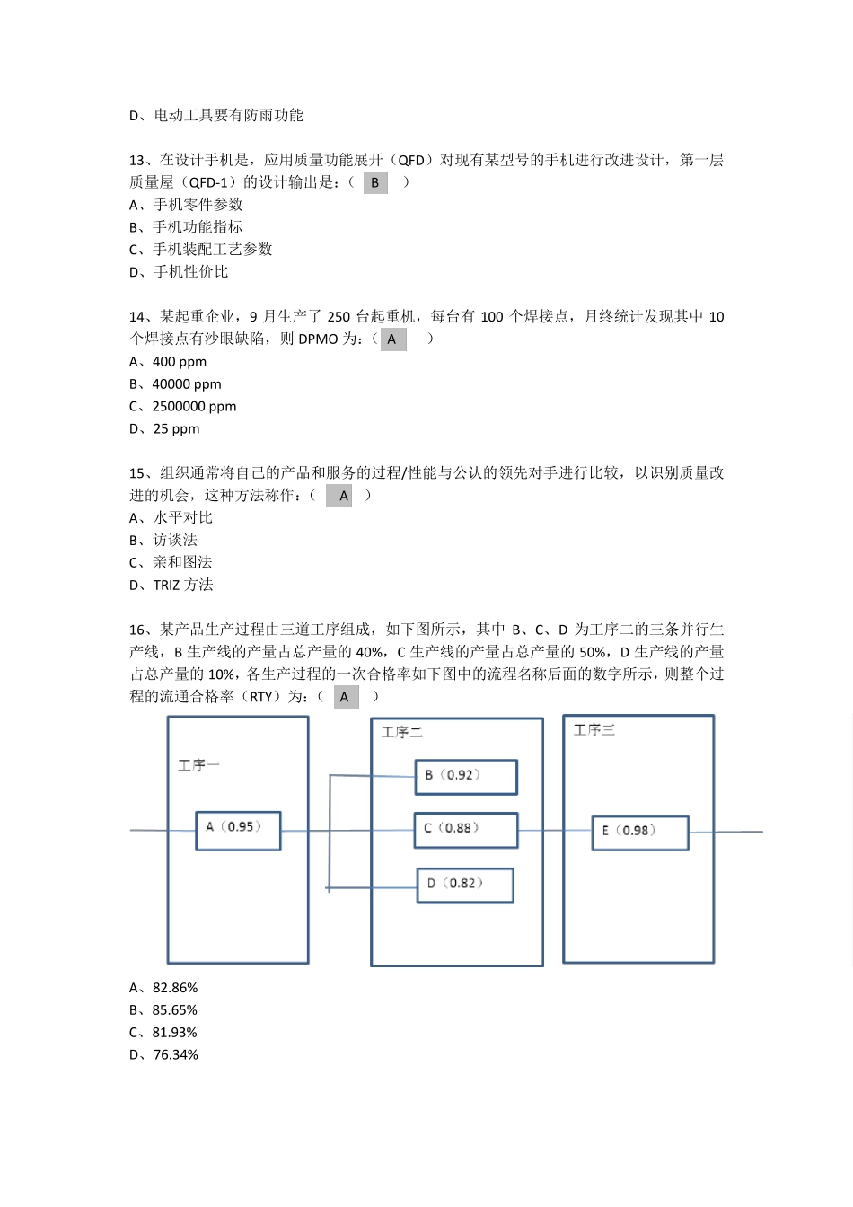
一、单选题(84 道题,84 分) 1、乔治.博克斯(George E.P.Box)(1919—2013)是著名统计学家,其一生对于统计学的贡献颇多,并在质量管理、六西格玛等领域有着重要的应用,其主要贡献领域是:( A ) A、试验设计 B、控制图 C、过程能力分析 D、测量系统分析 2、关于精益六西格玛的说法,正确的是:( D ) A、精益六西格玛就是同时推行精益生产和六西格玛管理 B、精益六西格玛要求精益生产要在六西格玛实施之前实施 C、精益生产适用于制造企业,精益六西格玛适用于所有企业和管理模式 D、精益六西格玛是将精益生产以及六西格玛理念和技术方法结合起来解决问题 3、解决问题的方法有许多,如质量管理小组、DMAIC、现场改善、快赢改善等,六西格玛项目常用的解决问题的方法步骤是 DMAIC 方法论,以下哪种情况更适用以 DMAIC 方法来解决?( C ) A、现场较为混乱缺乏秩序 B、产品有缺陷产生,但产生的原因和改进的方法比较清楚 C、服务响应时间波动较大且问题较为复杂 D、员工提出增加转运车已降低劳动强度 4、关于六西格玛管理中角色及职责的描述,以下不正确的是:( B ) A、倡导者是企业六西格玛推进的主要负责人,负责制定六西格玛的战略和规划,并为六西格玛的实施提供资源和扫除障碍 B、资深黑带负责从战略层面对六西格玛管理进行全面部署 C、黑带在六西格玛项目中组织、管理、激励和指导团队开展工作,负责团队的启动,管理团队的进展,为团队成员提供培训和辅导 D、业务负责人协助选择黑带、绿带,为其提供资源支持,确保过程改进能够落实,保持改进成果 5、在推进六西格玛管理的组织中,负责对六西格玛管理进行全面部署,为项目实施提供资源保障,是下述哪个角色的主要职责?( A ) A、倡导者 B、资深黑带 C、黑带 D、绿带 6、零缺陷的质量管理理论是由以下哪位质量专家提出来的?( D ) A、费根堡姆 B、朱兰 C、戴明 D、克劳斯比 7、新产品设计的三次设计思想,即系统设计、参数设计、容差设计,也就是系统地考虑问题,选择参数间的最优水平组合,确定最恰当的容差。这个思想由哪位质量大师提出的?( C ) A、修哈特 B、朱兰 C、田口玄一 D、石川馨 8、如果一个六西格玛项目拟缩短企业售出的保修期内的缺陷产品的返修时间,该过程涉及及企业的市场部、维修中心、技术中心、检测中心、生产车间等多个部门,在绘制详细流程图时,最合适的是:( B ) A、工序流程图 B、...

1、当您付费下载文档后,您只拥有了使用权限,并不意味着购买了版权,文档只能用于自身使用,不得用于其他商业用途(如 [转卖]进行直接盈利或[编辑后售卖]进行间接盈利)。
2、本站所有内容均由合作方或网友上传,本站不对文档的完整性、权威性及其观点立场正确性做任何保证或承诺!文档内容仅供研究参考,付费前请自行鉴别。
3、如文档内容存在违规,或者侵犯商业秘密、侵犯著作权等,请点击“违规举报”。

碎片内容

2013年注册六西格玛黑带考试题

确认删除?
VIP
微信客服
  • 扫码咨询
会员Q群
  • 会员专属群点击这里加入QQ群
客服邮箱
回到顶部