电脑桌面
添加小米粒文库到电脑桌面
安装后可以在桌面快捷访问

机械设备检查维修保养记录表VIP免费

机械设备检查维修保养记录表_第1页
1/14
机械设备检查维修保养记录表_第2页
2/14
机械设备检查维修保养记录表_第3页
3/14
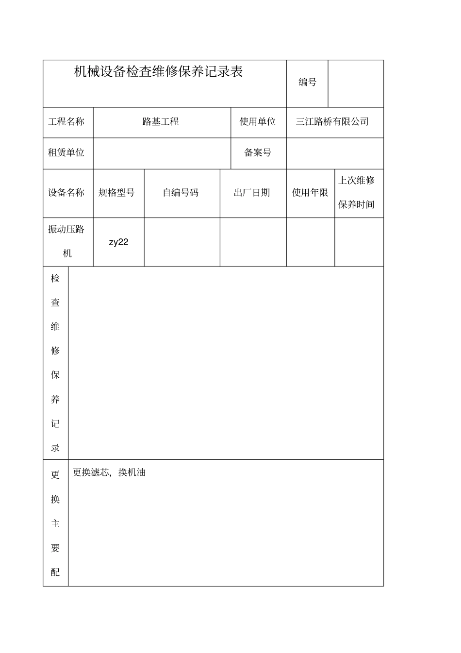
机械设备检查维修保养记录表编号工程名称路基工程使用单位三江路桥有限公司租赁单位备案号设备名称规格型号自编号码出厂日期使用年限上次维修保养时间振动压路机zy22 检查维修保养记录更换主要配更换滤芯,换机油件记录记录人年月日机械设备检查维修保养记录表编号工程名称路基工程使用单位三江路桥有限公司租赁单位备案号设备名称规格型号自编号码出厂日期使用年限上次维修保养时间卡特 320B检查维修保养记录离合器使用一段时间后,间隙有所增大, 清洗泵时漏水, 经适当调整后恢复正常。更换主要配件记录记录人年月日机械设备检查维修保养记录表编号工程名称路基工程使用单位三江路桥有限公司租赁单位备案号设备名称规格型号自编号码出厂日期使用年限上次维修保养时间装载机50L 检查维修保养记录转动轴易损件筒套磨损更换主要配件记录转动轴筒套更换记录人年月日机械设备检查维修保养记录表编号工程名称路基工程使用单位三江路桥有限公司租赁单位备案号设备名称规格型号自编号码出厂日期使用年限上次维修保养时间切断机检查维修保养记录转动轴易损件筒套磨损,清洗加油。更换主要配件记录转动轴筒套更换记录人年月日机械设备检查维修保养记录表编号工程名称路基工程使用单位三江路桥有限公司租赁单位备案号设备名称规格型号自编号码出厂日期使用年限上次维修保养时间推土机T802 检查维修保养记录电机接触器接触不良更换主要配更换交流接触器件记录记录人年月日机械设备检查维修保养记录表表 AQ-C9-15编号006 工程名称xxxxxx 使用单位xxxxxx 租赁单位xxxxx 备案号设备名称规格型号自编号码出厂日期使用年限上次维修保养时间塔吊QTZ63A xxxx1 xxxx xxxx xxxx 检查维修保养记录钢丝绳磨损,断丝超标更换主要配件记录更换钢丝绳记录人年月日施工机具安装验收表(其它中小型)表 AQ-C9-14 编号工程名称设备名称及型号总包单位分包单位租赁单位验收日期验收项目验收结果验收项目状况机架、机座电源部开关箱动力、传动部分一(二)次线长分度附件漏(触)电保护防护装置防护罩接零保护轴盖绝缘保护刃口保护操作场所空间、安装情况挡板阀验收结论验收人签字总包单位分包单位出租单位监理单位意见:符合验收程序,同意使用()不符合验收程序,重新组织验收()监理工程师:年月日施工机械安装验收表(木工设备)表 AQ-C9-13 编号工程名称验收日期总包单位分包单位租赁单位安装单位机具安装位置检查项目检查内容与要求验收结果安装符...

1、当您付费下载文档后,您只拥有了使用权限,并不意味着购买了版权,文档只能用于自身使用,不得用于其他商业用途(如 [转卖]进行直接盈利或[编辑后售卖]进行间接盈利)。
2、本站所有内容均由合作方或网友上传,本站不对文档的完整性、权威性及其观点立场正确性做任何保证或承诺!文档内容仅供研究参考,付费前请自行鉴别。
3、如文档内容存在违规,或者侵犯商业秘密、侵犯著作权等,请点击“违规举报”。

碎片内容

机械设备检查维修保养记录表

确认删除?
VIP
微信客服
  • 扫码咨询
会员Q群
  • 会员专属群点击这里加入QQ群
客服邮箱
回到顶部