电脑桌面
添加小米粒文库到电脑桌面
安装后可以在桌面快捷访问

条形基础钢筋绑扎VIP免费

条形基础钢筋绑扎_第1页
1/4
条形基础钢筋绑扎_第2页
2/4
条形基础钢筋绑扎_第3页
3/4
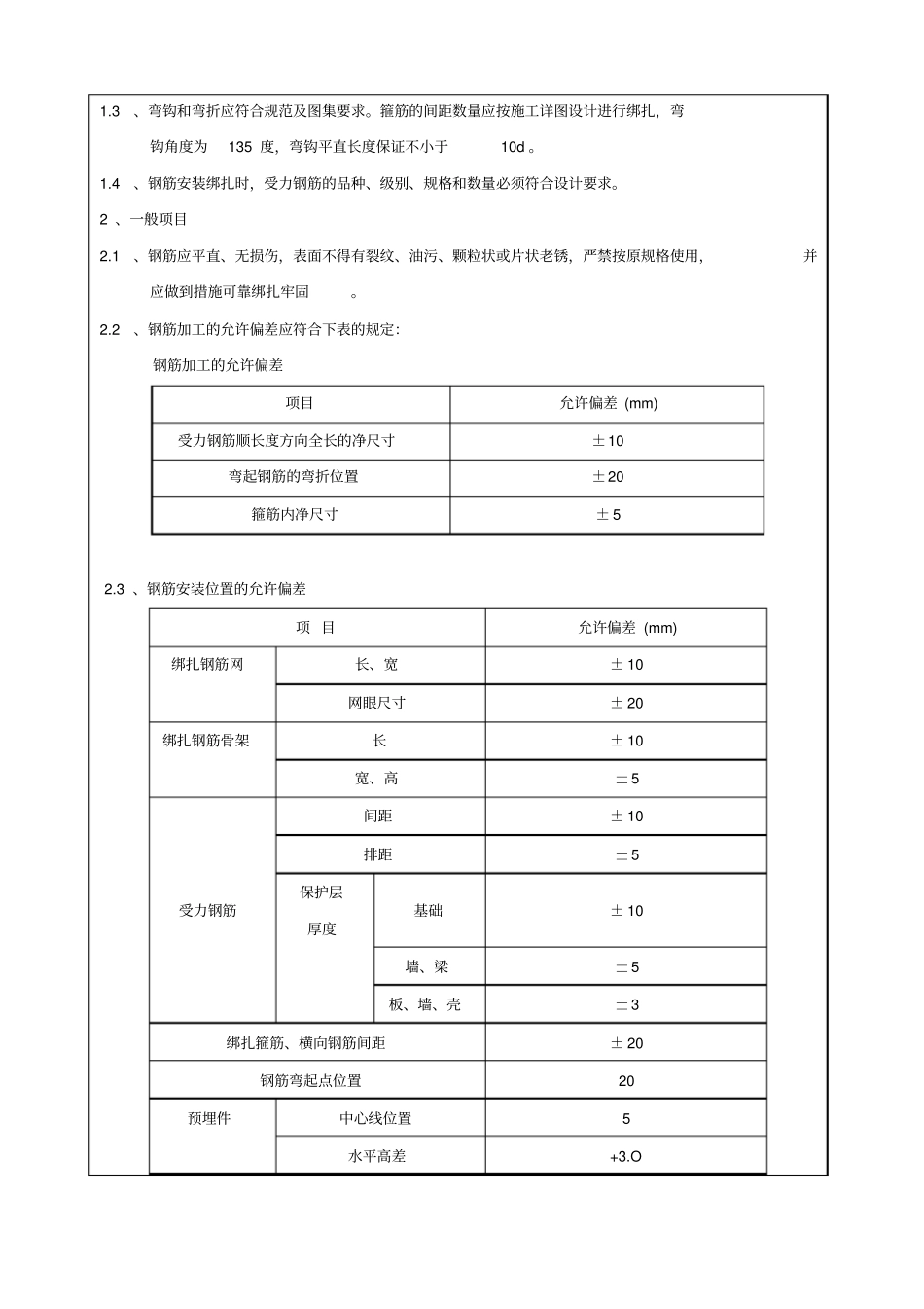
C2-4技术交底记录编号:工程名称金秋家园住宅小区(二期)5#、6#住宅楼日 期2016 年 11 月 25 日交底部位条形基础钢筋绑扎页 数3交底内容:一、作业条件条形基础模板轮廓线以放线完成,基槽以通过规划验线完成。二、材料及机具 1 、材料要求: 钢筋型号合格证检测报告及复试;钢筋型号有6.5 、6、8、、10、12、14、16、18、20、22、25、绑丝 22#。 2 、钢筋弯曲机、钢筋调直机、钢筋切断机、卷尺、绑钩等。三、工艺流程熟悉图纸→编制制作料表→选料→调直除锈→下料→条形基础底筋绑扎→基础地梁绑扎→暗柱筋、墙钢筋绑扎安装→垫块安装→自检隐蔽验收四、操作工艺通过图纸编制钢筋下料表,按照钢筋下料表对进场钢筋进行选取所使用的钢筋型号,选料完成后对已选钢筋进行调直除锈,钢筋调制后采用钢筋弯曲机和钢筋切断机进行下料;与此同时垫层混凝土已达到一定强度,并且条形基础施工放线已完成、并且模板施工中;铺条形基础底片钢筋网,待钢筋网绑扎完成后进行基础地梁钢筋绑扎及暗柱钢筋安装,暗柱钢筋按轴线位置核对进行安装,安装完成后用方木架成井字形,将暗柱钢筋固定在基础外架上;底部钢筋网片应用与混凝土保护层同厚度的水泥砂浆或塑料垫块垫塞,以保证位置正确,上下部垂直钢筋绑扎牢固,钢筋绑扎不允许漏扣,墙插筋除满足搭接要求外,应满足锚固长度与地方标准的要求。将墙筋固定在外脚手架上,确保垂直不变形。五、质量要求 1 、主控项目 1.1 、进场钢筋发现脆断或力学性能显著不正常等现象时,应对该批钢筋进行化学成分检验或其他专项检验。1.2 、钢筋下料尺寸、钢筋的型号、位置、排距、间距、根数、节点构造、锚固长度、搭接接头、 接头错位和绑扎牢固性以及保护层控制措施等。必须符合图纸、规范、图集与地方要求。 1.3、弯钩和弯折应符合规范及图集要求。箍筋的间距数量应按施工详图设计进行绑扎,弯钩角度为135 度,弯钩平直长度保证不小于10d 。 1.4、钢筋安装绑扎时,受力钢筋的品种、级别、规格和数量必须符合设计要求。 2 、一般项目 2.1、钢筋应平直、无损伤,表面不得有裂纹、油污、颗粒状或片状老锈,严禁按原规格使用,并应做到措施可靠绑扎牢固。 2.2、钢筋加工的允许偏差应符合下表的规定:钢筋加工的允许偏差项目允许偏差 (mm) 受力钢筋顺长度方向全长的净尺寸±10 弯起钢筋的弯折位置±20 箍筋内净尺寸± 5 2.3 、钢筋安装位置的允许偏差项 目允许偏差 (mm) 绑扎钢筋网长、...

1、当您付费下载文档后,您只拥有了使用权限,并不意味着购买了版权,文档只能用于自身使用,不得用于其他商业用途(如 [转卖]进行直接盈利或[编辑后售卖]进行间接盈利)。
2、本站所有内容均由合作方或网友上传,本站不对文档的完整性、权威性及其观点立场正确性做任何保证或承诺!文档内容仅供研究参考,付费前请自行鉴别。
3、如文档内容存在违规,或者侵犯商业秘密、侵犯著作权等,请点击“违规举报”。

碎片内容

条形基础钢筋绑扎

您可能关注的文档

确认删除?
VIP
微信客服
  • 扫码咨询
会员Q群
  • 会员专属群点击这里加入QQ群
客服邮箱
回到顶部