电脑桌面
添加小米粒文库到电脑桌面
安装后可以在桌面快捷访问

条形码设计制作试验报告VIP免费

条形码设计制作试验报告_第1页
1/4
条形码设计制作试验报告_第2页
2/4
条形码设计制作试验报告_第3页
3/4
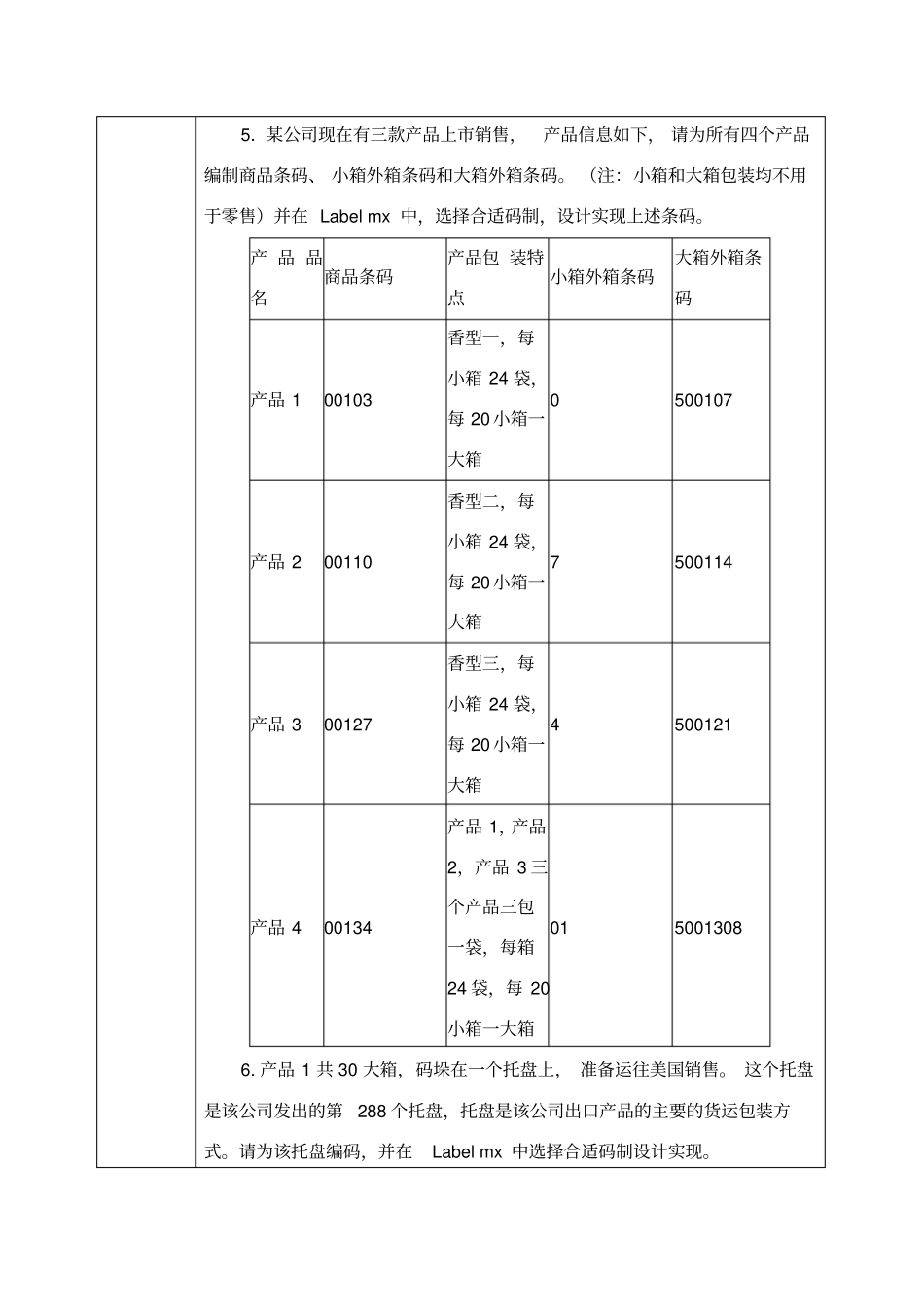
课 程 实 验 报 告专 业 年 级 2010级工商管理学院物流管理专业课 程 名 称物流信息技术指 导 教 师何旭学 生 姓 名朱文洁学 号 1045 实 验 日 期 2013-3-20 实 验 地 点 A12勤学楼 E3-30 实 验 成 绩教务处制二 OO 年月日实验项目名称条形码设计制作实验实验目的及要求( 一)掌握条码编制软件的安装和基本操作使用方法;( 二)熟悉各种条码的类型;( 三)掌握普通商品条码的编码, 并熟悉使用条码设计软件实现其批量编制与打印;掌握用条码编制软件设计生成物流标签。实验内容进入软件帮助文档,阅读“菜单介绍” 、“标签的创建”、“标签的编辑”三个子目录,并在软件中进行相关的操作验证,以学会软件的基本使用方法;1.在软件中编制显示任意解释行的四种商品条码(EAN-13,EAN-8,UPC-A,UPC-E)。2 . 在 软 件 中 编 制 显 示 任 意 解 释 行 的 多 种 物 流 单 元 条 码(ITF-14,EAN/UCC128,库德巴码, SSCC-18)。3.在软件中编制显示信息内容为本人班级学号姓名的PDF417码、QR Code码、Data Matrix 码、Maxi Code码并显示,对于其中QR Code码,双击打开PsQREdit_chs 软件,用屏幕抓取方式识读验证其内容。4.某服装企业主要生产西服, 其向中国物品编码中心申请获得的厂商识别代码为,商品项目代码目前已使用到第0069 号,下表是企业近期订单的情况,请为该笔订单涉及到的商品编制商品条码。商品条码名 称面料规格007021 品牌男西服B 2163A58B007191 品牌男西服B 2163A56B007261 品牌男西服B 2163A54B007332 品牌男西裤W 2389A33/44007402 品牌男西裤W 2389A33/45007572 品牌男西裤W 2389A33/465.某公司现在有三款产品上市销售,产品信息如下, 请为所有四个产品编制商品条码、 小箱外箱条码和大箱外箱条码。 (注:小箱和大箱包装均不用于零售)并在 Label mx 中,选择合适码制,设计实现上述条码。产 品 品名商品条码产品包 装特点小箱外箱条码大箱外箱条码产品 100103香型一,每小箱 24 袋,每 20 小箱一大箱0500107产品 200110香型二,每小箱 24 袋,每 20 小箱一大箱7500114产品 300127香型三,每小箱 24 袋,每 20 小箱一大箱4500121产品 400134产品 1,产品2,产品 3 三个产品三包一袋,每箱24 袋,每 20小箱一大箱0150013086. 产品 1 共 30 大箱,码垛在一个托盘上, 准备运往美国销售。 这个托盘...

1、当您付费下载文档后,您只拥有了使用权限,并不意味着购买了版权,文档只能用于自身使用,不得用于其他商业用途(如 [转卖]进行直接盈利或[编辑后售卖]进行间接盈利)。
2、本站所有内容均由合作方或网友上传,本站不对文档的完整性、权威性及其观点立场正确性做任何保证或承诺!文档内容仅供研究参考,付费前请自行鉴别。
3、如文档内容存在违规,或者侵犯商业秘密、侵犯著作权等,请点击“违规举报”。

碎片内容

条形码设计制作试验报告

您可能关注的文档

确认删除?
VIP
微信客服
  • 扫码咨询
会员Q群
  • 会员专属群点击这里加入QQ群
客服邮箱
回到顶部