电脑桌面
添加小米粒文库到电脑桌面
安装后可以在桌面快捷访问

球罐施工方案VIP免费

球罐施工方案_第1页
1/24
球罐施工方案_第2页
2/24
球罐施工方案_第3页
3/24
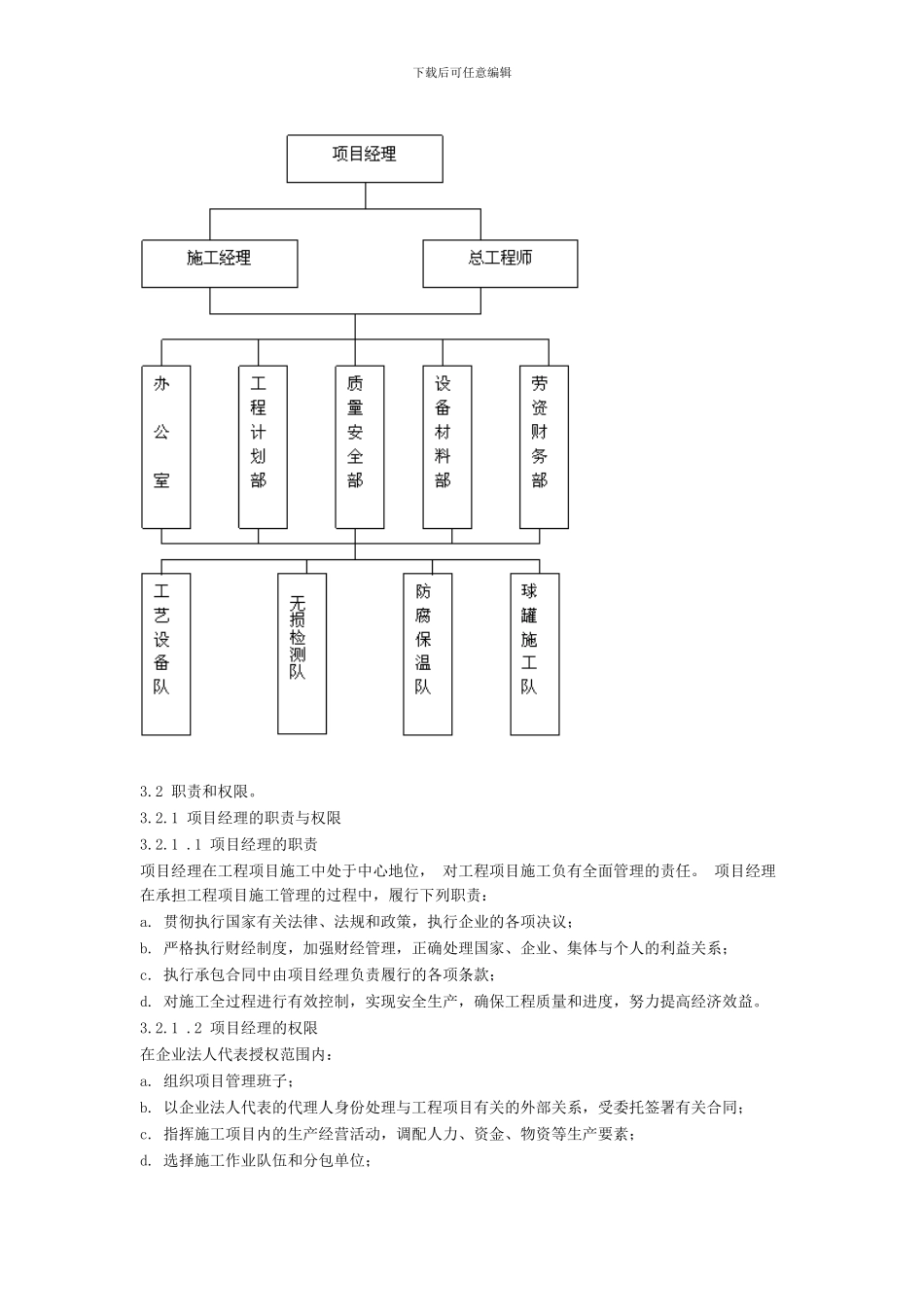
下载后可任意编辑技术标目录 1 工程项目概况2 采纳的主要标准法律规范3 现场组织机构3.1 现场施工组织机构图4. 球罐安装施工方案5 工程施工进度计划表6. 球罐安装管理人员动员计划 7 施工机具设备、材料动员计划7.1 现场安装主要施工机械设备表7.2 球罐安装主要检测工具表8 质量保证措施(略)9 安全措施和文明施工(略)1 工程项目概况。 下载后可任意编辑2 采纳的主要标准法律规范。 施工用主要法律规范及技术文件 《压力容器安全技术监察规程 (99) 》 GB150 - 1998 《钢制压力容器》 GB12337-98 《钢制球形储罐》 GB50094-98 《球形储罐施工及验收法律规范》 JB4708-92 《钢制压力容器焊接工艺评定》 JB/T4709-92 《钢制压力容器焊接规程》 JB4730-94 《压力容器无损探伤》 劳动部颁发《锅炉压力容器焊工考试规则》 SHJ514-90 《石油化工设备安装工程质量检验评定标准》 HGJ233-87 、 SHJ505-87 《炼油、化工施工安全规程》 Q/HSJ202.02.23-1999 公司《质量手册》 GB985 — 88 《手工电弧焊焊接接头的基本型式与尺寸》 GB986 — 88 《埋弧焊焊接接头的基本型式与尺寸》 3 现场组织机构。 3.1 现场施工组织机构图。 下载后可任意编辑3.2 职责和权限。 3.2.1 项目经理的职责与权限 3.2.1 .1 项目经理的职责 项目经理在工程项目施工中处于中心地位, 对工程项目施工负有全面管理的责任。 项目经理在承担工程项目施工管理的过程中,履行下列职责: a. 贯彻执行国家有关法律、法规和政策,执行企业的各项决议; b. 严格执行财经制度,加强财经管理,正确处理国家、企业、集体与个人的利益关系; c. 执行承包合同中由项目经理负责履行的各项条款; d. 对施工全过程进行有效控制,实现安全生产,确保工程质量和进度,努力提高经济效益。 3.2.1 .2 项目经理的权限 在企业法人代表授权范围内: a. 组织项目管理班子; b. 以企业法人代表的代理人身份处理与工程项目有关的外部关系,受委托签署有关合同; c. 指挥施工项目内的生产经营活动,调配人力、资金、物资等生产要素; d. 选择施工作业队伍和分包单位; 下载后可任意编辑e. 在不违反国家和企业要求的条件下,建立和实施项目内部的经济责任制和分配办法。 3.2.2 施工经理的职责与权限 a. 组织施工人员贯彻执行国家、行业及企业颁发的各种技术标准、规程、法律规范。 b. 施工经理是施工作业的全面指...

1、当您付费下载文档后,您只拥有了使用权限,并不意味着购买了版权,文档只能用于自身使用,不得用于其他商业用途(如 [转卖]进行直接盈利或[编辑后售卖]进行间接盈利)。
2、本站所有内容均由合作方或网友上传,本站不对文档的完整性、权威性及其观点立场正确性做任何保证或承诺!文档内容仅供研究参考,付费前请自行鉴别。
3、如文档内容存在违规,或者侵犯商业秘密、侵犯著作权等,请点击“违规举报”。

碎片内容

球罐施工方案

办公文档专营+ 关注
实名认证
内容提供者

大量办公文档,欢迎选择

确认删除?
VIP
微信客服
  • 扫码咨询
会员Q群
  • 会员专属群点击这里加入QQ群
客服邮箱
回到顶部