电脑桌面
添加小米粒文库到电脑桌面
安装后可以在桌面快捷访问

福建省高速公路施工标准化管理指南VIP免费

福建省高速公路施工标准化管理指南_第1页
1/66
福建省高速公路施工标准化管理指南_第2页
2/66
福建省高速公路施工标准化管理指南_第3页
3/66
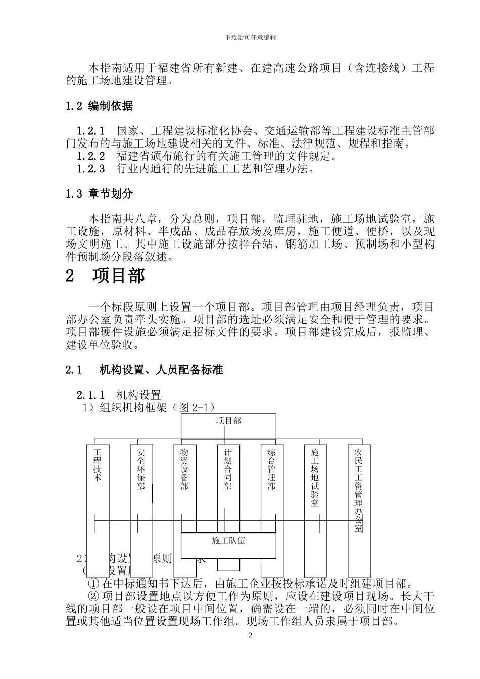
下载后可任意编辑 1 总则1.1 目的及适用范围1.1.1 目的为法律规范高速公路施工场地建设,提高管理水平,保证施工质量,编制本指南。1.1.2 适用范围1精品 word 文档可以编辑(本页是封面)【最新资料 Word 版 可自由编辑!!】下载后可任意编辑本指南适用于福建省所有新建、在建高速公路项目(含连接线)工程的施工场地建设管理。1.2 编制依据1.2.1 国家、工程建设标准化协会、交通运输部等工程建设标准主管部门发布的与施工场地建设相关的文件、标准、法律规范、规程和指南。1.2.2 福建省颁布施行的有关施工管理的文件规定。1.2.3 行业内通行的先进施工工艺和管理办法。1.3 章节划分本指南共八章,分为总则,项目部,监理驻地,施工场地试验室,施工设施,原材料、半成品、成品存放场及库房,施工便道、便桥,以及现场文明施工。其中施工设施部分按拌合站、钢筋加工场、预制场和小型构件预制场分段落叙述。2 项目部一个标段原则上设置一个项目部。项目部管理由项目经理负责,项目部办公室负责牵头实施。项目部的选址必须满足安全和便于管理的要求。项目部硬件设施必须满足招标文件的要求。项目部建设完成后,报监理、建设单位验收。2.1 机构设置、人员配备标准2.1.1 机构设置1)组织机构框架(图 2-1) 图 2-1 组织机构框架图2)机构设置的原则和要求(1)设置原则① 在中标通知书下达后,由施工企业按投标承诺及时组建项目部。② 项目部设置地点以方便工作为原则,应设在建设项目现场。长大干线的项目部一般设在项目中间位置,确需设在一端的,必须同时在中间位置或其他适当位置设置现场工作组。现场工作组人员隶属于项目部。2项目部工程技术安全环保部物资设备部计划合同部综合管理部施工场地试验室农民工工资管理办公室施工队伍下载后可任意编辑(2)设置要求① 项目部一般应设置“五部二室”,即工程技术部、安全环保部、物资设备部、计划合同部、综合管理部和施工场地试验室、农民工工资管理办公室。② 项目部成立管理小组,加强组织领导,强化过程控制,建立健全项目部管理体系、管理制度,落实责任。2.1.2 人员配备1)项目部人员配备的原则项目部应根据投标承诺以及工程实际需要,配置项目部主要负责人、部室负责人及其他人员。(1)项目部人员配备应根据投标时的成耨哦,在基本配备的基础上,再根据工程规模、工程进展阶段,实行专业调配。(2)根据人员管理培训要求,建立考核、培训、培育机制,在促进在岗工...

1、当您付费下载文档后,您只拥有了使用权限,并不意味着购买了版权,文档只能用于自身使用,不得用于其他商业用途(如 [转卖]进行直接盈利或[编辑后售卖]进行间接盈利)。
2、本站所有内容均由合作方或网友上传,本站不对文档的完整性、权威性及其观点立场正确性做任何保证或承诺!文档内容仅供研究参考,付费前请自行鉴别。
3、如文档内容存在违规,或者侵犯商业秘密、侵犯著作权等,请点击“违规举报”。

碎片内容

福建省高速公路施工标准化管理指南

您可能关注的文档

确认删除?
VIP
微信客服
  • 扫码咨询
会员Q群
  • 会员专属群点击这里加入QQ群
客服邮箱
回到顶部