电脑桌面
添加小米粒文库到电脑桌面
安装后可以在桌面快捷访问

第18讲-施工设备、设施的安全管理、建设施工安全检查评分VIP免费

第18讲-施工设备、设施的安全管理、建设施工安全检查评分_第1页
1/9
第18讲-施工设备、设施的安全管理、建设施工安全检查评分_第2页
2/9
第18讲-施工设备、设施的安全管理、建设施工安全检查评分_第3页
3/9
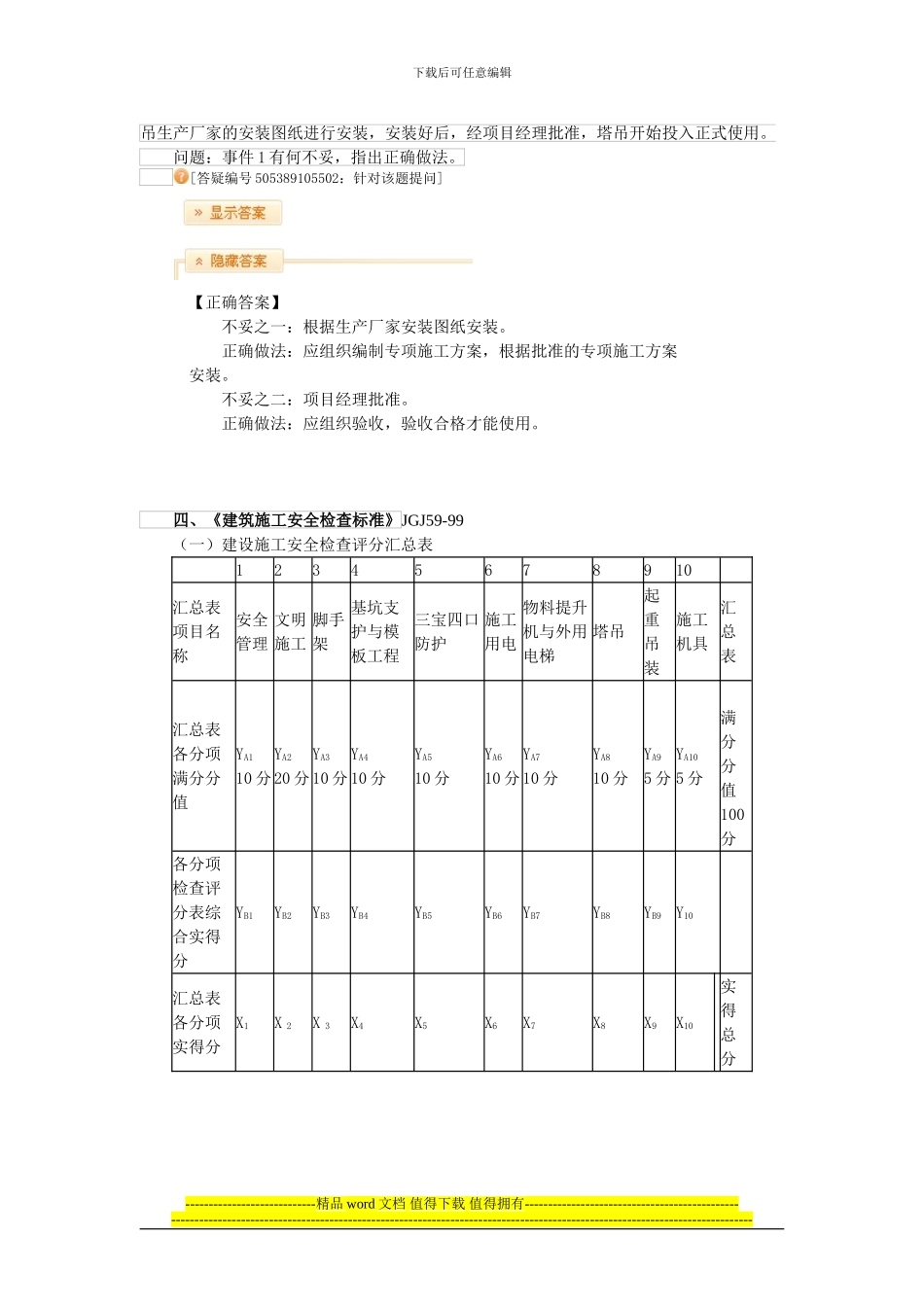
下载后可任意编辑本页为作品封面,下载后可以自由编辑删除,欢迎下载!!! 精 品文档1【精品 word 文档、可以自由编辑!】三、施工设备、设施的安全管理 1. 脚手架塔吊施工电梯物料提升机施工方案H≥24m悬挑安拆安拆安拆安拆施工人员特别工种(架子工)特别工种特别工种特别工种司机等人员 司机/信号工/司索工司机操作工等验收需要需要需要需要----------------------------精品 word 文档 值得下载 值得拥有---------------------------------------------------------------------------------------------------------------------------------------------------------------------------下载后可任意编辑 2.脚手架安全管理(顺口溜) 先培训,后入行。 先教育,后上岗。 先方案,后实施。 先交底,再搭设。 先验收,后使用。 分阶段,再检查。 口诀: 六一节前后开始加高 ①基础完工后,脚手架搭设前 ②作业层上施加荷载前 ③每搭设 6-8m 高度后 ④达到设计高度后 ⑤遇到六级大风大雨后 ⑥寒冷地区开冻后 ⑦停用超过一个月 案例 1 某工程,施工外脚手架采纳落地双排钢管扣件式脚手架,设计高度为 28m。合同工期为 2024 年 1 月 1 日至 2024 年 6 月 30 日。施工过程中,发生了如下事件: 事件 1:2024 年 10 月 18 日下午 3:00 脚手架搭设高度达到设计高度,当天下午 4:00,经项目经理组织验收确认了验收合格,同意使用。当天夜里,下了一场暴雨并伴有 6级大风。 2024 年 10 月 19 日上午上班后,安全员提议再对脚手架进行检查一次。 事件 2:2024 年 10 月 19 日上午上班后,项目经理要求相关人员对脚手架立杆的沉降偏差进行检查。 问题: 1.事件 1 中,项目经理的做法是否正确。 2.事件 1 中,安全员的提议是否正确。 3.事件 2 中,项目经理的做法是否正确。 4.事件 2 中,还应对脚手架立杆做哪些检查。 [答疑编号 505389105501:针对该题提问]【正确答案】1.正确。达到设计高度后,应组织检查验收。 2.正确。伴有 6 级大风大雨后,应在组织检查。 3.正确。检查时,对 H>24m 以上的脚手架立杆沉降偏差应进行检查。 4.立杆是否悬空,立杆的垂直度偏差也须检查。 案例 2 某工程,地下一层,地上十层。施工期间发生了如下事件: 事件 1,开工后一个月,项目部组织了一台塔吊进场,项目经理要求安装人员根据塔--------------------------...

1、当您付费下载文档后,您只拥有了使用权限,并不意味着购买了版权,文档只能用于自身使用,不得用于其他商业用途(如 [转卖]进行直接盈利或[编辑后售卖]进行间接盈利)。
2、本站所有内容均由合作方或网友上传,本站不对文档的完整性、权威性及其观点立场正确性做任何保证或承诺!文档内容仅供研究参考,付费前请自行鉴别。
3、如文档内容存在违规,或者侵犯商业秘密、侵犯著作权等,请点击“违规举报”。

碎片内容

第18讲-施工设备、设施的安全管理、建设施工安全检查评分

范哲铺+ 关注
实名认证
内容提供者

想你所想,急你所急,你需要的都在店铺里可以找到。

确认删除?
VIP
微信客服
  • 扫码咨询
会员Q群
  • 会员专属群点击这里加入QQ群
客服邮箱
回到顶部