电脑桌面
添加小米粒文库到电脑桌面
安装后可以在桌面快捷访问

第一篇架空线路安装工程施工记录及质量验评表VIP免费

第一篇架空线路安装工程施工记录及质量验评表_第1页
1/20
第一篇架空线路安装工程施工记录及质量验评表_第2页
2/20
第一篇架空线路安装工程施工记录及质量验评表_第3页
3/20
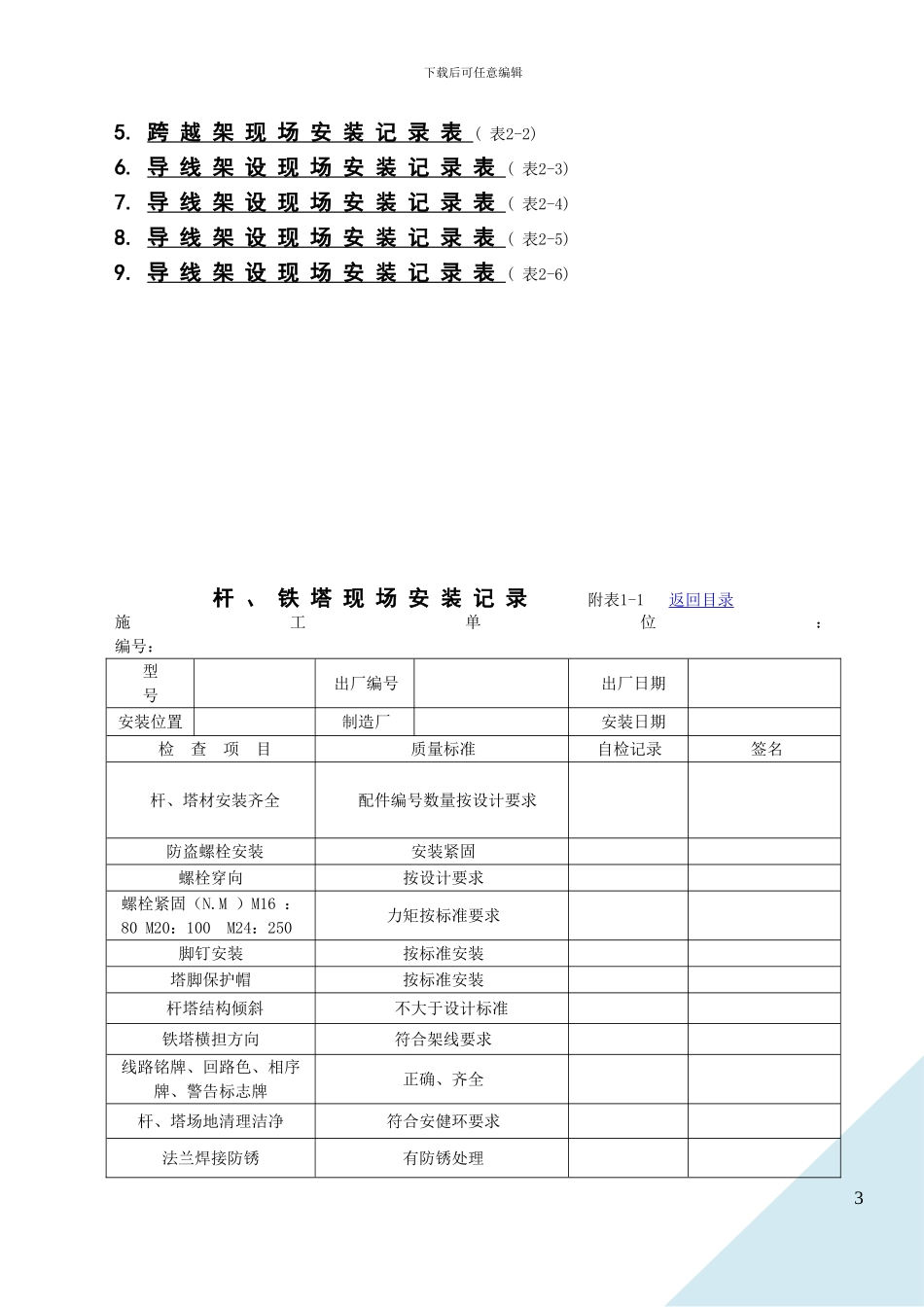
15 目 录1. 杆 、 铁 塔 现 场 安 装 记 录 附表1-12. 混 凝 土 杆 现 场 安 装 记 录 附表1-23. 杆 、 塔 拉 线 现 场 安 装 记 录 附表1-34. 导 线 架 设 现 场 安 装 记 录 表 ( 表2-1)精品 word 文档可以编辑(本页是封面)【最新资料 Word 版 可自由编辑!!】3下载后可任意编辑5. 跨 越 架 现 场 安 装 记 录 表 ( 表2-2)6. 导 线 架 设 现 场 安 装 记 录 表 ( 表2-3)7. 导 线 架 设 现 场 安 装 记 录 表 ( 表2-4)8. 导 线 架 设 现 场 安 装 记 录 表 ( 表2-5)9. 导 线 架 设 现 场 安 装 记 录 表 ( 表2-6)杆 、 铁 塔 现 场 安 装 记 录 附表1-1 返回目录施工单位: 编号:型 号出厂编号出厂日期安装位置制造厂安装日期检 查 项 目质量标准自检记录签名杆、塔材安装齐全配件编号数量按设计要求防盗螺栓安装安装紧固螺栓穿向按设计要求螺栓紧固(N.M )M16 :80 M20:100 M24:250力矩按标准要求脚钉安装按标准安装塔脚保护帽按标准安装杆塔结构倾斜 不大于设计标准铁塔横担方向符合架线要求线路铭牌、回路色、相序牌、警告标志牌正确、齐全杆、塔场地清理洁净符合安健环要求法兰焊接防锈有防锈处理3下载后可任意编辑电杆连接无弯曲无弯曲∏杆根开、迈步符合设计要求回填土质一般或流沙土质处理备注验收意见:现场质安员签名: 日期:填写说明:1 、本项目施工人员所检查项目与相对应质量标准是否符合,将结果记录在“自检记录”栏中:符合的记录为“√”,不符合的记录为“×”,本工序不存在的检查项目记录为“-”,并签名确认。2 、当所有检查项目均符合质量标准要求时,由现场质安员在“现场质安员验收意见”栏记录为“合格”,否则记录为“不合格”,并提出整改意见和签名确认。3 、涉及重要参数,按实测数据记录15混 凝 土 杆 现 场 安 装 记 录 附表1-2 返回目录施工单位: 编号: 型 号出厂编号出厂日期安装位置制造厂安装日期检 查 项 目质量标准自检记录签名杆规格与质量 设计值: 一1%底盘坑深 设计值:+100mm,-50mm根开 设计值:±30 mm 底盘迈步 30 mm 二底盘间高差 20 mm回填土质一般或流沙土质卡盘规格埋深与上 设计值: ±50mm中 设计值: ±50mm下 设计值: ±50mm回填土 按法律规范要求施工备注验收意见:现场质安员签名:...

1、当您付费下载文档后,您只拥有了使用权限,并不意味着购买了版权,文档只能用于自身使用,不得用于其他商业用途(如 [转卖]进行直接盈利或[编辑后售卖]进行间接盈利)。
2、本站所有内容均由合作方或网友上传,本站不对文档的完整性、权威性及其观点立场正确性做任何保证或承诺!文档内容仅供研究参考,付费前请自行鉴别。
3、如文档内容存在违规,或者侵犯商业秘密、侵犯著作权等,请点击“违规举报”。

碎片内容

第一篇架空线路安装工程施工记录及质量验评表

您可能关注的文档

确认删除?
VIP
微信客服
  • 扫码咨询
会员Q群
  • 会员专属群点击这里加入QQ群
客服邮箱
回到顶部