电脑桌面
添加小米粒文库到电脑桌面
安装后可以在桌面快捷访问

综合楼+临时用电施工方案VIP免费

综合楼+临时用电施工方案_第1页
1/10
综合楼+临时用电施工方案_第2页
2/10
综合楼+临时用电施工方案_第3页
3/10
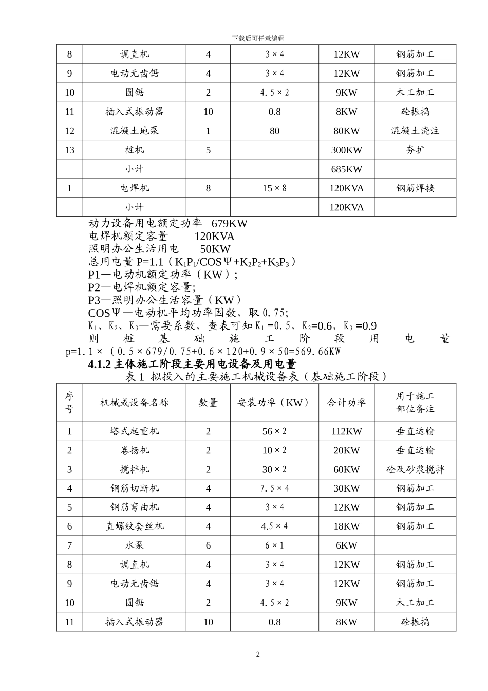
下载后可任意编辑1 工程概况哈尔滨开发区软件及服务外包项目——综合服务楼工程,建设单位为哈尔滨开发区合力基础设施进展有限公司,设计单位为哈尔滨工业大学建筑设计讨论院,监理单位为哈尔滨市爱迪工程监理公司,施工单位为湖南省工业设备安装有限公司。工程地点位于哈尔滨市平房开发区大连北路与松花路交角处,为一类公共建筑,建筑物耐火等级为一级,抗震设防裂度 6 度,结构形式采纳了现浇钢筋混凝土框架剪力墙结构,结构安全等级为二级,建筑设计使用年限为 50年,属于节能建筑。本工程按平面形式呈矩型,座北朝南,总长度 136 米,总宽度 68 米,总占地面积 9630 平方米,总建筑面积 41359.32 平方米,其中地下 9630.32 平方米,地上 31729 平方米。建筑物地上 4 层,地下 1 层。本工程基础采纳了载体桩,主体结构为现浇混凝土框架结构。2 编制依据2.1 《施工现场临时用电安全技术法律规范》(JGJ46-2024)。2.2 《建设工程施工现场供用电安全法律规范》2.2 《哈尔滨开发区软件及服务外包项目—综合楼一期学院楼工程施工组织设计》3 现场勘控3.1 本工程占地面积较大,纵横向距离较长。3.2 地形较平坦,附近有在建工程,经各方确认地下无上下水、管道或其它管线。3.3 现场四周无外电架空线路,安全距离符合法律规范要求。根据施工现场具体情况和平面布置,用电分生活照明、动力设备两部分,生活办公区单独设一个二级配电箱,施工作业区照明设一个配电箱,动力设备二级配电箱拟采纳三个,分别接触开关箱至各用电设备。4 用电负荷计算4.1 拟投入的主要用电施工机械设备及用电量4.1.1 基础施工阶段主要用电设备及用电量表 1 拟投入的主要施工机械设备表(基础施工阶段)序号机械或设备名称数量安装功率(KW)合计功率用于施工部位备注1塔式起重机256×2112KW垂直运输2卷扬机210×220KW垂直运输3搅拌机230×260KW砼及砂浆搅拌4钢筋切断机47.5×430KW钢筋加工5钢筋弯曲机43×412KW钢筋加工6直螺纹套丝机44.5×418KW钢筋加工7水泵66×16KW1下载后可任意编辑8调直机43×412KW钢筋加工9电动无齿锯43×412KW钢筋加工10圆锯24.5×29KW木工加工11插入式振动器100.88KW砼振捣12混凝土地泵18080KW混凝土浇注13桩机5300KW 夯扩小计685KW1电焊机815×8120KVA钢筋焊接小计120KVA动力设备用电额定功率 679KW电焊机额定容量 120KVA照明办公生活用电 50KW总用电量 P=1.1(K1P1/COSΨ+K2P2+K3P3)P1—电动机额定功率(KW...

1、当您付费下载文档后,您只拥有了使用权限,并不意味着购买了版权,文档只能用于自身使用,不得用于其他商业用途(如 [转卖]进行直接盈利或[编辑后售卖]进行间接盈利)。
2、本站所有内容均由合作方或网友上传,本站不对文档的完整性、权威性及其观点立场正确性做任何保证或承诺!文档内容仅供研究参考,付费前请自行鉴别。
3、如文档内容存在违规,或者侵犯商业秘密、侵犯著作权等,请点击“违规举报”。

碎片内容

综合楼+临时用电施工方案

您可能关注的文档

确认删除?
VIP
微信客服
  • 扫码咨询
会员Q群
  • 会员专属群点击这里加入QQ群
客服邮箱
回到顶部