电脑桌面
添加小米粒文库到电脑桌面
安装后可以在桌面快捷访问

网架施工组织设计1VIP免费

网架施工组织设计1_第1页
1/14
网架施工组织设计1_第2页
2/14
网架施工组织设计1_第3页
3/14
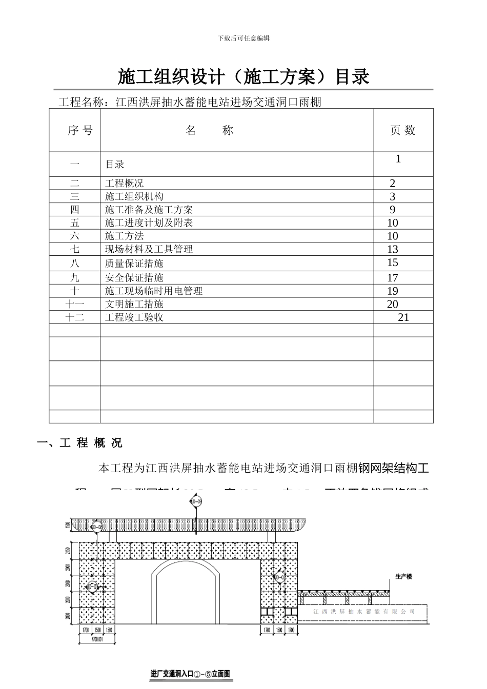
下载后可任意编辑施工组织设计(施工方案)目录工程名称:江西洪屏抽水蓄能电站进场交通洞口雨棚序 号名 称页 数一目录 1二工程概况 2三施工组织机构 3四施工准备及施工方案 9五施工进度计划及附表 10六施工方法 10七现场材料及工具管理 13八质量保证措施 15 九安全保证措施 17十施工现场临时用电管理 19十一文明施工措施 20十二工程竣工验收21 一、工 程 概 况本工程为江西洪屏抽水蓄能电站进场交通洞口雨棚钢网架结构工程,一层 U 型网架长 28.5m,宽 13.5 m,由 1.5 m 正放四角锥网格组成,网架上弦中心标高 9.75 m;二层网架长 29.5,宽 14.75m,由 1m 正放四角锥网格组成,网架上弦中心标高 12.75 m。----------------------------精品 word 文档 值得下载 值得拥有---------------------------------------------------------------------------------------------------------------------------------------------------------------------------下载后可任意编辑1、设计依据及施工标准 为了确保工程设计科学合理,施工质量优良,从图纸设计、生产制作到现场施工、验收、我公司引用以下有关法律规范和依据。 (1)《建筑结构荷载法律规范》GBJ9—87 (2)《网架结构设计与施工法律规范》JGJ7—91 (3)《钢网架螺栓球节点用高强螺栓》GB/T16939(4)《钢结构工程施工质量验收法律规范》GB50205—2001(5)《起重机械实验法律规范和程序》GB5905-86(6)《钢结构设计法律规范》GBJ17-88(7)《钢网架行业标准》JGJ75.1-75.3-91 (8)《油漆防腐通用技术施工及验收法律规范》Q/FB77—782、材料选择与生产质量(1)材料选择与采购a.网架管材选用 Q235B 钢,采纳高频焊管和无缝钢管b.高强度螺栓选用 40Cr。 c.螺栓球、无纹螺母选用 45 号钢材d.封板、锥头选用 Q235 钢材e.焊条选用:Q235 钢材之间焊接选用 E4303 焊条,Q235 钢与 45 号钢材之间焊接选用 E5016 焊条(2)生产加工说明材料采购要严格根据设计要求,选择信誉好质量可靠的厂家产品,所购材料必需有质保书,钢材进厂后要及时做理化试验和力学抗拉试验,其性能应达到国家标准,否则不准加工生产,材料保管不得淋雨以防锈蚀,构件出厂要经过严格检测,并附有出厂合格证、生产记录和检验报告。(3)网架加工质量要求:网架生产制作应根据《网架结构设计与施工规程》JGJ7—91、《网架结构工程质量检验评定标准》JGJ78—91 的...

1、当您付费下载文档后,您只拥有了使用权限,并不意味着购买了版权,文档只能用于自身使用,不得用于其他商业用途(如 [转卖]进行直接盈利或[编辑后售卖]进行间接盈利)。
2、本站所有内容均由合作方或网友上传,本站不对文档的完整性、权威性及其观点立场正确性做任何保证或承诺!文档内容仅供研究参考,付费前请自行鉴别。
3、如文档内容存在违规,或者侵犯商业秘密、侵犯著作权等,请点击“违规举报”。

碎片内容

网架施工组织设计1

确认删除?
VIP
微信客服
  • 扫码咨询
会员Q群
  • 会员专属群点击这里加入QQ群
客服邮箱
回到顶部