电脑桌面
添加小米粒文库到电脑桌面
安装后可以在桌面快捷访问

设备管道防腐保温或保冷涂漆施工隐蔽验收记录VIP免费

设备管道防腐保温或保冷涂漆施工隐蔽验收记录_第1页
1/2
设备管道防腐保温或保冷涂漆施工隐蔽验收记录_第2页
2/2
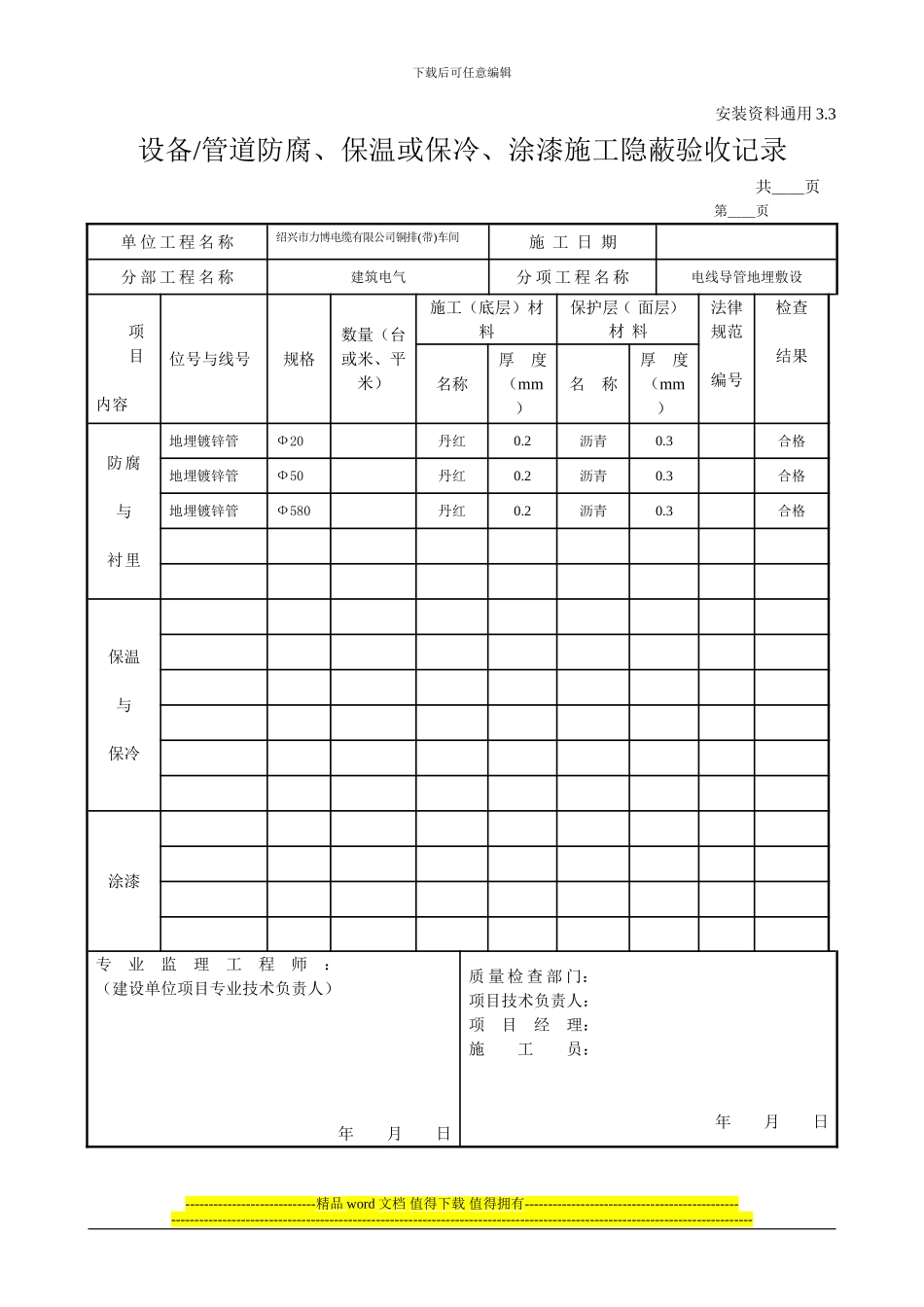
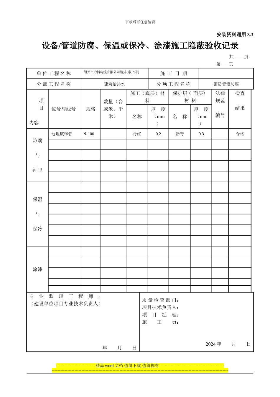
下载后可任意编辑 安装资料通用 3.3设备/管道防腐、保温或保冷、涂漆施工隐蔽验收记录 共__页 第__页单 位 工 程 名 称绍兴市力博电缆有限公司铜排(带)车间施 工 日 期分 部 工 程 名 称建筑电气分 项 工 程 名 称电线导管地埋敷设 项目内容位号与线号规格数量(台或米、平米)施工(底层)材料保护层( 面层)材 料法律规范编号检查结果名称厚 度(mm)名 称厚 度(mm)防腐与衬里地埋镀锌管Ф20丹红0.2沥青0.3合格地埋镀锌管Ф50丹红0.2沥青0.3合格地埋镀锌管Ф580丹红0.2沥青0.3合格保温与保冷涂漆专 业 监 理 工 程 师 :(建设单位项目专业技术负责人)年 月 日质 量 检 查 部 门:项目技术负责人:项 目 经 理:施 工 员:年 月 日----------------------------精品 word 文档 值得下载 值得拥有---------------------------------------------------------------------------------------------------------------------------------------------------------------------------下载后可任意编辑安装资料通用 3.3设备/管道防腐、保温或保冷、涂漆施工隐蔽验收记录 共__页 第__页单 位 工 程 名 称绍兴市力博电缆有限公司铜排(带)车间施 工 日 期分 部 工 程 名 称建筑给排水分 项 工 程 名 称消防管道防腐 项目内容位号与线号规格数量(台或米、平米)施工(底层)材料保护层( 面层)材 料法律规范编号检查结果名称厚 度(mm)名 称厚 度(mm)防腐与衬里地埋镀锌管Ф100丹红0.2沥青0.3合格保温与保冷涂漆专 业 监 理 工 程 师 :(建设单位项目专业技术负责人)年 月 日质 量 检 查 部 门:项目技术负责人:项 目 经 理:施 工 员:2024 年 月 日----------------------------精品 word 文档 值得下载 值得拥有---------------------------------------------------------------------------------------------------------------------------------------------------------------------------

1、当您付费下载文档后,您只拥有了使用权限,并不意味着购买了版权,文档只能用于自身使用,不得用于其他商业用途(如 [转卖]进行直接盈利或[编辑后售卖]进行间接盈利)。
2、本站所有内容均由合作方或网友上传,本站不对文档的完整性、权威性及其观点立场正确性做任何保证或承诺!文档内容仅供研究参考,付费前请自行鉴别。
3、如文档内容存在违规,或者侵犯商业秘密、侵犯著作权等,请点击“违规举报”。

碎片内容

设备管道防腐保温或保冷涂漆施工隐蔽验收记录

您可能关注的文档

确认删除?
VIP
微信客服
  • 扫码咨询
会员Q群
  • 会员专属群点击这里加入QQ群
客服邮箱
回到顶部