电脑桌面
添加小米粒文库到电脑桌面
安装后可以在桌面快捷访问

钢结构高强度螺栓连接施工记录VIP免费

钢结构高强度螺栓连接施工记录_第1页
1/4
钢结构高强度螺栓连接施工记录_第2页
2/4
钢结构高强度螺栓连接施工记录_第3页
3/4
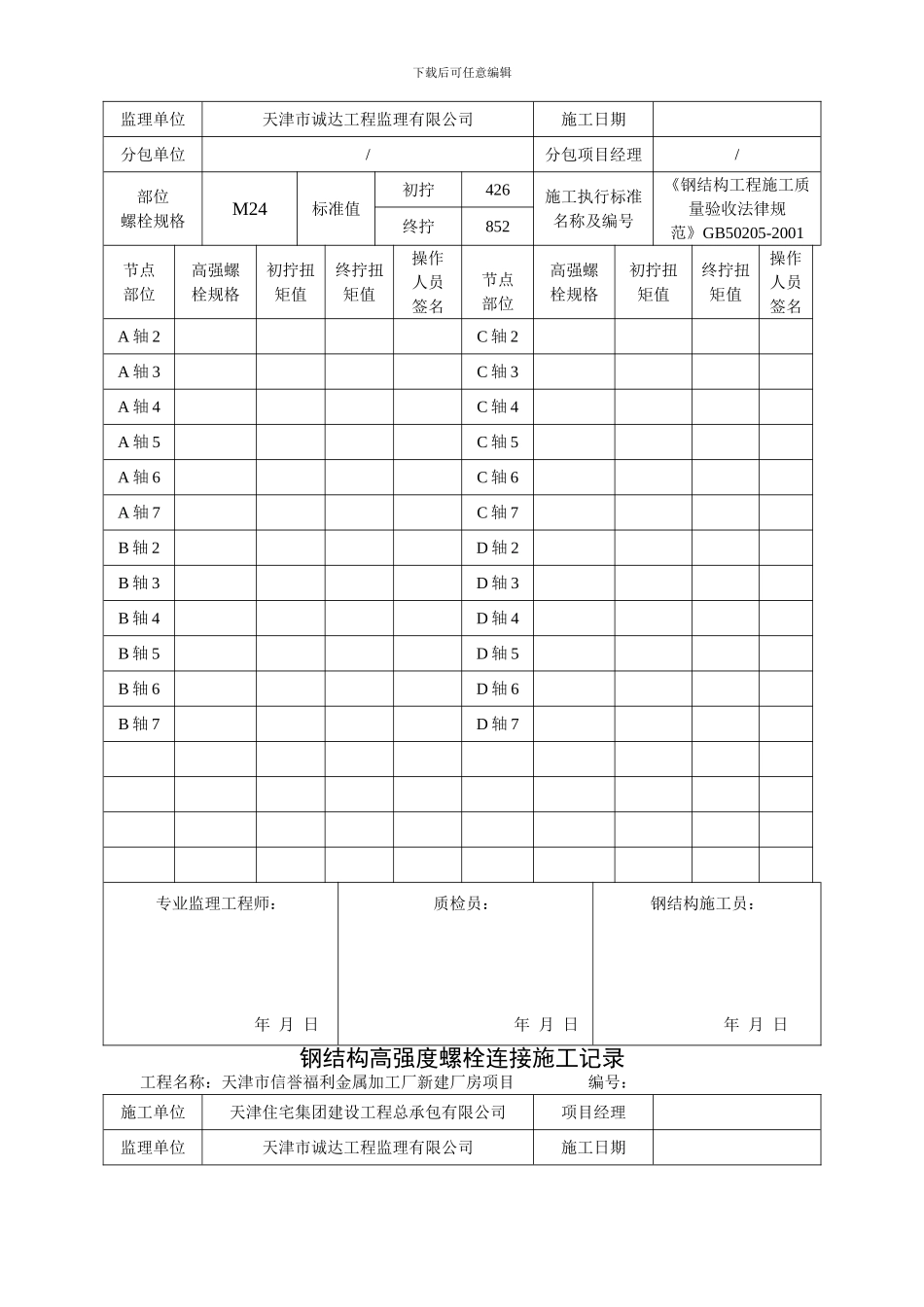
天津住宅集团建设工程总承包有限公司钢结构高强度螺栓连接施工记录工程名称:天津市信誉福利金属加工厂新建厂房项目 编号:施工单位天津住宅集团建设工程总承包有限公司项目经理监理单位天津市诚达工程监理有限公司施工日期分包单位/分包项目经理/部位螺栓规格M16标准值初拧124.08施工执行标准名称及编号《钢结构工程施工质量验收法律规范》GB50205-2001终拧248.16节点部位高强螺栓规格初拧扭矩值终拧扭矩值操作人员签名节点部位高强螺栓规格初拧扭矩值终拧扭矩值操作人员签名A 轴 2224410C 轴 2226431A 轴 3226422C 轴 3224413A 轴 4221413C 轴 4225423A 轴 5219421C 轴 5224412A 轴 6214428C 轴 6226416A 轴 7223417C 轴 7222420B 轴 2227426D 轴 2221429B 轴 3222419D 轴 3220426B 轴 4220410D 轴 4215429B 轴 5223414D 轴 5217412B 轴 6224422D 轴 6223411B 轴 7215413D 轴 7215432专业监理工程师:年 月 日质检员:年 月 日钢结构施工员:年 月 日钢结构高强度螺栓连接施工记录工程名称:天津市信誉福利金属加工厂新建厂房项目 编号:下载后可任意编辑施工单位天津住宅集团建设工程总承包有限公司项目经理监理单位天津市诚达工程监理有限公司施工日期分包单位/分包项目经理/部位螺栓规格M20标准值初拧241.4施工执行标准名称及编号《钢结构工程施工质量验收法律规范》GB50205-2001终拧482.8节点部位高强螺栓规格初拧扭矩值终拧扭矩值操作人员签名节点部位高强螺栓规格初拧扭矩值终拧扭矩值操作人员签名A 轴 2M20*65224410C 轴 2M20*65226431A 轴 3M20*65226422C 轴 3M20*65224413A 轴 4M20*65221413C 轴 4M20*65225423A 轴 5M20*65219421C 轴 5M20*65224412A 轴 6M20*65214428C 轴 6M20*65226416A 轴 7M20*65223417C 轴 7M20*65222420B 轴 2M20*65227426D 轴 2M20*65221429B 轴 3M20*65222419D 轴 3M20*65220426B 轴 4M20*65220410D 轴 4M20*65215429B 轴 5M20*65223414D 轴 5M20*65217412B 轴 6M20*65224422D 轴 6M20*65223411B 轴 7M20*65215413D 轴 7M20*65215432专业监理工程师:年 月 日质检员:年 月 日钢结构施工员:年 月 日钢结构高强度螺栓连接施工记录工程名称:天津市信誉福利金属加工厂新建厂房项目 编号:施工单位天津住宅集团建设工程总承包有限公司项目经理下载后可任意编辑监理单位天津市诚达工程监理有限...

1、当您付费下载文档后,您只拥有了使用权限,并不意味着购买了版权,文档只能用于自身使用,不得用于其他商业用途(如 [转卖]进行直接盈利或[编辑后售卖]进行间接盈利)。
2、本站所有内容均由合作方或网友上传,本站不对文档的完整性、权威性及其观点立场正确性做任何保证或承诺!文档内容仅供研究参考,付费前请自行鉴别。
3、如文档内容存在违规,或者侵犯商业秘密、侵犯著作权等,请点击“违规举报”。

碎片内容

钢结构高强度螺栓连接施工记录

您可能关注的文档

确认删除?
VIP
微信客服
  • 扫码咨询
会员Q群
  • 会员专属群点击这里加入QQ群
客服邮箱
回到顶部