电脑桌面
添加小米粒文库到电脑桌面
安装后可以在桌面快捷访问

钻孔灌注桩围护施工方案-VIP免费

钻孔灌注桩围护施工方案-_第1页
1/25
钻孔灌注桩围护施工方案-_第2页
2/25
钻孔灌注桩围护施工方案-_第3页
3/25
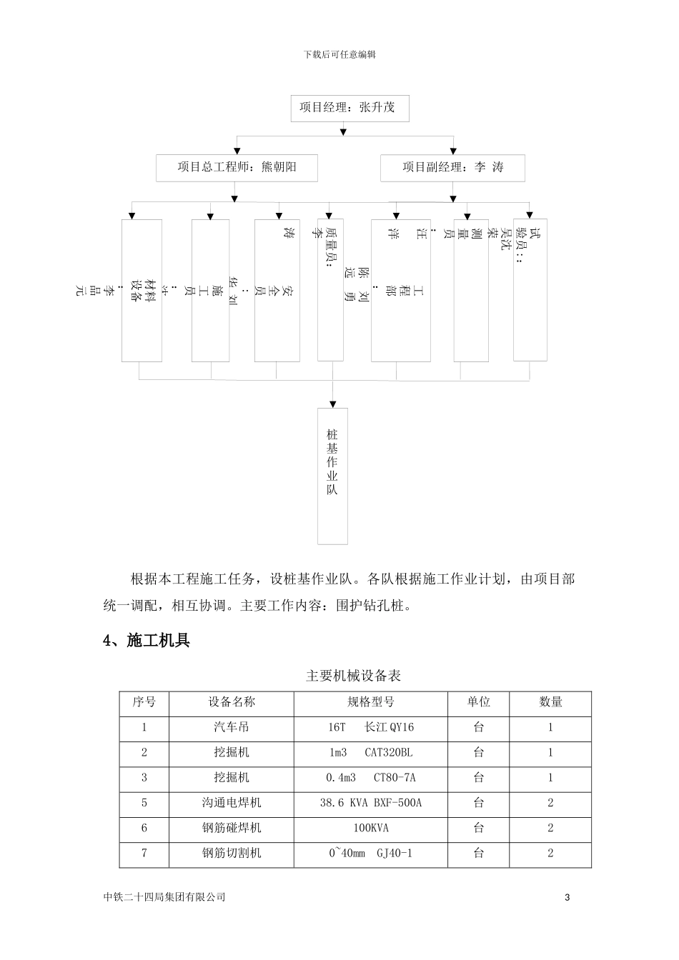
下载后可任意编辑1、编制依据(1)本工程施工图纸、现场调研、设计图会审会议纪要; (2)《客货共线铁路桥涵施工技术指南》TZ1203-2024;(3)《铁路混凝土工程施工质量验收标准》TB10424-2024(4)我公司类似工程施工经验及现场调研资料;(5)《铁路技术管理规程》;(6)《铁路营业线施工安全管理办法》 铁办[2024]190 号;(7)《铁路营业线施工安全管理补充办法》铁运〔2024〕51 号;(8)上铁运发[2024]316 号《关于公布<上海铁路局营业线施工安全管理实施细则>的通知》;(9)上铁运函[2024]603 号《关于对<上海铁路局营业线施工安全管理实施细则>有关内容进行修订的通知》;(10)上铁工发[2024]117 号《上海铁路局营业线施工工务安全监督管理办法》;(11)上铁运发[2024]161 号《上海铁路局营业线施工安全管理补充实施细则》;(12)上铁运函[2024]1461 号文《关于法律规范铁路桥涵立交顶进施工线路限速运行管理的通知》; (13)建工函[2024]260 号文《大型机械临近营业线施工管理规定》;(14)上铁师发[2024]117 号文《上海铁路局营业线施工工务安全监督管理办法》;(15)有关上海铁路局铁路营业线施工安全管理补充实施细则的文件;(16)上海市地基基础设计法律规范 J11595-2024;(17)钻孔灌注桩施工规程(上海 DG TJ08-202-2024 );2、工程概况2.1 总述嘉闵高架路(春申铁路段)新建工程位于闵行区西侧边界(与松江区相邻)既有沪杭铁路三角区,为穿越既有沪春铁路过水框架扩孔工程,沪春线铁路里程范围为 K9+318-K9+760。本工程采纳 Ф100cm 钻孔灌注桩围护,主要分布中铁二十四局集团有限公司 1下载后可任意编辑于东西工作坑四周。东侧工作坑宽度约 22.5m,长约 29.7m,西侧工作坑宽度 21.6m,长约54m。基坑周围地面标高约 5.1m,钻孔桩施工前对基坑周边降土至标高 4.3m。 钻孔桩桩长为 24m,桩顶标高为 3.5m,桩低标高为-20.5m,桩顶凿除并浇筑 1.0m 高圈梁连成整体,圈梁顶标高为 4.5m。钻孔灌注桩、圈梁混凝土等级为C30,钻孔灌注桩保护层 60mm,圈梁保护层 50mm。工作坑围护桩工程量:名称项目类型长度数量(根)总量(m3)工作坑围护钻孔灌注桩φ100024m1763315.842.2 水文地质情况本工程位于典型的软土地区,地下面分布较厚的软粘土层,具有高含水量,大空隙比,低强度,土质差。拟建场地 75m 深度范围内地基土主要由饱和粘性土、粉土以及砂性土组成,地层分布相对简单,为正常沉...

1、当您付费下载文档后,您只拥有了使用权限,并不意味着购买了版权,文档只能用于自身使用,不得用于其他商业用途(如 [转卖]进行直接盈利或[编辑后售卖]进行间接盈利)。
2、本站所有内容均由合作方或网友上传,本站不对文档的完整性、权威性及其观点立场正确性做任何保证或承诺!文档内容仅供研究参考,付费前请自行鉴别。
3、如文档内容存在违规,或者侵犯商业秘密、侵犯著作权等,请点击“违规举报”。

碎片内容

钻孔灌注桩围护施工方案-

确认删除?
VIP
微信客服
  • 扫码咨询
会员Q群
  • 会员专属群点击这里加入QQ群
客服邮箱
回到顶部