电脑桌面
添加小米粒文库到电脑桌面
安装后可以在桌面快捷访问

铁路明珠地产广场桩基施工组织设计方案修正2-1VIP免费

铁路明珠地产广场桩基施工组织设计方案修正2-1_第1页
1/19
铁路明珠地产广场桩基施工组织设计方案修正2-1_第2页
2/19
铁路明珠地产广场桩基施工组织设计方案修正2-1_第3页
3/19
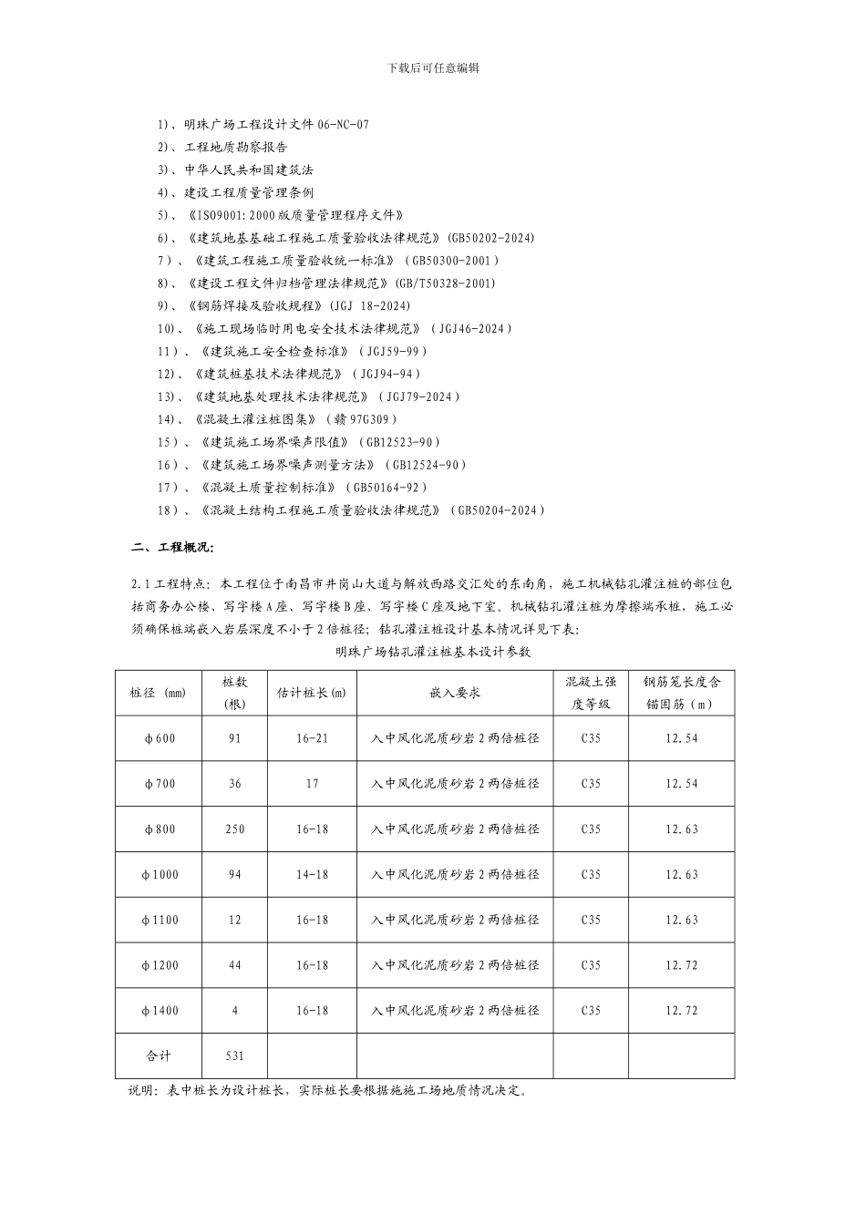
下载后可任意编辑 一、编制依据:明珠广场工程施工有效文件以本工程施工合同为基础,桩基施工图纸为依据;现行国家有关工程施工法律规范、规程及技术标准、有关政策和文件规定为准绳;公司 ISO9001:2000 版质量管理程序文件为指导,科学合理组织施工生产。主要技术文件内容:精品 word 文档可以编辑(本页是封面)【最新资料 Word 版 可自由编辑!!】下载后可任意编辑1)、明珠广场工程设计文件 06-NC-072)、工程地质勘察报告 3)、中华人民共和国建筑法4)、建设工程质量管理条例5)、《ISO9001:2000 版质量管理程序文件》6)、《建筑地基基础工程施工质量验收法律规范》(GB50202-2024)7)、《建筑工程施工质量验收统一标准》(GB50300-2001)8)、《建设工程文件归档管理法律规范》(GB/T50328-2001)9)、《钢筋焊接及验收规程》(JGJ 18-2024)10)、《施工现场临时用电安全技术法律规范》(JGJ46-2024)11)、《建筑施工安全检查标准》(JGJ59-99)12)、《建筑桩基技术法律规范》(JGJ94-94)13)、《建筑地基处理技术法律规范》(JGJ79-2024)14)、《混凝土灌注桩图集》(赣 97G309)15)、《建筑施工场界噪声限值》(GB12523-90)16)、《建筑施工场界噪声测量方法》(GB12524-90)17)、《混凝土质量控制标准》(GB50164-92)18)、《混凝土结构工程施工质量验收法律规范》(GB50204-2024)二、工程概况:2.1 工程特点:本工程位于南昌市井岗山大道与解放西路交汇处的东南角,施工机械钻孔灌注桩的部位包括商务办公楼、写字楼 A 座、写字楼 B 座、写字楼 C 座及地下室。机械钻孔灌注桩为摩擦端承桩,施工必须确保桩端嵌入岩层深度不小于 2 倍桩径;钻孔灌注桩设计基本情况详见下表:明珠广场钻孔灌注桩基本设计参数桩径 (mm)桩数(根)估计桩长(m)嵌入要求混凝土强度等级钢筋笼长度含锚固筋(m)φ6009116-21入中风化泥质砂岩 2 两倍桩径C3512.54φ7003617入中风化泥质砂岩 2 两倍桩径C3512.54φ80025016-18入中风化泥质砂岩 2 两倍桩径C3512.63φ10009414-18入中风化泥质砂岩 2 两倍桩径C3512.63φ11001216-18入中风化泥质砂岩 2 两倍桩径C3512.63φ12004416-18入中风化泥质砂岩 2 两倍桩径C3512.72φ1400416-18入中风化泥质砂岩 2 两倍桩径C3512.72合计531说明:表中桩长为设计桩长,实际桩长要根据施施工场地质情况决定。下载后可任意编辑2.2 与本工程相关单位:建设单位:xxx 房地产有限公司设计单位: xx ...

1、当您付费下载文档后,您只拥有了使用权限,并不意味着购买了版权,文档只能用于自身使用,不得用于其他商业用途(如 [转卖]进行直接盈利或[编辑后售卖]进行间接盈利)。
2、本站所有内容均由合作方或网友上传,本站不对文档的完整性、权威性及其观点立场正确性做任何保证或承诺!文档内容仅供研究参考,付费前请自行鉴别。
3、如文档内容存在违规,或者侵犯商业秘密、侵犯著作权等,请点击“违规举报”。

碎片内容

铁路明珠地产广场桩基施工组织设计方案修正2-1

确认删除?
VIP
微信客服
  • 扫码咨询
会员Q群
  • 会员专属群点击这里加入QQ群
客服邮箱
回到顶部