电脑桌面
添加小米粒文库到电脑桌面
安装后可以在桌面快捷访问

门卫室施工方案VIP免费

门卫室施工方案_第1页
1/39
门卫室施工方案_第2页
2/39
门卫室施工方案_第3页
3/39
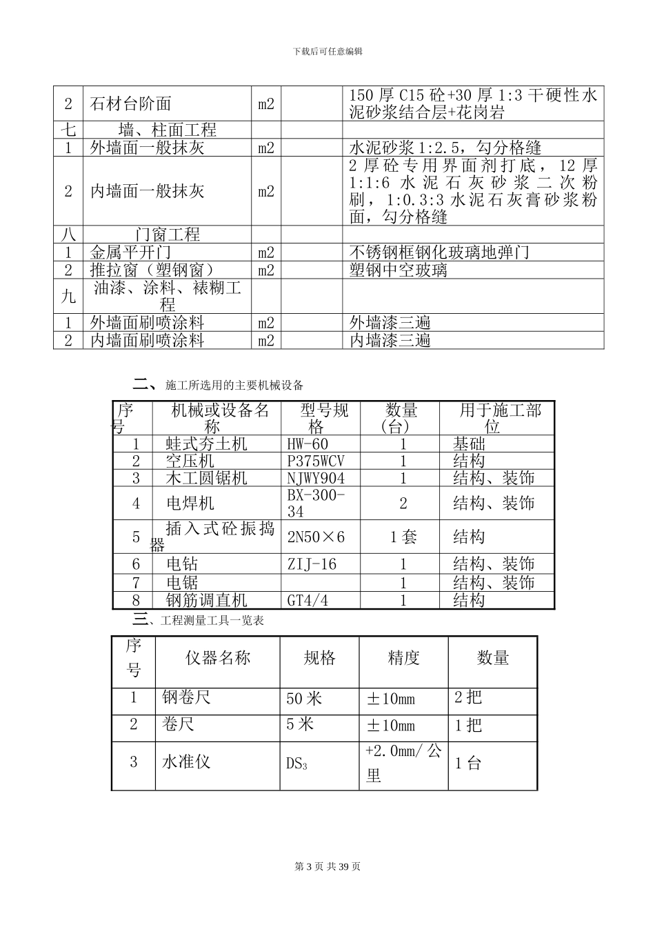
下载后可任意编辑承德交警三大队办公楼改造工程第一节 工程概况一、项目简介该工程为承德市交警办公楼,结构形式为砖混结构。结构层数为地上一层。建筑总高度 5.05 米,总建筑面积 49.3 平方米。基础垫层为 C10 混凝土 100 厚。墙体为 M7.5 水泥砂浆砌筑 MU10 红砖 240 厚。门窗为中空塑钢玻璃窗及不锈钢框钢化玻璃固定窗、不锈钢框钢化玻璃地弹门。室内为 800*800 的全磁地板砖,墙面为墙漆。外墙采纳 60 厚保温板刷墙漆,屋面为不上人屋面。2、一层车管大厅原有 460 暖气片改为 760 暖气片。3、指挥中心办公楼原有铝合金窗改为塑钢窗。二、本工程的特点和管理重点1.我们本着对业主负责,对自己严格的态度对待它,以达到业主的建筑及使用要求。2.本工程结构标高为 5.05m,因此高空作业等的安全管理将是我们管理过程中的重点,我们将坚持“安全第一”的原则取保本工程无任何安全事故发生。三、施工质检应遵守的法律规范及技术标准1、门斗房结构图();2、建筑工程施工质量验收统一标准 GB50300-2001。3、砼工程施工质量验收法律规范 GB50242-2024。4、砌体工程施工质量验收法律规范 GB50203-2024。5、屋面工程施工质量验收法律规范 GB50207-2024。6、建筑地面工程施工质量验收法律规范 GB50209-2024。7、建筑装饰装修工程施工质量验收法律规范 GB50210-2001。第 1 页 共 39 页下载后可任意编辑第二节 工作内容一、结构建筑装饰装修屋面等工程量:序号项目名称单位 工程量备注一土石方工程 1挖基础土方m3人工挖基础2平整场地m2土方挖运,场地找平3土方回填m3挖土方运输回填分层碾压夯实二砌筑工程 1砖基础m3MU10 砼实心砖,M7.5 水泥砂浆,防潮层铺设三砼及钢筋砼工程 1基础梁m3人工搅拌2过梁m3人工搅拌3有梁板m3人工搅拌4散水、坡道m2150 厚度碎石+60 厚 C15 砼+20 厚石材5现浇砼钢筋t钢筋制作绑扎四屋面及防水工程 1屋面卷材防水(不上人)m24+4 厚 SBS 防水卷材2屋面排水管mDe100UPVC五防腐、隔热、保温工程 1保温隔热屋面m2挤塑板六楼地面工程 1块料楼地面(玻化砖地面)m2180 厚 C20 砼+30 厚 1:3 干硬性水泥砂浆结合层+800*800 玻化砖第 2 页 共 39 页下载后可任意编辑2石材台阶面m2150 厚 C15 砼+30 厚 1:3 干硬性水泥砂浆结合层+花岗岩七墙、柱面工程 1外墙面一般抹灰m2水泥砂浆 1:2.5,勾分格缝2内墙面一般抹灰m22 厚 砼 专 用 界 面 剂 打 底 ,...

1、当您付费下载文档后,您只拥有了使用权限,并不意味着购买了版权,文档只能用于自身使用,不得用于其他商业用途(如 [转卖]进行直接盈利或[编辑后售卖]进行间接盈利)。
2、本站所有内容均由合作方或网友上传,本站不对文档的完整性、权威性及其观点立场正确性做任何保证或承诺!文档内容仅供研究参考,付费前请自行鉴别。
3、如文档内容存在违规,或者侵犯商业秘密、侵犯著作权等,请点击“违规举报”。

碎片内容

门卫室施工方案

人从众+ 关注
实名认证
内容提供者

欢迎光临小店,本店以公文和教育为主,希望符合您的需求。

确认删除?
VIP
微信客服
  • 扫码咨询
会员Q群
  • 会员专属群点击这里加入QQ群
客服邮箱
回到顶部