电脑桌面
添加小米粒文库到电脑桌面
安装后可以在桌面快捷访问

集中控制楼基础施工作业指导书VIP免费

集中控制楼基础施工作业指导书_第1页
1/12
集中控制楼基础施工作业指导书_第2页
2/12
集中控制楼基础施工作业指导书_第3页
3/12
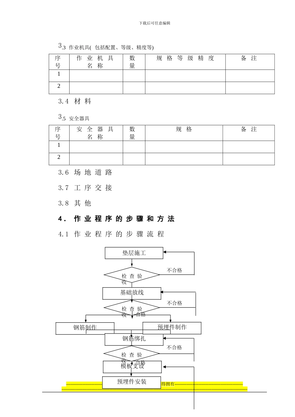
下载后可任意编辑集 中 控 制 楼 基 础 施 工 作 业 指 导 书 要 点1 . 工 程 ( 系 统 或 设 备 ) 概 况 及 工 程 量 1.1 系 统 或 设 备 概 况 ( 作 业 涉 及 的 系 统 范 围 、 设备 简 介 ) 1.2 工程量( 范围、具体工作量等)序号施 工 项 目名 称规 格工 程 量备 注121 . 3 工 期 : 20 天2 . 编 制 依 据3. 作 业 前 的 条 件 和 准 备3.1 技 术 准 备 : 完 成 施 工 组 织 设 计 , 作 业 指 导书 , 图 纸 会 审 , 施 工 技 术 交 底 , 安 全 交 底 等 等3.2 作 业 人 员 ( 配 置 、 资 格 、 职 责 )序号作 业 人 员名 称人数人 员 资 格职责1工程负责人 1 人有 组 织 协 调 能 力 , 有现 场 管 理 经 验 。2工 程 主 管 1 人要 求 熟 悉 土 建 结 构 的施 工 , 有 组 织 才 能 。3技 术 人 员1 人要 求 土 建 结 构 施 工 经验 , 熟 悉 施 工 技 术 及验 收 法 律 规 范 。4测 量 人 员 : 2 人要 求 熟 悉 导 线 测 量 定位 测 量 的 方 法 , 能 熟练操作各种测量仪器 。5安 全 员 1 人熟 悉 《 电 力 建 设 安 全----------------------------精品 word 文档 值得下载 值得拥有---------------------------------------------------------------------------------------------------------------------------------------------------------------------------下载后可任意编辑工作规程》, 并经过安 全 员 岗 位 培 训 , 持证 上 岗 。6质 检 员 1 人要求有质检工作经验 , 经 过 培 训 , 有 质检 员 上 岗 证 , 持 证 上岗 。7试 验 人 员 :2 人要求经过培训, 有所需试验项目的上岗证 , 持 证 上 岗 。8钢 筋 工 15人熟 悉 本 工 种 的 操 作 技能, 有一定的施工经验 。9木 工20人熟 悉 本 工 种 的 操 作 技能, 有一定的施工经验10混 凝 土 工10人熟 悉 本 工 种 的 操 作 技能, 有一定的施工经验11焊 工 2 人经过培训,有上岗证 , 持 证 上 岗 。12铆 工 2 人有钢结构的施工经验 , 熟 练 使 用 火 焊 , 持证 上 岗 。13电 工 2 人参 加 ...

1、当您付费下载文档后,您只拥有了使用权限,并不意味着购买了版权,文档只能用于自身使用,不得用于其他商业用途(如 [转卖]进行直接盈利或[编辑后售卖]进行间接盈利)。
2、本站所有内容均由合作方或网友上传,本站不对文档的完整性、权威性及其观点立场正确性做任何保证或承诺!文档内容仅供研究参考,付费前请自行鉴别。
3、如文档内容存在违规,或者侵犯商业秘密、侵犯著作权等,请点击“违规举报”。

碎片内容

集中控制楼基础施工作业指导书

您可能关注的文档

确认删除?
VIP
微信客服
  • 扫码咨询
会员Q群
  • 会员专属群点击这里加入QQ群
客服邮箱
回到顶部