电脑桌面
添加小米粒文库到电脑桌面
安装后可以在桌面快捷访问

高压喷射注浆地基施工工艺标准VIP免费

高压喷射注浆地基施工工艺标准_第1页
1/6
高压喷射注浆地基施工工艺标准_第2页
2/6
高压喷射注浆地基施工工艺标准_第3页
3/6
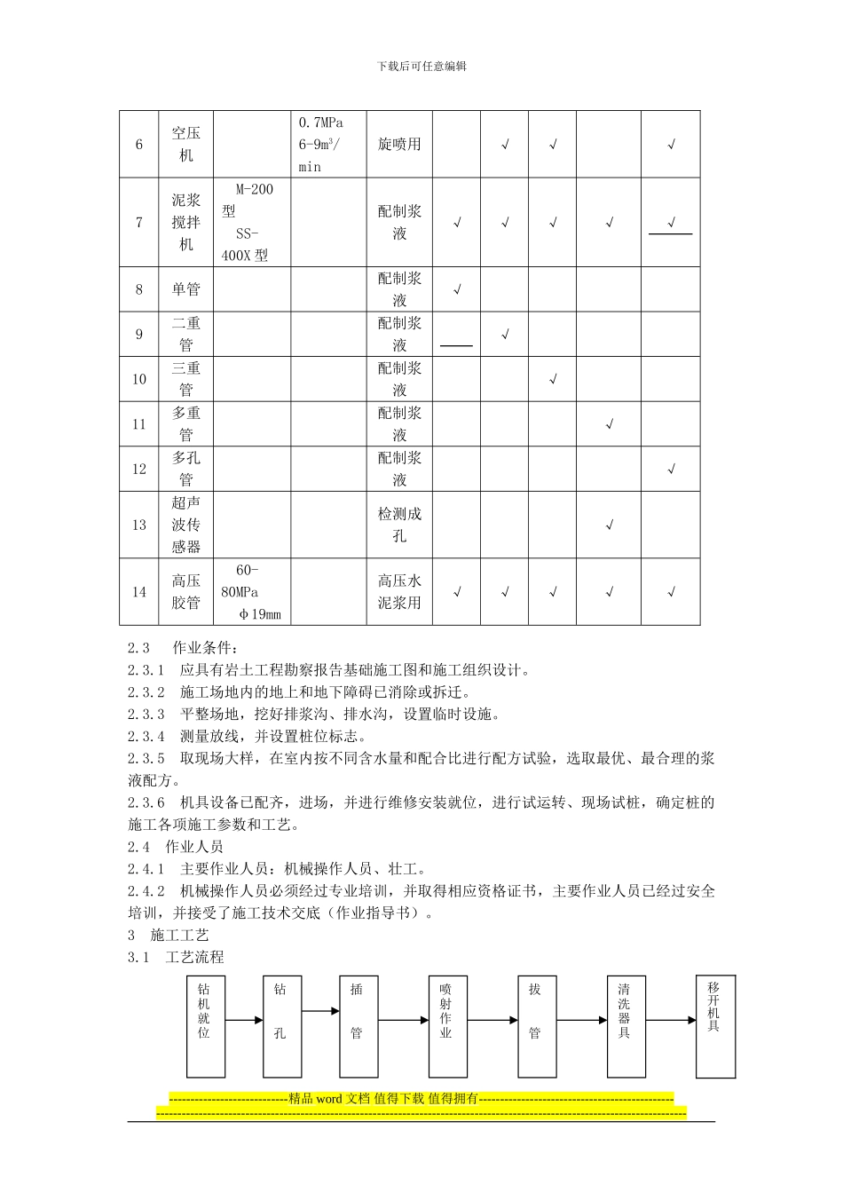
下载后可任意编辑高压喷射注浆地基施工工艺标准1 适用范围本工艺标准适用于工业与民用建筑工程采纳高压喷射注浆进行地基加固的工程,也可以用于既有建筑和新建筑的地基处理,深基坑侧壁挡土或挡水,基坑底部加固防止管涌与隆起,坝的加固与防水帷幕等采纳高压喷射注浆的工程。2 施工准备2.1 材料2.1.1 水泥: 采纳 32.5 级或 42.5 级普通水泥,水泥进场时应检验其产品合格证,出厂检验报告和进场复检报告,保证其质量符合现行国家标准《硅酸盐水泥,普通硅酸盐水泥》(GB175)等的规定。2.1.2 配比: 一般泥浆水灰比为 1:1~1.5,为消除离析,一般加入水泥采纳量 3%的陶土,0.9%的碱,或者为了工程目的可以加入一些其它的添加剂,如水玻璃、氯化钙、三乙醇胺等。2.1.3 浆液宜在旋喷前 1 小时以内配制,使用时滤去硬块、砂石等,以免堵塞管路和喷嘴。2.2 主要工机具 主要机具设备包括:高压泵,钻机,泥浆搅拌器等,辅助设备包括操纵控制系统、高压管路系统,材料储存系统以各种材,阀门,接头安全设施等,高压喷射注浆法施工常用主要机具设备规格、技术性能及要求见下表:表 2.2 各种高压喷射注浆法主要施工机具及设备一览表序号机器设备名称型号规格用途所用的机具单管法二重管三重管锤重管法多孔管法1高压泥浆泵SNS-H300水泥车Y-2 型液压泵30MPa100L/min旋喷注浆√√√2高压水泵3D2-S型40MPa80L/min高压水旋喷√√√3钻机工程地质钻或震动钻旋喷用,成孔√√√√√4泥浆泵BW-150型BW-200型BW-250型1.8~7MPa5~8MPa2.5~7MPa旋喷注浆√√√5真空泵排注√----------------------------精品 word 文档 值得下载 值得拥有---------------------------------------------------------------------------------------------------------------------------------------------------------------------------下载后可任意编辑6空压机0.7MPa6-9m3/min旋喷用√√√7泥浆搅拌机M-200型SS-400X 型配制浆液√√√√√8单管配制浆液√9二重管配制浆液√10三重管配制浆液√11多重管配制浆液√12多孔管配制浆液√13超声波传感器检测成孔√14高压胶管60-80MPaφ19mm高压水泥浆用√√√√√2.3 作业条件:2.3.1 应具有岩土工程勘察报告基础施工图和施工组织设计。2.3.2 施工场地内的地上和地下障碍已消除或拆迁。2.3.3 平整场地,挖好排浆沟、排水沟,设置临时设施。2.3.4 测量放线,并设置桩位标志。2.3.5 取现场大样,在室内按不同...

1、当您付费下载文档后,您只拥有了使用权限,并不意味着购买了版权,文档只能用于自身使用,不得用于其他商业用途(如 [转卖]进行直接盈利或[编辑后售卖]进行间接盈利)。
2、本站所有内容均由合作方或网友上传,本站不对文档的完整性、权威性及其观点立场正确性做任何保证或承诺!文档内容仅供研究参考,付费前请自行鉴别。
3、如文档内容存在违规,或者侵犯商业秘密、侵犯著作权等,请点击“违规举报”。

碎片内容

高压喷射注浆地基施工工艺标准

您可能关注的文档

确认删除?
VIP
微信客服
  • 扫码咨询
会员Q群
  • 会员专属群点击这里加入QQ群
客服邮箱
回到顶部