电脑桌面
添加小米粒文库到电脑桌面
安装后可以在桌面快捷访问

高强度螺栓连接施工工艺标准VIP免费

高强度螺栓连接施工工艺标准_第1页
1/10
高强度螺栓连接施工工艺标准_第2页
2/10
高强度螺栓连接施工工艺标准_第3页
3/10
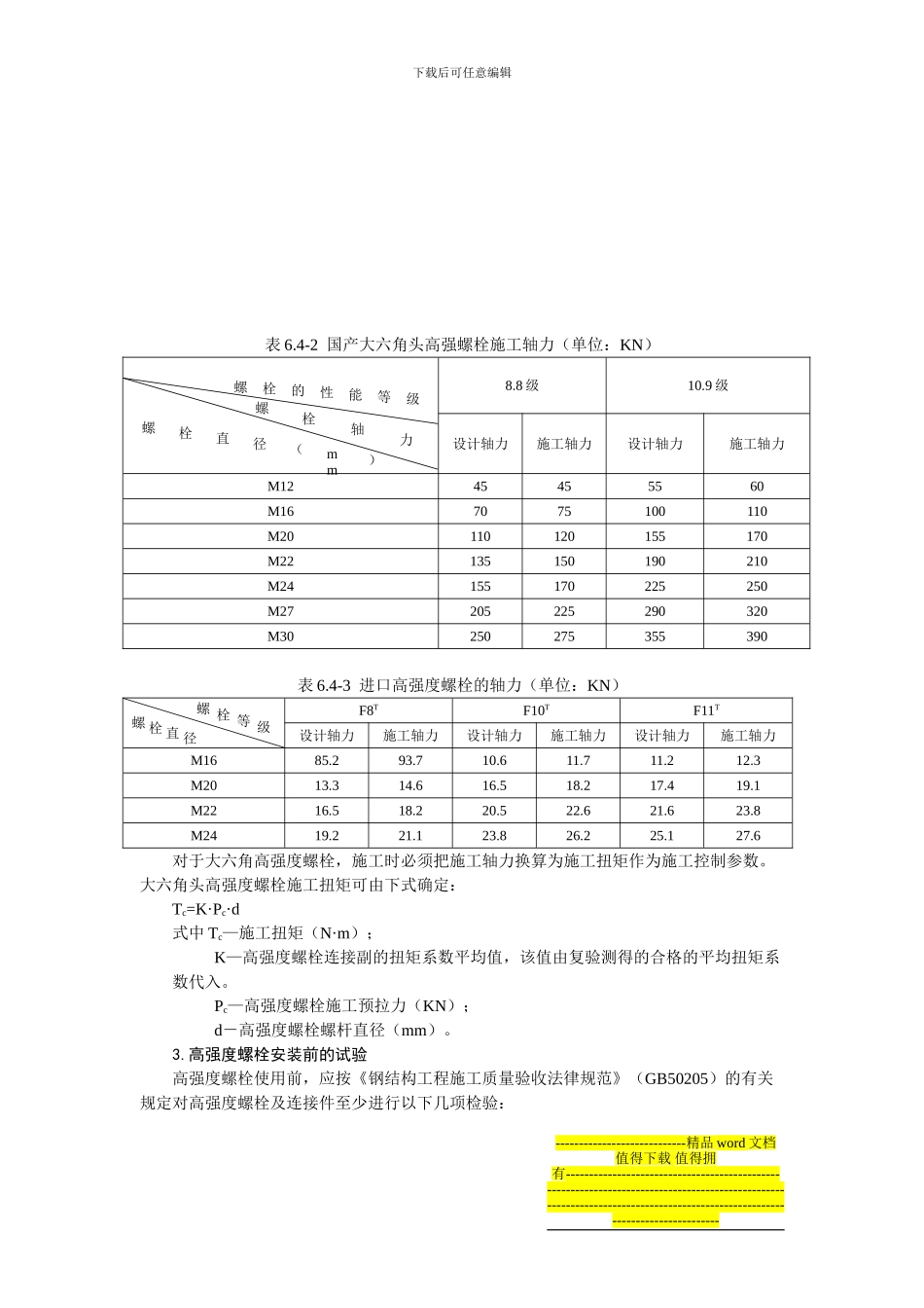
下载后可任意编辑第六节 高强度螺栓连接施工工艺标准6.1 总则6.1.1 适用范围施工本工艺标准适用与工业与民用建筑钢结构工程中的高强度螺栓连接的施工与验收。6.1.2 编制参考标准及法律规范本工艺标准的编制参考了以下标准和法律规范:《钢结构工程施工施工质量验收法律规范》GB50205-2001《钢结构高强度螺栓连接的设计、施工及验收法律规范》JGJ82—91《钢结构用大六角螺栓》GB1228《钢结构用高强度垫圈型式与尺寸》GB1229《钢结构用大六角螺栓、大六角螺母、垫圈技术条件》GB1231《钢结构用扭剪型高强螺栓连接付形式尺寸》GB3632《钢结构用扭剪型高强螺栓连接付技术条件》GB36336.2 符号Tc—施工扭矩(N·m);K—高强度螺栓连接副的扭矩系数平均值,该值由复验测得的合格的平均扭矩系数代入。Pc—高强度螺栓施工预拉力(KN);d-高强度螺栓螺杆直径(mm)。 6.3 基本规定6.3.1 高强度螺栓应在钢结构吊装完毕、根据设计和施工法律规范的要求矫正到位、检查合格之后才可以开始施工。6.3.2 高强度螺栓的制孔按表 6.3.1 的要求选配,高强度螺栓连接构件制孔允许偏差见表6.3.2:表 6.3.1 高强螺栓孔径选配表螺栓公称直径(mm)12162022242730螺栓孔直径(mm)13.517.521.523.525.53033注:承压型连接(如柱或抗剪桁架的压杆连接)中的高强螺栓孔径可按表中值减少0.5~1.0mm。表 6.3.2 高强度螺栓连接构件制孔允许偏差名 称直径及允许偏差(mm)螺栓直径12162022242730允许偏差±0.43±0.52±0.84螺栓孔直径13.517.521.5(23.5)25.5(30)33允许偏差+0.430+0.520+0.840----------------------------精品 word 文档 值得下载 值得拥有---------------------------------------------------------------------------------------------------------------------------------------------------------------------------下载后可任意编辑圆度(最大和最小直径差)1.001.50中心线倾斜度应不大于板厚的 3%且单层板不得大于 2.0 mm 多层板迭组合不得大于 3.0 mm6.3.3 高强度螺栓的孔距和边距值,见表 6.3.3表 6.3.3 高强度螺栓的孔距和边距值名称位置和方向最大值(取两者的较小值)最小值中心间距外排8d0或 12t中间排构件受压力12d0或 18t3d0构件受拉力16d0或 24T中心至构件边缘的距离顺内力方向4d0或 8t2d0垂直内力方向切割边1.5d0轧制边1.5d0设计有规定时按设计要求采纳。6.3.4 高强螺栓的连接构件的孔距允许偏差见...

1、当您付费下载文档后,您只拥有了使用权限,并不意味着购买了版权,文档只能用于自身使用,不得用于其他商业用途(如 [转卖]进行直接盈利或[编辑后售卖]进行间接盈利)。
2、本站所有内容均由合作方或网友上传,本站不对文档的完整性、权威性及其观点立场正确性做任何保证或承诺!文档内容仅供研究参考,付费前请自行鉴别。
3、如文档内容存在违规,或者侵犯商业秘密、侵犯著作权等,请点击“违规举报”。

碎片内容

高强度螺栓连接施工工艺标准

您可能关注的文档

一二三四传媒+ 关注
实名认证
内容提供者

大量资料供您选择,没有合适的可以联系小二。

确认删除?
VIP
微信客服
  • 扫码咨询
会员Q群
  • 会员专属群点击这里加入QQ群
客服邮箱
回到顶部