电脑桌面
添加小米粒文库到电脑桌面
安装后可以在桌面快捷访问

2025年路缘石安装施工组织设计VIP免费

2025年路缘石安装施工组织设计_第1页
1/9
2025年路缘石安装施工组织设计_第2页
2/9
2025年路缘石安装施工组织设计_第3页
3/9
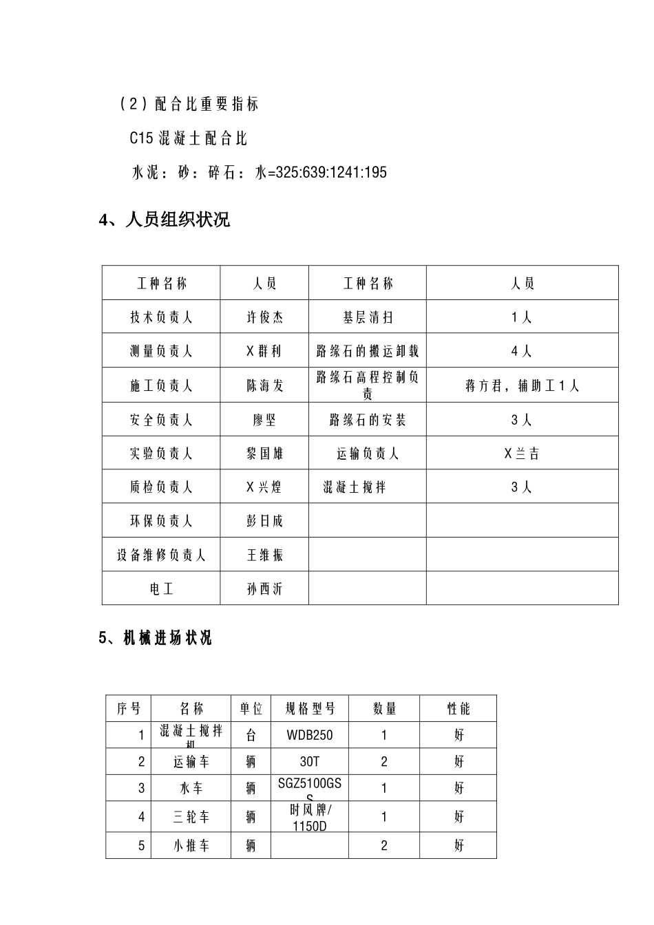
G207XX 市至塘渡口公路改建工程侧石、平石安装施工组织设计一、编制根据1、G207XX 市至塘渡口公路改建工程 XX 县段自行车道慢行系统工程一阶段施工图设计; 2、《公路工程质量检查评定原则》(JTG F80/1-);3、以往路缘石安装施工经验二、工程概况G207 线 XX 市至塘渡口公路位于 XX 省 XX 市,北起于 XX 市雨溪桥(K8+620),南接 XX 县城塘渡口(K25+054),改建后基本走新线,等级为一级公路,沥青混凝土路面,设计时速 60 公里/小时。原则路幅宽60m,路幅构成:8.00m(绿化带)+1.50m(浅蝶形沟)+1.00m(土路肩)+3.00m(自行车道)+11.50m(行车道)+2.00m(中央分隔带)+11.50m(行车道)+4.00m(绿化带)+3.00m(自行车道)+1.00m(土路肩)+1.50m(浅蝶形沟)+8.00m(绿化带)。绿化带侧石采用 15*25*80cm 型花岗岩料石,数量为58585m,平石采用 10*40*80cm 型花岗岩料石,数量为 58585m,中央分隔带侧石 10*30*80 型花岗岩料石,数量为 15469m,侧石、平石下铺C15 素混凝土基础。三、前期准备及工期计划1、现场状况报告项目经理部根据总体施工计划的安排,主动进行了开工前的动员准备工作,并对参加施工人员进行了技术交底。工程技术人员,劳动力,施工机械及机具等已进场。作业面准备完毕并通过监理方验收。2、测量放样报告测量队已完毕了导线点及水准点的复测,已按图纸提供坐标对中桩及边桩进行放样,高程测量人员已在施工 X 围附近每 100 米布设一种施工用临时水准点,并测量复核完毕3、材料实验及配合比设计花岗岩料石采用宁乡、XX 两个 XX 石加工厂订制的成品料石,并通过监理现场取样,强度达成设计及规 X 规定。工地实验室已完毕砂、石料、水泥等原材料检查,均符合设计及规 X 规定,并已经完毕 C15 混凝土配合比设计且已上报并批复。(1)原材料名称及规格1)水泥:南方普通硅酸盐水泥,等级:P.C32.52)碎石 石屑:东田碎石厂;3)河砂:XX 砂场。中砂4)水:饮用水;(2)配合比重要指标C15 混凝土配合比水泥:砂:碎石:水=325:639:1241:1954、人员组织状况工种名称人员工种名称人员技术负责人许俊杰基层清扫1 人测量负责人X 群利路缘石的搬运卸载4 人施工负责人陈海发路缘石高程控制负责蒋方君,辅助工 1 人安全负责人廖坚路缘石的安装3 人实验负责人黎国雄运输负责人X 兰吉质检负责人X 兴煌混凝土搅拌3 人环保负责人彭日成设备维修负责人王维振电工孙西沂5、机械进场状况序号名称单位规格型号...

1、当您付费下载文档后,您只拥有了使用权限,并不意味着购买了版权,文档只能用于自身使用,不得用于其他商业用途(如 [转卖]进行直接盈利或[编辑后售卖]进行间接盈利)。
2、本站所有内容均由合作方或网友上传,本站不对文档的完整性、权威性及其观点立场正确性做任何保证或承诺!文档内容仅供研究参考,付费前请自行鉴别。
3、如文档内容存在违规,或者侵犯商业秘密、侵犯著作权等,请点击“违规举报”。

碎片内容

2025年路缘石安装施工组织设计

您可能关注的文档

读万卷书+ 关注
实名认证
内容提供者

各类经典PPT文档分享

确认删除?
VIP
微信客服
  • 扫码咨询
会员Q群
  • 会员专属群点击这里加入QQ群
客服邮箱
回到顶部