电脑桌面
添加小米粒文库到电脑桌面
安装后可以在桌面快捷访问

武广高铁跨广州环城高速桥梁施工组织设计VIP专享VIP免费

武广高铁跨广州环城高速桥梁施工组织设计_第1页
1/38
武广高铁跨广州环城高速桥梁施工组织设计_第2页
2/38
武广高铁跨广州环城高速桥梁施工组织设计_第3页
3/38
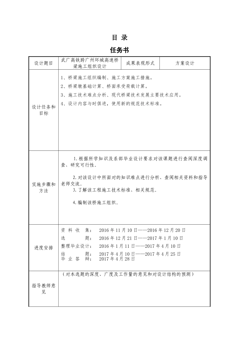
目 录任务书设计题目武广高铁跨广州环城高速桥梁施工组织设计成果表现形式方案设计设计任务和目标1、桥梁施工组织编制、施工方案施工措施。2、桥梁墩基础计算、桥面承受荷载计算。3、施工技术难点分析、现代桥梁技术发展主要技术应用。4、设计内容与时俱进,使用新的规范技术标准。实施步骤和方法 1.根据所学知识及系部毕业设计要求对该课题进行查阅深度调查、研究可行性。 2.对该设计中所面对的知识难点进行分析、查阅相关资料和指导老师交流。 3.了解该工程施工技术标准、相关规范。 4.编制该桥施工组织。进度安排资 料 收 集: 2016 年 11 月 10 日——2016 年 12 月 20 日选 题: 2016 年 12 月 21 日——2017 年 1 月 10 日整理毕业设计: 2016 年 1 月 11 日——2017 年 4 月 10 日结 题: 2017 年 4 月 10 日——2017 年 4 月 25 日毕 业 答 辩: 2017 年 4 月 28 日指导教师意见(对本选题的深度、广度及工作量的意见和对设计结构的预测)指导教师签名: 年 月 日教研室审核室主任签名: 年 月 日说明:此表一式两份,指导教师和学生各留存一份附件 3湖南高速铁路职业技术学院 铁道工程系 系毕业设计开题报告设计题目武广高铁跨广州环城高速桥梁施工组织设计选题背景、意义选题背景: 随着我国经济发展,铁路事业猛飞。在铁路事业的建设中桥梁工程起着已是不可缺少的。然而桥梁施工有着技术性强,施工难度大等一系列特点。我们不但要克服技术等难题还要编制施工组织设计。桥梁施工组织设计是用来指导桥梁工程施工全过程中技术、经济和组织等活动的综合性文件。施工组织设计的任务就是针对桥梁工程施工的复杂性。 通过本次毕业设计,使自己有了一定的施工方案制定能力,了解了桥梁的一些相关规范与施工方法。熟悉并掌握了桥梁施工技术与工艺流程。同时使自己的思想更加严谨,对施工方案思考更加全面。面对施工中的技术难点能独自解决,增强了自身思考能力,提高了技术操作理论。此毕业设计的内容与我所学专业相关巩固了我在校所学理论知识,为我今后工作打下坚定基础。研 究内 容和方法1、桥梁施工技术难点,施工措施新的规范技术标准了解。2、编制桥梁施工组织设计,合理规划,制定施工方案。3、通过计算,对施工中的是否符合要求进行核算。4、认真查阅准备资料,根据现场施工经验对本设计作出评定。5、施工技术标准规范要全面掌握。计 划进 度(根据系部毕...

1、当您付费下载文档后,您只拥有了使用权限,并不意味着购买了版权,文档只能用于自身使用,不得用于其他商业用途(如 [转卖]进行直接盈利或[编辑后售卖]进行间接盈利)。
2、本站所有内容均由合作方或网友上传,本站不对文档的完整性、权威性及其观点立场正确性做任何保证或承诺!文档内容仅供研究参考,付费前请自行鉴别。
3、如文档内容存在违规,或者侵犯商业秘密、侵犯著作权等,请点击“违规举报”。

碎片内容

武广高铁跨广州环城高速桥梁施工组织设计

您可能关注的文档

文章天下+ 关注
实名认证
内容提供者

各种文档应有尽有

确认删除?
VIP
微信客服
  • 扫码咨询
会员Q群
  • 会员专属群点击这里加入QQ群
客服邮箱
回到顶部