电脑桌面
添加小米粒文库到电脑桌面
安装后可以在桌面快捷访问

某涂料有限公司年产820吨玻璃漆项目环境评价报告书VIP专享VIP免费

某涂料有限公司年产820吨玻璃漆项目环境评价报告书_第1页
1/48
某涂料有限公司年产820吨玻璃漆项目环境评价报告书_第2页
2/48
某涂料有限公司年产820吨玻璃漆项目环境评价报告书_第3页
3/48
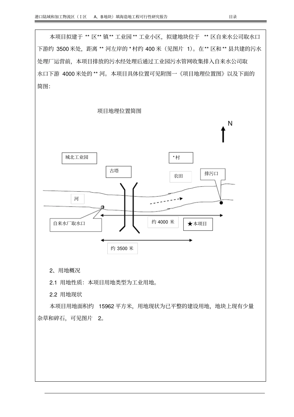
港口陆域和加工物流区(Ⅰ区A、B地块)填海造地工程可行性研究报告目录建 设 项 目 基 本 情 况项目名称**** 涂料有限公司年产820 吨玻璃漆项目建设单位**** 涂料有限公司法人代表联系人通讯地址** 市** 区** 工业园 ** 工业小区联系电话传真邮政编码建设地点** 市** 区** 工业园 ** 工业小区立项审批部门** 区发展和改革委员会批准文号 [2007] 第** 号建设性质新建行业类别及代码涂料制造业C 2641 占地面积(平方米)绿化面积( 平方米 ) 总投资(万元)其中:环保投资(万元)环保投资占总投资比例评价经费(万元)/ 预期投产日期2008 年 12 月工程内容及规模一、项目由来玻璃漆作为一种高档、时尚的装饰涂料,适用于各种平板玻璃、玻璃洁具、玻璃雕刻工艺品、玻璃移门、屏风、台面及其它玻璃制品的表面装饰上,广泛应用于酒店、写字楼、家居等场所,为人们的生活创造了色泽斑斓的装饰效果,市场前景十分广阔。为此,**** 涂料有限公司在 ** 区** 工业园 ** 工业小区投资 2400 万元建设年产 820 吨玻璃漆项目。为做好项目的环境保护工作,做到经济效益、社会效益和环境效益的“三统一”,根据《中华人民共和国环境保护法》 、《中华人民共和国环境影响评价法》和《建设项目环境保护管理条例》 中有关规定, **** 涂料有限公司于2008 年 7 月委托 ** 市环境科学研究所承担该项目的环境影响评价工作。我所接受委托后,在收集有关资料、现场踏勘和充分调查的基础上,按照国家相关环保法律、法规及有关技术规范所规定的原则、方法和要求,于 2008 年 9 月编制了《 **** 涂料有限公司建设项目环境影响报告表》 。二、项目概况1、地理位置港口陆域和加工物流区(Ⅰ区A、B地块)填海造地工程可行性研究报告目录本项目拟建于 ** 区** 镇** 工业园 ** 工业小区,拟建地块位于** 区自来水公司取水口下游约 3500 米处,距离 ** 河左岸的 * 村约 400 米(见图片 1)。在** 区和 ** 县共建的污水处理厂运营前,本项目排放的污水经处理后通过工业园污水管网收集排入自来水公司取水口下游 4000 米处的 ** 河。本项目具体位置可见附图一《项目地理位置图》以及下面的简图:项目地理位置简图N2、用地概况2.1 用地性质:本项目用地类型为工业用地。2.2 用地现状本项目用地面积约15962 平方米,用地现状为已平整的建设用地,地块上现有少量杂草和碎石,可见图片2。★本项目*村...

1、当您付费下载文档后,您只拥有了使用权限,并不意味着购买了版权,文档只能用于自身使用,不得用于其他商业用途(如 [转卖]进行直接盈利或[编辑后售卖]进行间接盈利)。
2、本站所有内容均由合作方或网友上传,本站不对文档的完整性、权威性及其观点立场正确性做任何保证或承诺!文档内容仅供研究参考,付费前请自行鉴别。
3、如文档内容存在违规,或者侵犯商业秘密、侵犯著作权等,请点击“违规举报”。

碎片内容

某涂料有限公司年产820吨玻璃漆项目环境评价报告书

确认删除?
VIP
微信客服
  • 扫码咨询
会员Q群
  • 会员专属群点击这里加入QQ群
客服邮箱
回到顶部