电脑桌面
添加小米粒文库到电脑桌面
安装后可以在桌面快捷访问

柔性连接管道施工工法VIP专享VIP免费

柔性连接管道施工工法_第1页
1/8
柔性连接管道施工工法_第2页
2/8
柔性连接管道施工工法_第3页
3/8
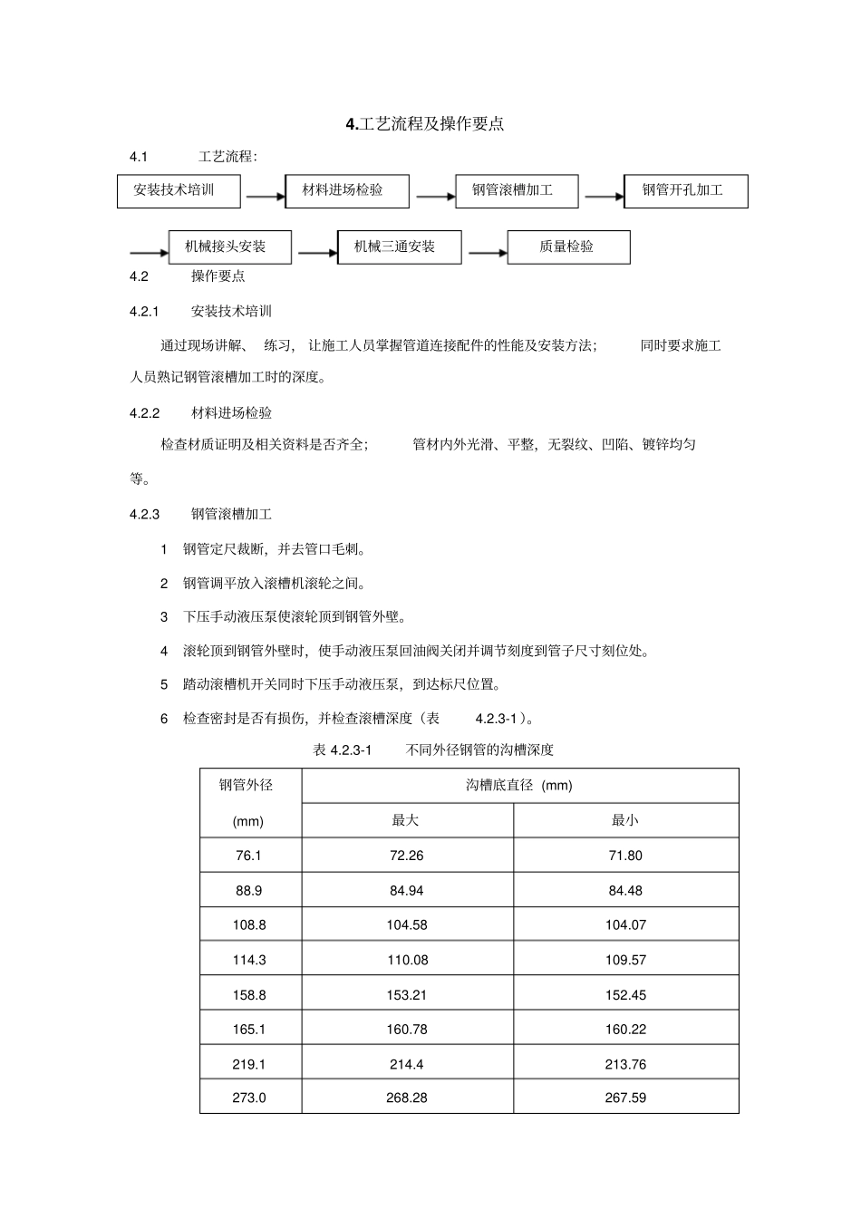
For personal use only in study and research; not for commercial use 柔性连接管道施工工法作者 : 李四江编制日期 :2001 年 3 月 11 日中建一局集团四公司国家电力调度中心项目经理部柔性连接管道施工工法前言柔性连接管道系统是国际上在本世纪二十年代发展起来的一种新兴管道连接方式,它与其它管道连接方式如焊接、法兰、丝扣连接相比,具有连接方便、严密牢固、性能可靠的优点。1.特点1.1利用标准的带沟槽钢管和接头,用Firelock 角度调节卡箍正向夹紧管子,所达到刚度可以抵抗扭力载荷和弯曲载荷。1.2 管道柔性连接配管系统柔性好,能适应管道的膨胀、收缩、偏转现象,可减少震动,吸收膨胀和收缩量。1.3 管道柔性连接配管系统采用独立的带槽管道,用橡胶垫圈进行密封,依靠外置的螺栓卡箍外壳来联成一体,可减少噪音和震动的传递。1.4管道柔性连接配管系统拆装方便,只要拆开二只卡箍(总共四只螺栓),就可对管道进行清洁、 维修、以及作系统扩展或变更;同时该系统调整简便,在其拼紧之前允许管道、管接件或卡箍作完全转动,以便进行校直对准,这种配置可避免法兰安装时出现的双孔化。2.适用范围本工法适用于工业与民用建筑内的消防用水、给水、 热水系统供水管道的安装。压力分2.1Mpa 和 3.5 Mpa 两种,适用温度为-340C--+14003. 工艺原理本工法是用压力响应式密封圈套连接钢管端部,用两片卡件包裹密封圈并卡入钢管沟槽,拧紧两头椭圆颈螺栓,以实现钢管的密封连接(图 3)。图 3 沟槽管件安装示意图材料进场检验钢管滚槽加工机械接头安装机械三通安装质量检验钢管开孔加工安装技术培训4.工艺流程及操作要点4.1 工艺流程:4.2 操作要点4.2.1 安装技术培训通过现场讲解、 练习, 让施工人员掌握管道连接配件的性能及安装方法;同时要求施工人员熟记钢管滚槽加工时的深度。4.2.2 材料进场检验检查材质证明及相关资料是否齐全;管材内外光滑、平整,无裂纹、凹陷、镀锌均匀等。4.2.3 钢管滚槽加工1 钢管定尺裁断,并去管口毛刺。2 钢管调平放入滚槽机滚轮之间。3 下压手动液压泵使滚轮顶到钢管外壁。4 滚轮顶到钢管外壁时,使手动液压泵回油阀关闭并调节刻度到管子尺寸刻位处。5 踏动滚槽机开关同时下压手动液压泵,到达标尺位置。6 检查密封是否有损伤,并检查滚槽深度(表4.2.3-1 )。表 4.2.3-1 不同外径钢管的沟槽深度钢管外径(mm) 沟槽底直径 (mm) 最大最小76.1 72.26 71.80 ...

1、当您付费下载文档后,您只拥有了使用权限,并不意味着购买了版权,文档只能用于自身使用,不得用于其他商业用途(如 [转卖]进行直接盈利或[编辑后售卖]进行间接盈利)。
2、本站所有内容均由合作方或网友上传,本站不对文档的完整性、权威性及其观点立场正确性做任何保证或承诺!文档内容仅供研究参考,付费前请自行鉴别。
3、如文档内容存在违规,或者侵犯商业秘密、侵犯著作权等,请点击“违规举报”。

碎片内容

柔性连接管道施工工法

确认删除?
VIP
微信客服
  • 扫码咨询
会员Q群
  • 会员专属群点击这里加入QQ群
客服邮箱
回到顶部