电脑桌面
添加小米粒文库到电脑桌面
安装后可以在桌面快捷访问

样板实施技术交底讲解VIP免费

样板实施技术交底讲解_第1页
1/10
样板实施技术交底讲解_第2页
2/10
样板实施技术交底讲解_第3页
3/10
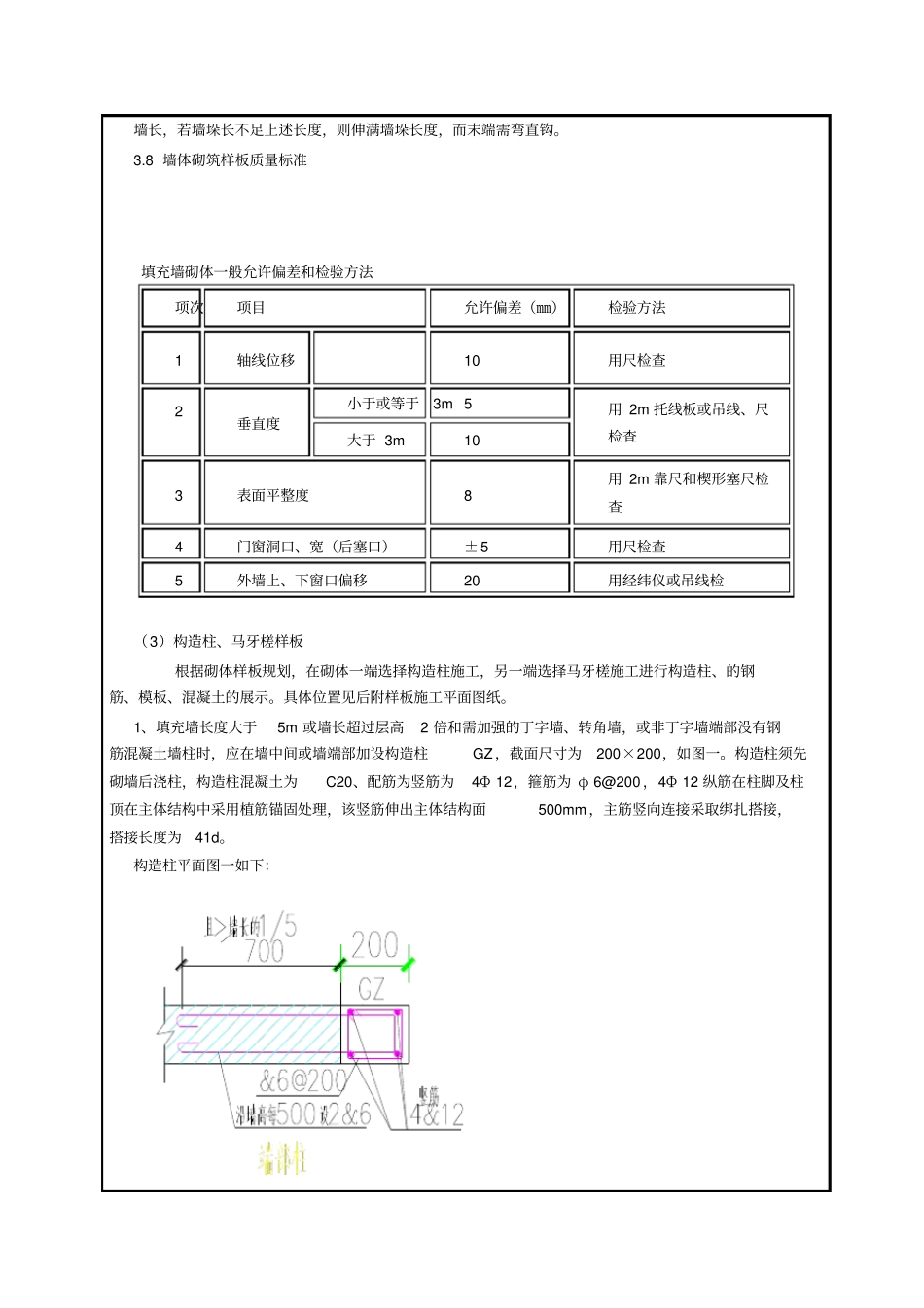
样板实施施工技术交底记录工程名称云南金茂丽江城区君悦酒店施工总承包工程交底部位样板实施施工技术交底交底日期2013 年 3 月 11 日施工单位中建四局第五建筑工程有限公司页数共 10 页技术内容:为了创 “云南省优质工程” ,同时也为了执行“样板先行”的制度,本工程准备在君悦酒店北侧专门化一块 42 ㎡的地块,对结构体墙、柱、梁、板,砌体墙砌筑、楼梯、坡屋面等各分项工程施工样板进行集中展示,以达到对外宣传、对内教育及指导的作用。一、工程样板的场地选择经过现场踏勘决定在君悦酒店北侧专设地块进行实施,采用6mx7m ,厚度为 80mmC15 砼对场地硬化。二、工程样板的内容该工程样板为各分项工程的集中展示,包括以下内容:现浇结构混凝土的观感样板、墙体砌筑样板、构造柱、马牙槎样板、构造柱混凝土样板、墙体抹灰样板、地下室外墙防水样板、墙体水电管预埋样板、楼梯样板、梁柱板模板支撑体系样板、斜屋面观感样板等。三、工程样板的具体实施(1)现浇结构混凝土观感样板材料采用:混凝土采用C30,做 300mm 宽, 2745mm 长,高度为1830mm 的墙体。此剪力墙的竖向筋:三级钢16@200,拉钩配筋三级钢6@600x600mm 梅花形布设,水平分布钢筋采用三级钢12@200 布设。注意 :在墙面上做测量弹线标记(建筑标高线、结构标高线等)。在浇筑剪力墙时保证混凝土的观感质量以此作为现浇结构混凝土观感样板。该混凝土观感质量整体要好,墙面上不得出现不平整、跑模现象,对于这种情况,需人工剔凿或用磨光机磨平不平整的混凝土面,然后在粗糙处用高一级的砂浆进行修补,使混凝土观感质量达到合格要求。(2)墙体砌筑样板根据样板位置规划,进行砌筑砌体,砌体位置砌筑于清水墙旁。砌体具体做法:砌筑高度2000mm 、长度 2500mm、宽度 200mm 的蒸压加气块;在砌体两端各设置马牙槎与构造柱(C20 混凝土,尺寸200×200mm,高度与墙顶齐平) 。注意事项: 1.在墙面上做好测量弹线标记(如标高、皮杆数弹线控制),并在墙体上做好开孔留洞(如电源开关线盒等) ;2.砌体外侧采用1:2.5 水泥砂浆抹灰压光。现场具体尽量把各施工工艺或施工要点作以展示,包括砌筑成品展示、一米线展示、拉结筋展示、砌筑留槎展示等。具体位置见后附样板施工平面图纸。1 、墙体砌筑工艺流程:在实施墙体样板位置进行墙体放线→砂浆制备→砌块排列→铺砂浆→砌块就位→校正→砌筑镶砖→竖缝灌砂浆→勒缝。2、砌筑形式:用水泥混合砂浆或水泥...

1、当您付费下载文档后,您只拥有了使用权限,并不意味着购买了版权,文档只能用于自身使用,不得用于其他商业用途(如 [转卖]进行直接盈利或[编辑后售卖]进行间接盈利)。
2、本站所有内容均由合作方或网友上传,本站不对文档的完整性、权威性及其观点立场正确性做任何保证或承诺!文档内容仅供研究参考,付费前请自行鉴别。
3、如文档内容存在违规,或者侵犯商业秘密、侵犯著作权等,请点击“违规举报”。

碎片内容

样板实施技术交底讲解

您可能关注的文档

确认删除?
VIP
微信客服
  • 扫码咨询
会员Q群
  • 会员专属群点击这里加入QQ群
客服邮箱
回到顶部