电脑桌面
添加小米粒文库到电脑桌面
安装后可以在桌面快捷访问

样板施工技术交底VIP免费

样板施工技术交底_第1页
1/20
样板施工技术交底_第2页
2/20
样板施工技术交底_第3页
3/20
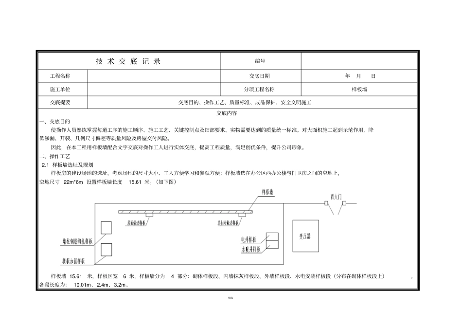
精选技 术 交 底 记 录编号工程名称交底日期年月日施工单位分项工程名称样板墙交底提要交底目的、操作工艺、质量标准、成品保护、安全文明施工交底内容一、交底目的使操作人员熟练掌握每道工序的施工顺序、施工工艺、关键控制点及细部要求、实物需要达到的质量统一标准。对大面积施工起到示范作用,降低渗漏、开裂、几何尺寸偏差等质量风险及房屋交付风险。因此,在本工程用样板墙配合文字交底对操作工人进行实体交底,提高工程质量,满足创优条件,提升公司形象。二、操作工艺2.1 样板墙选址及规划样板房的建设场地的选址,考虑场地的尺寸大小、工人方便学习和参观方便;样板墙选在办公区西办公楼与门卫房之间的空地上,空地尺寸 22m*6m,设置样板墙长度15.61 米。(如下图)样板墙 15.61米,样板区宽 6 米,样板墙分为 4 部分:砌体样板段、内墙抹灰样板段、外墙样板段、水电安装样板段(分布在砌体样板段上)。各段长度为: 10.01m、2.4m、3.2m。精选样板墙墙根(局部)设置卫生间和屋面防水样板,前方设置钢筋绑扎样板、模板加固样板、管道井和电井样板。(见下图)样板墙立面图精选2.2 样板墙做法2.2.1 砌体样板墙2.2.1.1 砌体构造要求⑴. 加气块砌筑流程:基层清理→放线定位→设置拉墙筋→制备砂浆→立皮数杆砌块排列→底砌→铺砂浆→挂线砌筑→校正→砂浆镶砖→竖缝灌砂浆→勒缝→7 天后砌顶斜砖⑵. 墙体除特殊注明者外, 均为 200 厚加气混凝土砌块墙, 两种不同材料的墙体交接处,应根据饰面材质在做饰面前加钉φ1@20 宽 300 钢丝网或贴玻璃纤维网格布再进行抹灰,加强带与各基体的搭接宽度不应小于150mm,以防止墙面开裂。⑶. 与后砌隔墙连接的钢筋混凝土墙柱,应配合建筑图在墙体位置,按墙的构造要求除预留窗台板、过梁、圈梁拉结筋外,应沿混凝土墙柱高每隔 500mm 设置 2φ 6 预埋通长筋。当墙垛处砌体无法砌筑时改为C20现浇素混凝土。⑷. 凡是没有混凝土上翻层的加气混凝土砌体下,均采用M5混合砂浆砌筑三皮烧结煤矸石砖。⑸. 与圈、过梁连接的钢筋混凝土柱、墙,应于圈梁纵向钢筋处预埋插筋,锚入柱、墙内不小于 35d ,伸出柱、墙外不小于700mm,并与圈、过梁精选钢筋搭接。⑹. 当圈梁为门洞切断时,应在洞顶设置一道不小于被切断的圈梁断面和配筋的钢筋混凝土附加圈梁,其配筋尚应满足过梁的要求,其搭接长度应不小于 1000mm。当两圈梁高差小于500mm时,圈梁也可沿洞口垂直拐弯与过梁连成框...

1、当您付费下载文档后,您只拥有了使用权限,并不意味着购买了版权,文档只能用于自身使用,不得用于其他商业用途(如 [转卖]进行直接盈利或[编辑后售卖]进行间接盈利)。
2、本站所有内容均由合作方或网友上传,本站不对文档的完整性、权威性及其观点立场正确性做任何保证或承诺!文档内容仅供研究参考,付费前请自行鉴别。
3、如文档内容存在违规,或者侵犯商业秘密、侵犯著作权等,请点击“违规举报”。

碎片内容

样板施工技术交底

您可能关注的文档

确认删除?
VIP
微信客服
  • 扫码咨询
会员Q群
  • 会员专属群点击这里加入QQ群
客服邮箱
回到顶部