电脑桌面
添加小米粒文库到电脑桌面
安装后可以在桌面快捷访问

2024年砌体工程技术交底记录大全VIP免费

2024年砌体工程技术交底记录大全_第1页
1/7
2024年砌体工程技术交底记录大全_第2页
2/7
2024年砌体工程技术交底记录大全_第3页
3/7
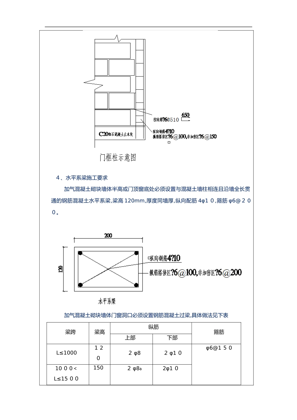
施工技术交底记录苏TJ1.8工程名称2015-G-24地块二期项目分部工程名称主体分项工程名称砌体工程交底记录一、施工准备(施工作业环境、材料、机具要求及劳动力安排);1、施工作业环境二次结构施工作业主要在室内进行,但由于本工程楼层空洞多、存在交叉存在,危险因素较多,施工过程中,主要存在着高空坠落、物体(如材料、机具等)打击、触电、机械伤害等安全隐患,施工中,作业人员要特别注意安全。2、材料、机具要求材料准备(1)蒸压砂加气混凝土砌块,规格:600mm×200mm×200mm、600mm×200mm×100mm、600mm×200mm×250mm;240mm×200mm×200mm.(2)自拌砂浆,强度:M5.0;(3)墙拉筋,规格:Φ6;构造柱钢筋,规格:Φ10;门框柱、腰梁钢筋,规格:Φ10;过梁钢筋,规格:Φ10;箍筋,规格:Φ6.(4)模板,规格:1830×915×12。机具准备手推车、垂直运输工具、铁锹、小白线、铺灰铲、大铲、刀锯、带齿刃、小锤、线锤、托线板、水平尺、灰桶、小水桶、圆盘锯、手锯、钢筋加工机械等;3、劳动力安排钢筋、模板、瓦工班组要根据现场情况和进度要求合理安排施工人员,以保证施工进度。二、墙体砌筑施工1、导墙浇筑要求1)导墙施工前,构造柱、门框柱的植筋应提前完成。2)导墙浇筑前,应将模板内的杂物清理干净并洒水湿润。3)浇筑过程中,施工人员要控制好插入式振动棒,确保混凝土振捣密实,以防出现蜂窝、麻面、空洞等质量缺陷。浇筑完成后,止水坎的表面要抹平收光以使其表面平整光滑。2、构造柱施工要求1)构造柱设置要求a.加气混凝土砌块填充墙墙体长度大于5m时,构造柱间距不应大于3m,墙端应设置构造柱(构造柱具体定位详见附图)。构造柱宽200mm,厚度同墙厚,纵向配筋4φ10,箍筋φ6@200,加密区φ6@100。2)构柱砌筑要求构造柱与墙连接处应砌成马牙槎,马牙槎长60mm,从柱脚开始,马牙槎先退后进,槎口边缘必须横平竖直。构造柱与墙间应采用2φ6的拉结筋拉结,间距应为两皮砖,每边伸入墙内10cm或伸至洞口边。3、门框柱施工要求1)门框柱设置要求加气混凝土砌块墙体门洞两边必须设置门框柱,门框柱宽100mm,厚度同墙厚,纵向配筋1φ10,箍筋φ6@420。门框柱与墙连接处应砌成马牙槎,马牙槎长60mm,从柱脚开始,马牙槎先退后进,槎口边缘必须横平竖直。4、水平系梁施工要求加气混凝土砌块墙体半高或门顶窗底处必须设置与混凝土墙柱相连且沿墙全长贯通的钢筋混凝土水平系梁,梁高120mm,厚度同墙厚,纵向配筋4φ10,箍筋φ6@200。加气混凝土砌块墙体门窗洞口必须设置钢筋混凝土过梁,具体做法见下表梁跨梁高纵筋箍筋上部下部L≤10001202φ82φ10φ6@1501000<L≤15001502φ8ﻩ2φ101500

1、当您付费下载文档后,您只拥有了使用权限,并不意味着购买了版权,文档只能用于自身使用,不得用于其他商业用途(如 [转卖]进行直接盈利或[编辑后售卖]进行间接盈利)。
2、本站所有内容均由合作方或网友上传,本站不对文档的完整性、权威性及其观点立场正确性做任何保证或承诺!文档内容仅供研究参考,付费前请自行鉴别。
3、如文档内容存在违规,或者侵犯商业秘密、侵犯著作权等,请点击“违规举报”。

碎片内容

2024年砌体工程技术交底记录大全

山水人家+ 关注
实名认证
内容提供者

读万卷书,行万里路。

确认删除?
微信客服
  • 扫码咨询
会员Q群
  • 会员专属群点击这里加入QQ群