电脑桌面
添加小米粒文库到电脑桌面
安装后可以在桌面快捷访问

LED路灯与传统路灯对比VIP免费

LED路灯与传统路灯对比_第1页
1/13
LED路灯与传统路灯对比_第2页
2/13
LED路灯与传统路灯对比_第3页
3/13
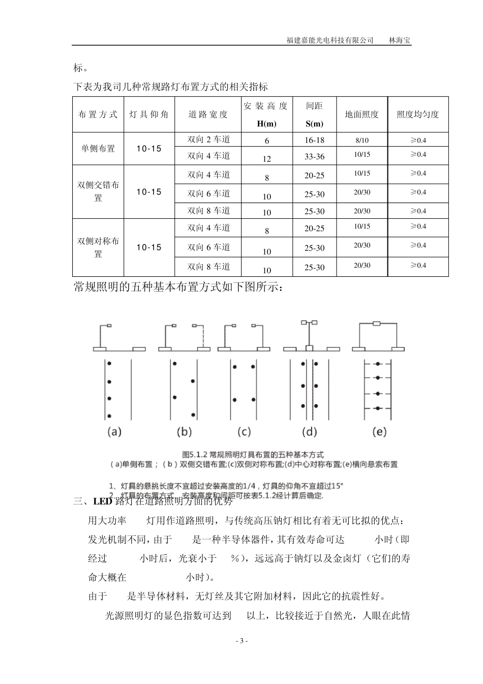
福建嘉能光电科技有限公司 林海宝 - 1 - LED 路 灯 节 能 改 造 方 案 介 绍 二O一二年六月 福建嘉能光电科技有限公司 林海宝 - 2 - 一、 背景 随着世界能源危机的加剧,各国都在寻求解决能源危机的办法。一条道路是寻求新能源和可再生能源的利用;另一条是寻求新的节能技术,降低能源的消耗,提高能源的利用效率。 在过去的一百多年中,照明光源经历了三个重要的阶段:白炽灯、荧光灯、高强度气体放电灯(HID),如今在照明界具有广阔发展前景的 LED光源被称为第四代光源。LED作为新兴的一种光源,具有寿命长、发光效率高、功耗低、启动时间短、显色指数高、工作温度低、结构牢固、不怕震动、方向性好、工作电压低、无紫外辐射、重量轻等显著特点,是世界上最有发展潜力的新一代光源。而且LED光源可实现无汞化生产,对环境保护同样具有重要意义。用半导体 LED作为光源的固态照明灯,将会逐渐取代传统的照明灯而进入各种应用领域。 目前,照明消耗约占整个电力消耗的20%,大大降低照明用电是节省能源的重要途径。LED正以其固用的优越性吸引着世界的目光。美国,日本等国家及台湾地区对LED照明效益进行了预测,美国55%的白炽灯、日光灯被LED取代,每年可节省350亿美元电费,每年可减少7.55亿吨二氧化碳排放量。日本100%的白炽灯换成LED,可减少1-2座核电站发电量,每年可节省10亿公升以上原油消耗。台湾地区25%的白炽灯及100%日光灯被LED取代,每年可节省110亿度电。LED照明灯还将会形成500亿美元的巨大产业市场。 近年来国际上著名的照明公司如飞利浦、欧司朗、GE等都相继推出LED半导体照明计划,设立国家级重点实验室,投入巨资开发研究。争先占领LED照明领域的最前沿。 我国有资料显示,每年用于照明的电力接近2500亿度,其中若能有三分之一采用 LED照明,每年就可以节约800亿度电,基本上相当于一个三峡电站的年发电量,对缓解我国日益严峻的能源危机,电力紧缺将起到巨大的积极作用。为此,我国专项成立了“国家半导体照明委员会”,出台了国家半导体照明工程计划,建立LED产业化基地,推动我国 LED产业的健康发展。 二、 道路照明设计一般要求 按照《城市道路照明设计标准》的要求,机动车交通道路照明应以路面平均亮度(或路面平均照度)、路面亮度均匀度和纵向均匀度(或路面照度均匀度)、眩光限制、环境比和诱导性为评价指标。 人行道路及小区照明应以路面平均照度、路面最小照度和垂直照度为评价指福...

1、当您付费下载文档后,您只拥有了使用权限,并不意味着购买了版权,文档只能用于自身使用,不得用于其他商业用途(如 [转卖]进行直接盈利或[编辑后售卖]进行间接盈利)。
2、本站所有内容均由合作方或网友上传,本站不对文档的完整性、权威性及其观点立场正确性做任何保证或承诺!文档内容仅供研究参考,付费前请自行鉴别。
3、如文档内容存在违规,或者侵犯商业秘密、侵犯著作权等,请点击“违规举报”。

碎片内容

LED路灯与传统路灯对比

您可能关注的文档

小辰5+ 关注
实名认证
内容提供者

出售各种资料和文档

确认删除?
VIP
微信客服
  • 扫码咨询
会员Q群
  • 会员专属群点击这里加入QQ群
客服邮箱
回到顶部