电脑桌面
添加小米粒文库到电脑桌面
安装后可以在桌面快捷访问

LEED金奖、绿色建筑二星级认证及绿色施工方案VIP免费

LEED金奖、绿色建筑二星级认证及绿色施工方案_第1页
1/31
LEED金奖、绿色建筑二星级认证及绿色施工方案_第2页
2/31
LEED金奖、绿色建筑二星级认证及绿色施工方案_第3页
3/31
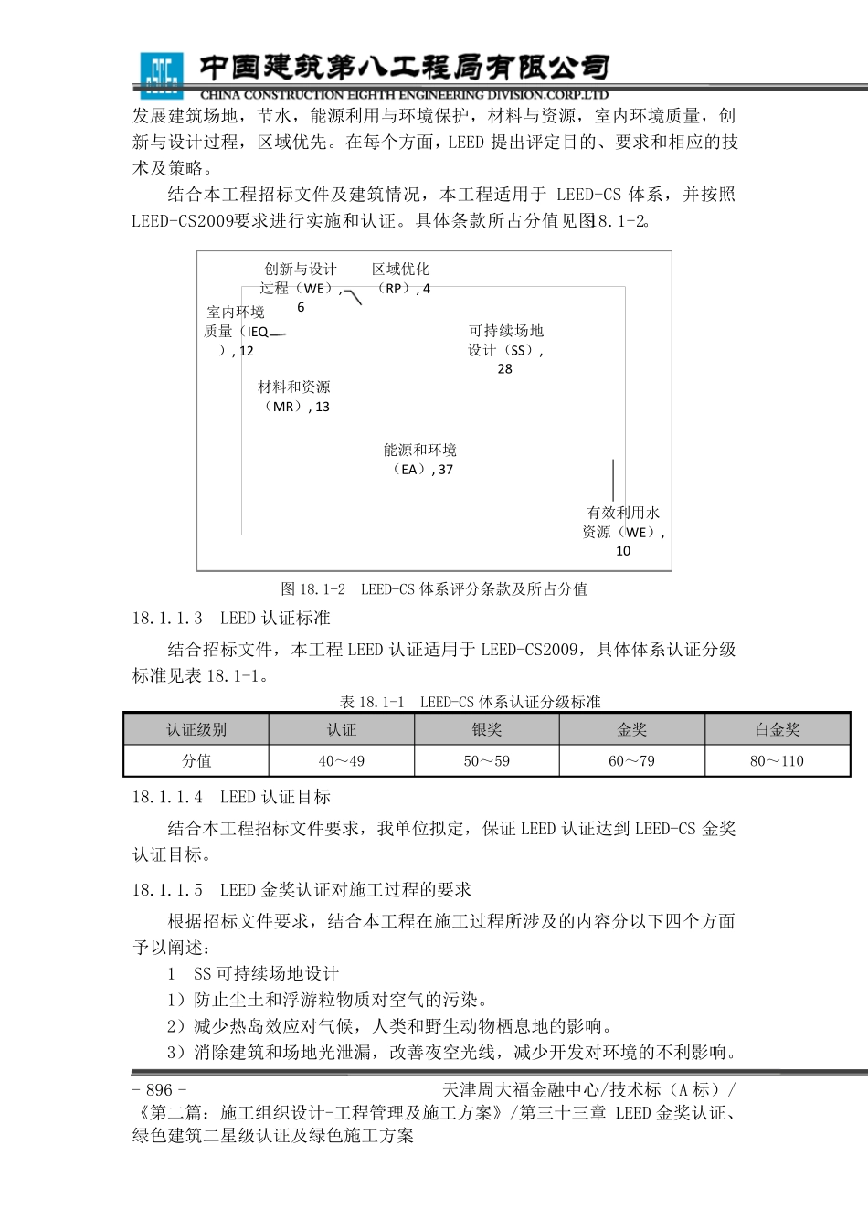
天津周大福金融中心/技术标(A 标)/《第二篇:施工组织设计-工程管理及施工方案》/第三十三章 LEED 金奖认证、绿色建筑二星级认证及绿色施工方案 - 895 - 第三十三章 LEED 金奖认证、绿色建筑二星级认证及绿色施工实施方案 18.1 LEED 金奖及绿色建筑二星级认证实施方案 我单位历来对绿色施工、节能减排工作非常重视,通过科学管理和技术进步,实现建筑施工“四节一环保”。2003 年我单位就立项进行了“绿色混凝土技术”研究,并于 2006 年形成了一套由“绿色施工特殊工艺技术、绿色施工技术标准、绿色施工评价标准、绿色施工管理标准”等组成的绿色施工综合技术成果,此成果荣获 2008 年华夏建设科学技术奖二等奖。2008 年发布了企业标准《绿色施工评 价 标准 》, 我单位主 编 的 《建筑工程绿色施工评 价 标准 》(GB/T50640-2010)于 2010 年 11 月 3 日由住房和城乡建设部批准发布。近年来,我单位有 6 个承建的工程通过LEED 金奖认证,因此对绿色建筑和LEED 认证具有丰富的经验和深刻的体会。针对本工程实际情况,我单位将抽调各个项目有丰富LEED 认证及中国绿色建筑二星级地标认证经验人员,组成本项目的认证管理团队,确保本项目通过LEED 金奖认证和中国绿色建筑二星级地标认证。 18.1.1 LEED 认证简介 LEED(Leadership in Energy and Environmental Design)体系是一个国际性绿色建筑认证系统 ,1998 年由美 国绿色建筑委 员会(USGBC)颁 布了第一个LEED 认证体系(LEEDV1.0)并建立了 LEED 认证组织,开 始 了绿色建筑认证工作。经过广 泛 的修 改 ,2000 年 3 月发布了 LEEDV2.0,2002 年发布了 LEEDV2.1,2005年发布了 LEEDV2.2。随 着 LEED 的发展 和成熟 ,该 体系也 在 进一步完 善 。根 据 设计要 求 本工程符 合 LEED 2009 中对施工过程的要 求 。 18.1.1.1 LEED 认证评估 体系 针对不 同 的项目类 型 LEED 有不 同 的评估 体系,具体见 图 18.1-1。 评估 体系LEEDLEED-H住宅LEEDLEED-CI商 业内 部LEEDLEED-ND社 区LEEDLEED-EB既 有建筑LEEDLEED-CS核 心和外 壳LEEDLEED-NC新 建建筑LEEDLEED-S学校LEED 图 18.1-1 LEED 评估 体系 18.1.1.2 LEED 认证评分 条 款 LEED 2009 评价体系通过7 个方面 对建筑项目进行绿色评定 ,包 括 :可 持 续 - 896 - 天津周大福金融中心/技术标(A ...

1、当您付费下载文档后,您只拥有了使用权限,并不意味着购买了版权,文档只能用于自身使用,不得用于其他商业用途(如 [转卖]进行直接盈利或[编辑后售卖]进行间接盈利)。
2、本站所有内容均由合作方或网友上传,本站不对文档的完整性、权威性及其观点立场正确性做任何保证或承诺!文档内容仅供研究参考,付费前请自行鉴别。
3、如文档内容存在违规,或者侵犯商业秘密、侵犯著作权等,请点击“违规举报”。

碎片内容

LEED金奖、绿色建筑二星级认证及绿色施工方案

确认删除?
VIP
微信客服
  • 扫码咨询
会员Q群
  • 会员专属群点击这里加入QQ群
客服邮箱
回到顶部