电脑桌面
添加小米粒文库到电脑桌面
安装后可以在桌面快捷访问

LM324新规格书VIP免费

LM324新规格书_第1页
1/11
LM324新规格书_第2页
2/11
LM324新规格书_第3页
3/11
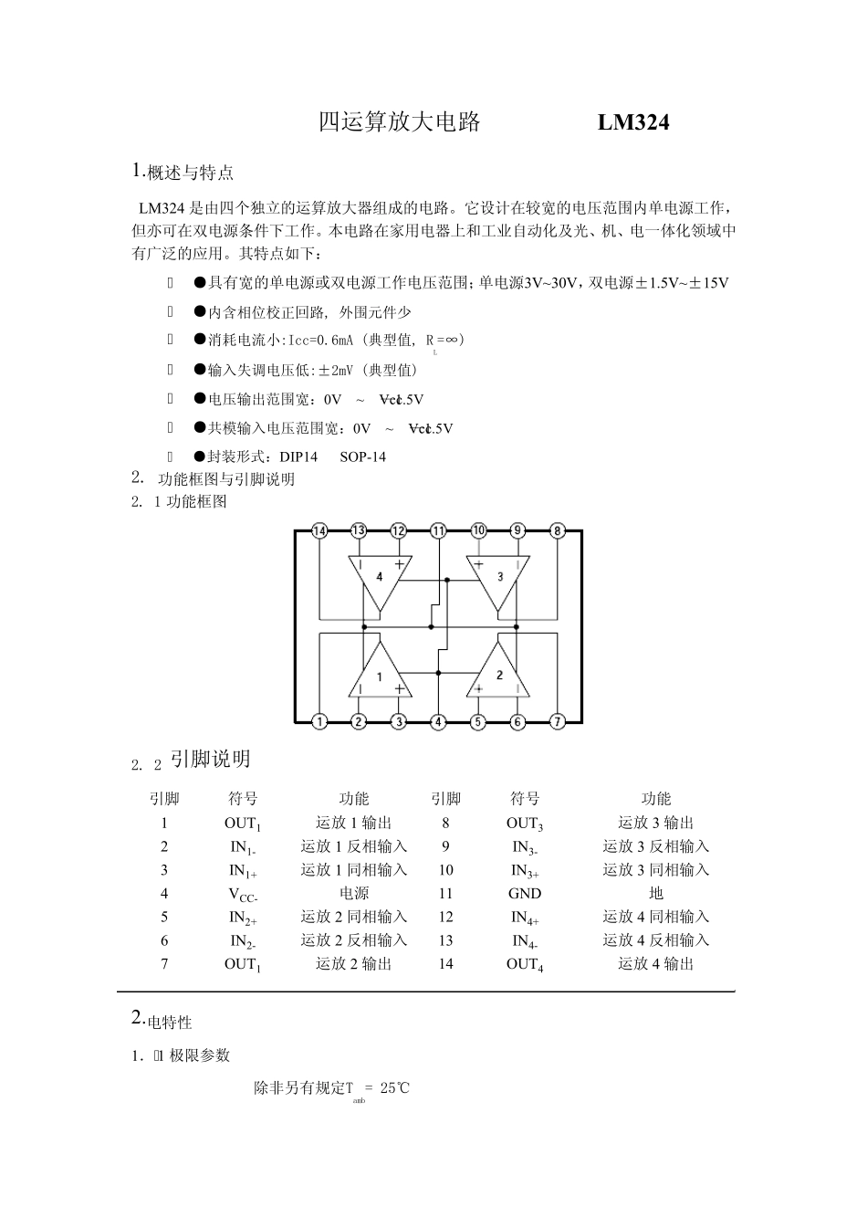
四运算放大电路 LM 32 4 1.概述与特点 LM324 是由四个独立的运算放大器组成的电路。它设计在较宽的电压范围内单电源工作,但亦可在双电源条件下工作。本电路在家用电器上和工业自动化及光、机、电一体化领域中有广泛的应用。其特点如下: ●具有宽的单电源或双电源工作电压范围;单电源3V~30V,双电源±1.5V~±15V ●内含相位校正回路, 外围元件少 ●消耗电流小:Icc=0.6mA (典型值, RL=∞) ●输入失调电压低:±2mV (典型值) ●电压输出范围宽:0V ~ Vcc—1.5V ●共模输入电压范围宽:0V ~ Vcc—1.5V ●封装形式:DIP14 SOP-14 2. 功能框图与引脚说明 2. 1 功能框图 2. 2 引脚说明 引脚 符号 功能 引脚 符号 功能 1 OUT1 运放1 输出 8 OUT3 运放3 输出 2 IN1- 运放1 反相输入 9 IN3- 运放3 反相输入 3 IN1+ 运放1 同相输入 10 IN3+ 运放3 同相输入 4 VCC- 电源 11 GND 地 5 IN2+ 运放2 同相输入 12 IN4+ 运放4 同相输入 6 IN2- 运放2 反相输入 13 IN4- 运放4 反相输入 7 OUT1 运放2 输出 14 OUT4 运放4 输出 2.电特性 1. 1 极限参数 除非另有规定Tamb= 25℃ 参数名称 符号 额定值 单位 电源电压 VCC 32 V 输入差分电压 VID 32 V 功耗 PD 720 mW 工作环境温度 Tamb -30~85 ℃ 贮存温度 Tstg -55~125 ℃ 3. 2推荐工作条件 推 荐 条 件 参数名称 符号 最小 典型 最大 单 位 电源电压单电源 VCC +3 +5 +30 V 电源电压双电源 VCC VEE ±1.5 ±2.5 ±15 V 3. 3 电特性 除非另有规定Tamb= 25℃,VCC = 5V 规范值 参数名称 符号 测试条件 最小 典型 最大 单位 静态电流 ICCQ1 0.6 2 mA 静态电流 ICCQ2 VCC=30 1.5 3 mA 输入失调电压 VIO ±2 ±7 mA 输入失调电流 IIO 5 50 nA 输入偏置电流 IIB 45 250 nA 输入共模电压范围 VICR 0 VCC-1.5 V 共模抑制比 KCMR 65 80 dB 大信号电压增益 Av VCC=15V RL≥2kOHM 88 100 dB 输出电压范围 Vo 0 VCC-1.5 V 电源电压变动抑制比 KSVR 65 100 dB 输出源电流 IOSOURCE VIN+=1V, VIN- =0V 20 40 mA 输出灌电流 IOSSINK IN+=0V, IN-=1V 10 20 mA 通道分离度 C.S f=1kHZ~20kHZ 120 dB 4. 4. 测试线路 4.1 测试线路 1 4.2 测试线路 2 5 典线特性 6. 6. 应用线路与应用说明 7 .外型尺寸

1、当您付费下载文档后,您只拥有了使用权限,并不意味着购买了版权,文档只能用于自身使用,不得用于其他商业用途(如 [转卖]进行直接盈利或[编辑后售卖]进行间接盈利)。
2、本站所有内容均由合作方或网友上传,本站不对文档的完整性、权威性及其观点立场正确性做任何保证或承诺!文档内容仅供研究参考,付费前请自行鉴别。
3、如文档内容存在违规,或者侵犯商业秘密、侵犯著作权等,请点击“违规举报”。

碎片内容

LM324新规格书

您可能关注的文档

确认删除?
VIP
微信客服
  • 扫码咨询
会员Q群
  • 会员专属群点击这里加入QQ群
客服邮箱
回到顶部