电脑桌面
添加小米粒文库到电脑桌面
安装后可以在桌面快捷访问

LPC总线介绍VIP免费

LPC总线介绍_第1页
1/8
LPC总线介绍_第2页
2/8
LPC总线介绍_第3页
3/8
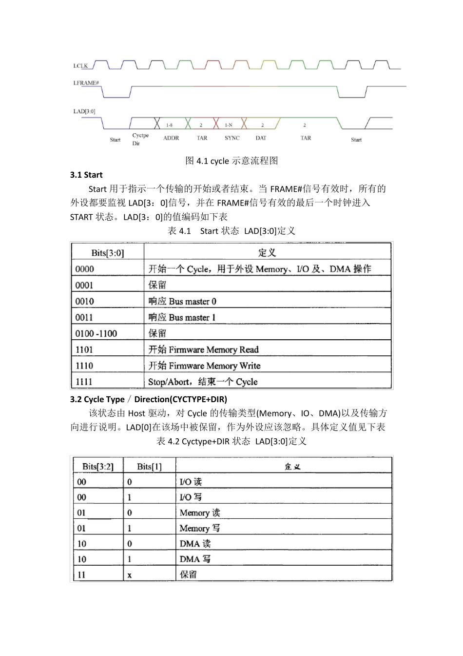
在 NB 电路的架构框图中,我们可以看到 PCH 和 EC 之间通过 LPC 总线连接,在 MB 板上也会看到 EC 芯片旁边有一个 JDEBUG 的 connector,其也与 LPC 总线相连,用于主板诊断。下面将对 LPC 总线做一些简单介绍,希望能够帮助大家了解 LPC 的工作原理: 1、 LPC 总线 LPC(Low Pin Count)是基于 Intel 标准的 33 MHz 4 bit 并行总线协议(但目前 NB 系统中 LPC 的时钟频率为 24MHz,可能是由于 CPU 平台的不断发展导致的,后面会具体分析),用于代替以前的 ISA 总线协议,但两者性能相似,都用于连接南桥和 Super I/O 芯片、FLASH BIOS、EC 等设备(由于目前 EC 芯片中整合了 Super I/O 功能,所以我们在 NB 系统中看不到 LPC 总线上挂有 Super I/O 芯片了)。 传统 ISA BUS 速率大约在 7.159~8.33MHz,提供的理论尖峰传输值为 16MB/s,但是 ISA BUS 与传统的 PCI BUS 的电气特性、信号定义方式迥异,使得南桥芯片、Super I/O 芯片浪费很多针脚来做处理,主板的线路设计也显得复杂。为此,Intel定义了 LPC 接口,将以往ISA BUS 的地址/数据分离译码,改成类似 PCI 的地址/数据信号线共享的译码方式,信号线数量大幅降低,工作速率由 PCI 总线速率同步驱动(时钟同为 33MHz),虽然改良过的 LPC 接口一样维持最大传输值16MB/s,但信号管脚却大幅减少了 25~30 个,以 LPC 接口设计的 Super I/O 芯片、Flash 芯片都能享有脚位数减少、体积微缩的好处,主板的设计也可以简化,这也是取名LPC——Low Pin Count 的原因。 2、LPC 总线的接口管脚 LPC 总线由 7 个必选信号和 6 个可选信号组成,具体如下表所示: 表 3-2 LPC 总线可选信号列表 信号 外设 Host 设备 信号描述 LDRQ# O I 外设进行 DMA or bus mastering 操作的总线请求信号,一对一,外设之间不能共享同一个 LDRQ# SERIRQ I/O I/O 中断请求信号 CLKRUN# OD I/OD 外设进行 DMA or bus mastering 操作才会需要该信号,用于停止 PIC bus,同PCI CLKRUN 信号 LPME# OD I/OD 电源管理唤醒,与 PCI PME 相似 LPCPD# I O Power Down LSMI# OD I SMI 信号 系统管理中断 MB 板上的JDEBUG connector 有12pin,没有连接LRESET#信号,只连接了其余的6 个必选信号,为主板诊断提供接口,其中CLK_DEBUG 由PCH 提供,24MHZ: EC ...

1、当您付费下载文档后,您只拥有了使用权限,并不意味着购买了版权,文档只能用于自身使用,不得用于其他商业用途(如 [转卖]进行直接盈利或[编辑后售卖]进行间接盈利)。
2、本站所有内容均由合作方或网友上传,本站不对文档的完整性、权威性及其观点立场正确性做任何保证或承诺!文档内容仅供研究参考,付费前请自行鉴别。
3、如文档内容存在违规,或者侵犯商业秘密、侵犯著作权等,请点击“违规举报”。

碎片内容

您可能关注的文档

确认删除?
VIP
微信客服
  • 扫码咨询
会员Q群
  • 会员专属群点击这里加入QQ群
客服邮箱
回到顶部