电脑桌面
添加小米粒文库到电脑桌面
安装后可以在桌面快捷访问

2024年区间隧道结构设计VIP免费

2024年区间隧道结构设计_第1页
1/22
2024年区间隧道结构设计_第2页
2/22
2024年区间隧道结构设计_第3页
3/22
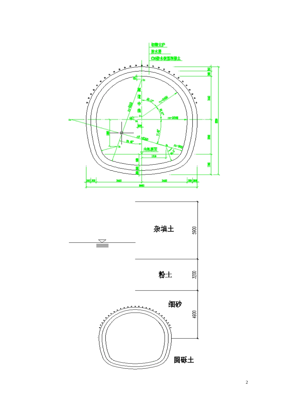
地铁区间隧道结构设计计算书一、设计任务对某区间隧道进行结构检算,求出内力,并进行配筋计算。具体设计基本资料如下:1.1工程地质条件线路垂直于永定河冲、洪积扇的轴部,第四纪地层沉积韵律明显,地层由上到下依次为:杂填土、粉土、细砂、圆砾土、粉质粘土、卵石土。其主要物理力学指标如表1,本地区地震烈度为7度。表1各层土的物理力学指标土的类型厚度(m)重度γ(kN/m3)弹性抗力系数(Mpa/m)变形模量E(GPa)泊松比μ内摩擦角ф(º)粘聚力C(Mpa)杂填土5.916500.80.4200.005粉土3.218900.90.35210.01细砂4.9191001.20.32220.01圆砾土9.819.51201.50.32250.01粉质粘土5.220.01501.80.32230.02卵石土6.720.02002.00.30270.03基岩223002.50.35350.041.2其他条件地下水位在地面以下4.2处;隧道顶板埋深10.7m;采用暗挖法施工,隧道断面型式为5心圆马蹄形结构。12二、设计过程2.1根据给定的隧道或车站埋深判断结构深、浅埋;可以采用《铁路隧道设计规范》推荐的方法,即有上式中s为围岩的级别;B为洞室的跨度;i为B每增加1m时的围岩压力增减率。由于隧道拱顶埋深10.7m,位于粉土层、细砂层和圆砾土中,根据《地铁设计规范》10.1.2可知“暗挖结构的围岩分级按现行《铁路隧道设计规范》确定”。围岩为Ⅵ级围岩。则有因为埋深,可知该隧道为极浅埋。2.2计算作用在结构上的荷载;1永久荷载A顶板上永久荷载a.顶板自重(可只考虑二衬)b.地层竖向土压力由于拱顶埋深10.7m,则顶上土层有杂填土、粉土、细砂,且地下水埋深4.2m,应考虑土层压力和地下水压力的影响。c.地层竖向水压力B底板上永久荷载a.底板自重b.水压力(向上):3C侧墙上永久荷载地层侧向压力按主动土压力的方法计算,由于埋深在地下水位以下,需考虑地下水的影响。(为简化计算,按水土分算)a.侧墙自重b.对于隧道侧墙上部土压力:用朗肯主动土压力方法计算c.对于隧道侧墙图层分界处土压力=d.对于隧道圆心高度土压力=e.对于隧道侧墙底部土压力4f.对于隧道侧墙水压力2可变荷载A顶板上可变荷载按《地铁设计规范》10.2.1中第三条规定:在道路下面的潜埋暗挖隧道,地面的车辆荷载按10KPa的均布荷载取值,并不计动力作用影响。人行荷载可以不用考虑。B底板上可变荷载主要为列车车辆运行的可变荷载,一般取为C侧墙上可变荷载由于到隧道上部地面车辆的运行,会导致侧向压力的增大:ﻫ3偶然荷载在本设计中,仅考虑比较简单的情况,偶然荷载可以不用计算。2.3进行荷载组合51、承载能力极限状态荷载组合采用1.2恒载+1.4活载根据以上各种计算,作用在隧道上的设计荷载有:拱顶:设计恒载:-290.3设计活载:-14底板:设计恒载:148.6设计活载:-7侧墙(顶部):设计恒载:170.5(x方向;-150(y方向)设计活载:5.81(x方向);-175(y方向)(底部):设计恒载:292.6(x方向);-150(y方向)设计活载:3.262(x方向);-175(y方向)2、正常使用极限状态荷载组合采用恒载+活载根据以上各种计算,作用在隧道上的设计荷载有:拱顶:设计恒载:-241.9设计活载:-10底板:设计恒载:123.8设计活载:-5侧墙(顶部):设计恒载:142.1(x方向;-125(y方向)设计活载:4.15(x方向);-125(y方向)(底部):设计恒载:243.8(x方向);-125(y方向)设计活载:2(x方向);-125(y方向)2.4绘出结构受力图根据荷载组合值,可以分别计算出拱顶、底板、侧墙和中墙的设计荷载值,如下图:62.5利用midas程序计算结构内力首先应进行单元划分,然后定义荷载和截面,加入边界条件。在midas程序中施加各类荷载,然后运行后就可得到单元内力,弯矩图和轴力图(如下)。(1)承载能力极限状态隧道断面的弯矩图7隧道断面的轴力图(2)正常使用极限状态82.6结构配筋计算和截面配筋图绘制(隧道结构取最不利截面配筋)1.配筋计算经过计算,可知中墙顶部为最不利位置,沿隧道纵向取1m的计算单元,弯矩最大为204.05kN.m,轴力为383.55kN,以此截面为控制截面进行配筋,为简便计算,可以对称配筋。由于截面长度b=1.0m,高度h=0.4m,计算长度L=0.5m,由于钢筋采用二级HRB335,混凝土C30,保护层厚度为50mm,相对界限受...

1、当您付费下载文档后,您只拥有了使用权限,并不意味着购买了版权,文档只能用于自身使用,不得用于其他商业用途(如 [转卖]进行直接盈利或[编辑后售卖]进行间接盈利)。
2、本站所有内容均由合作方或网友上传,本站不对文档的完整性、权威性及其观点立场正确性做任何保证或承诺!文档内容仅供研究参考,付费前请自行鉴别。
3、如文档内容存在违规,或者侵犯商业秘密、侵犯著作权等,请点击“违规举报”。

碎片内容

2024年区间隧道结构设计

山水人家+ 关注
实名认证
内容提供者

读万卷书,行万里路。

确认删除?
VIP
微信客服
  • 扫码咨询
会员Q群
  • 会员专属群点击这里加入QQ群
客服邮箱
回到顶部