电脑桌面
添加小米粒文库到电脑桌面
安装后可以在桌面快捷访问

MAZAK机床操作培训VIP专享VIP免费

MAZAK机床操作培训_第1页
1/11
MAZAK机床操作培训_第2页
2/11
MAZAK机床操作培训_第3页
3/11
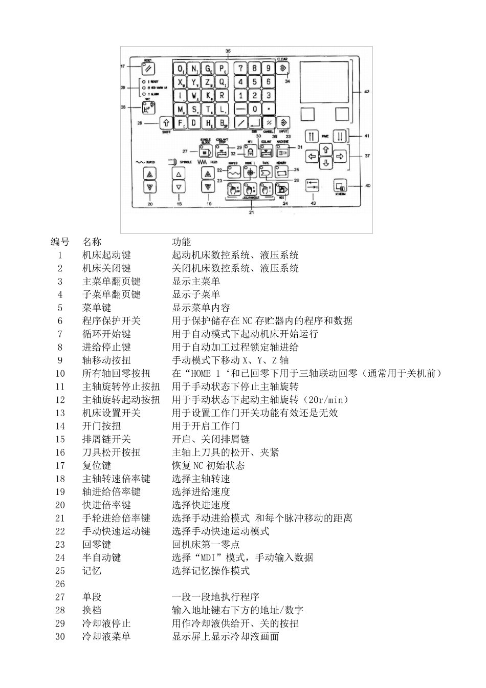
MAZAK 机床操作培训 一、机床简介 MAZAK 机床是一部数控机床。设有 X、Y、Z 三根轴,三轴可联动;设有一个刀库,刀库有 30 个刀盒,可装 30 把刀具;主轴采用立式安装,可进行铣、钻、铰、镗、攻丝等多种工艺加工要求。系统分辩率为 0.001,有较高的加工精度。 二、面板说明 编号 名称 功能 1 机床起动键 起动机床数控系统、液压系统 2 机床关闭键 关闭机床数控系统、液压系统 3 主菜单翻页键 显示主菜单 4 子菜单翻页键 显示子菜单 5 菜单键 显示菜单内容 6 程序保护开关 用于保护储存在NC 存贮器内的程序和数据 7 循环开始键 用于自动模式下起动机床开始运行 8 进给停止键 用于自动加工过程锁定轴进给 9 轴移动按扭 手动模式下移动X、Y、Z 轴 10 所有轴回零按扭 在“HOME 1‘和已回零下用于三轴联动回零(通常用于关机前) 11 主轴旋转停止按扭 用于手动状态下停止主轴旋转 12 主轴旋转起动按扭 用于手动状态下起动主轴旋转(20r/min) 13 机床设置开关 用于设置工作门开关功能有效还是无效 14 开门按扭 用于开启工作门 15 排屑链开关 开启、关闭排屑链 16 刀具松开按扭 主轴上刀具的松开、夹紧 17 复位键 恢复 NC 初始状态 18 主轴转速倍率键 选择主轴转速 19 轴进给倍率键 选择进给速度 20 快进倍率键 选择快进速度 21 手轮进给倍率键 选择手动进给模式 和每个脉冲移动的距离 22 手动快速运动键 选择手动快速运动模式 23 回零键 回机床第一零点 24 半自动键 选择“MDI”模式,手动输入数据 25 记忆 选择记忆操作模式 26 27 单段 一段一段地执行程序 28 换档 输入地址键右下方的地址/数字 29 冷却液停止 用作冷却液供给开、关的按扭 30 冷却液菜单 显示屏上显示冷却液画面 31 维修 显示维修菜单 32 机床功能 与其它功能键共同使用 33 输入 使数据进入和显示在数据输入区域里 34 清除 删除光标前的字符和机床篮色报警 35 地址/数字 输入地址和数字 36 删除 删除光标后的字符 37 光标 光标左、右、上、下移动 38 优化程序 程序(MAZATROL)优化 39 机床状态指示灯 40 41 换页 更换页面 42 三 操作说明 3.1 开机前注意事项 (1) 检查液压油、主轴油、润滑油是否足够,冷却液是否足够。 3.2 开机 (1) 接通电源; (2) 按下机床启动键,等待“REDAY”指示灯亮后(绿色),再进行下...

1、当您付费下载文档后,您只拥有了使用权限,并不意味着购买了版权,文档只能用于自身使用,不得用于其他商业用途(如 [转卖]进行直接盈利或[编辑后售卖]进行间接盈利)。
2、本站所有内容均由合作方或网友上传,本站不对文档的完整性、权威性及其观点立场正确性做任何保证或承诺!文档内容仅供研究参考,付费前请自行鉴别。
3、如文档内容存在违规,或者侵犯商业秘密、侵犯著作权等,请点击“违规举报”。

碎片内容

MAZAK机床操作培训

确认删除?
VIP
微信客服
  • 扫码咨询
会员Q群
  • 会员专属群点击这里加入QQ群
客服邮箱
回到顶部