电脑桌面
添加小米粒文库到电脑桌面
安装后可以在桌面快捷访问

MMA7455VIP免费

MMA7455_第1页
1/7
MMA7455_第2页
2/7
MMA7455_第3页
3/7
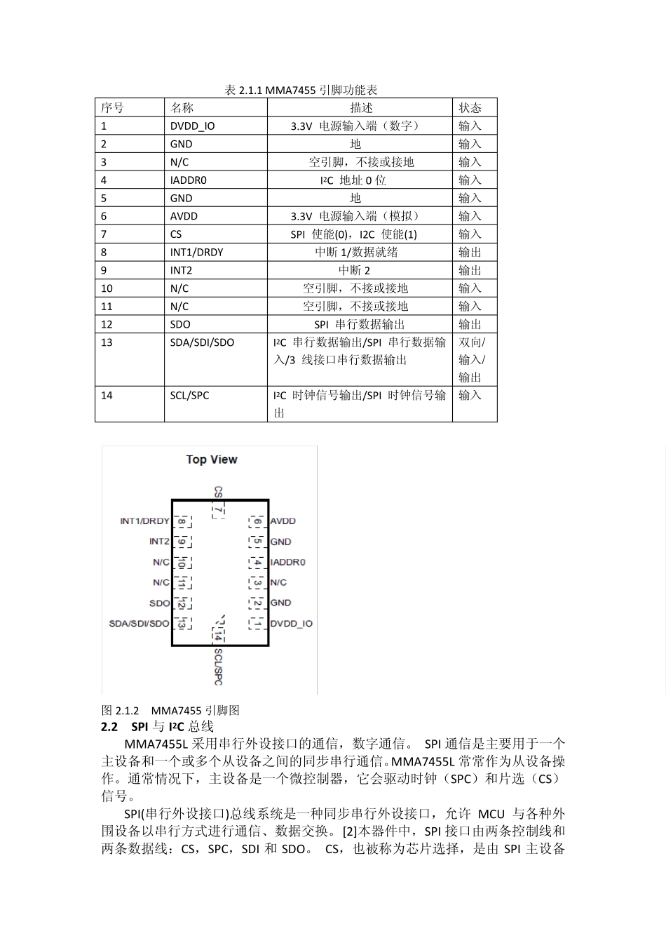
1.1 M M A7455 简要介绍 MMA7455 是一款数字输出(I2C/SPI)、低功耗、紧凑型电容式微机械三轴加速度计,具有信号调理、低通滤波器、温度补偿、自测、可配置通过中断引脚(INT1或 INT2)检测 0g、以及脉冲检测(用于快速运动检测)等功能。0g 偏置和灵敏度是出厂配置,无需外部器件。客户可使用指定的 0g 寄存器和 g-Select 量程选择对 0g 偏置进行校准,量程可通过命令选择 3 个加速度范围(2g/4g/8g)。其功能概要如图 1.1 所示。 图 1.1 简化加速度计功能框图 1.2 M M A7455 的主要特性指标  数字输出(带有 I2C/SPI 总线)  3mm x 5mm x 1mm LGA-14 封装  低电流消耗  Z 轴向自我检测  低工作电压 2.4 V – 3.6 V  用户配置偏移校准寄存器  可编程阈值中断输出  运动识别水平检测(冲击,震荡,自由落体)  单脉冲和双脉冲识别的脉冲检测  灵敏度(64 LSB/g @ 2g and @ 8g in 10-Bit Mode)  可选灵敏度±2g, ±4g, ±8g  结构坚固,高抗冲击性(5000g)  通过 ROHS 认证  环保,廉价 2 外部数字接口 2.1 M M A7455 引脚说明 MMA7455 包括 14 个引脚,,够同时测量 X / Y /Z3 个轴的加速度,它支持 SP I/ I2C 总线,通过引脚 CS 进行选择。各引脚具体功能如表 2.1.1 所示,其引脚排列如图 2.1.2 所示。 表2.1.1 MMA7455 引脚功能表 序号 名称 描述 状态 1 DVDD_ IO 3.3V 电源输入端(数字) 输入 2 GND 地 输入 3 N/C 空引脚,不接或接地 输入 4 IADDR0 I2C 地址0 位 输入 5 GND 地 输入 6 AVDD 3.3V 电源输入端(模拟) 输入 7 CS SPI 使能(0),I2C 使能(1) 输入 8 INT1/DRDY 中断1/数据就绪 输出 9 INT2 中断2 输出 10 N/C 空引脚,不接或接地 输入 11 N/C 空引脚,不接或接地 输入 12 SDO SPI 串行数据输出 输出 13 SDA/SDI/SDO I2C 串行数据输出/SPI 串行数据输入/3 线接口串行数据输出 双向/ 输入/ 输出 14 SCL/SPC I2C 时钟信号输出/SPI 时钟信号输出 输入 图2.1.2 MMA7455 引脚图 2.2 SPI 与I2C 总线 MMA7455L 采用串行外设接口的通信,数字通信。 SPI 通信是主要用于一个主设备和一个或多个从设备之间的同步串行通信。MMA7455L 常常作为从设备操作。通常情况下,主设备是一个微控制器,它会驱动时...

1、当您付费下载文档后,您只拥有了使用权限,并不意味着购买了版权,文档只能用于自身使用,不得用于其他商业用途(如 [转卖]进行直接盈利或[编辑后售卖]进行间接盈利)。
2、本站所有内容均由合作方或网友上传,本站不对文档的完整性、权威性及其观点立场正确性做任何保证或承诺!文档内容仅供研究参考,付费前请自行鉴别。
3、如文档内容存在违规,或者侵犯商业秘密、侵犯著作权等,请点击“违规举报”。

碎片内容

确认删除?
VIP
微信客服
  • 扫码咨询
会员Q群
  • 会员专属群点击这里加入QQ群
客服邮箱
回到顶部