电脑桌面
添加小米粒文库到电脑桌面
安装后可以在桌面快捷访问

桩基技术交底资料VIP免费

桩基技术交底资料_第1页
1/8
桩基技术交底资料_第2页
2/8
桩基技术交底资料_第3页
3/8
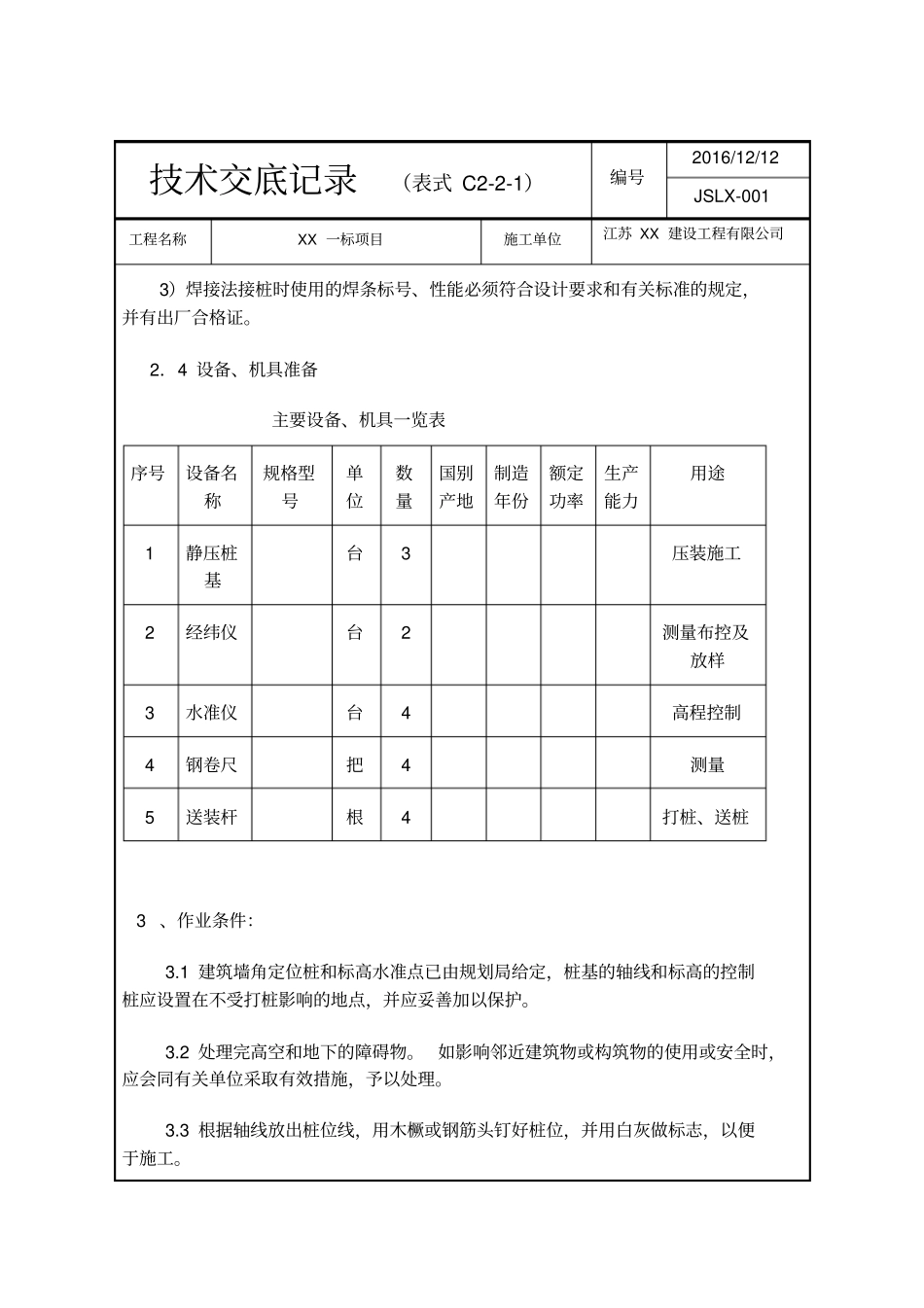
技术交底记录(表式 C2-2-1)编号2016/12/12 JSLX-001 工程名称XX 一标项目施工单位江苏 XX 建设工程有限公司交底内容:1. 作业时间安排从 2016 年 12 月 15 日起,至 2017 年 1 月 15 日止,工程设计变更, 工程量增加 10%以上;工期需顺延。 2.人员、材料、机械 2 .1 人员准备根据本工程的施工需求应配备人员:测量工、电焊工、桩基辅助工、并保证所有特殊工种均持证上岗。 2 .2 材料及主要机具 2.2.1本工程采用预制钢筋混凝土桩PHA400(95)A型桩、 PHC600(130)AB型桩、 PHC500(110)AB型桩;采用最新的预应力混凝土抗拔管桩、PHC预应力管桩图集;规格质量必须符合设计要求和施工规范规定,并有出厂合格证。 2.2.2 焊丝(接桩用):型号、性能必须符合设计要求和有关标准的规定。 2.2.3钢板(接桩用):材质、规格符合设计要求。 2.2.4主要机具有:静压桩、锤式打桩机、气体保护焊、运桩小车、索具、钢丝绳、钢垫板或槽钢等。 2 .3 材料准备1)本工程主要材料为成品预制桩,需用量见桩位平面布置图。桩材由供桩单位生产供应,现场存放3 天需用量,然后每天根据施工进度及时调运进场。上述材料均应提供产品质量保证书和出厂合格证,施工前需提交甲方或监理审查确认后,方可投入使用。2) 钢筋砼预制桩达到设计强度的100%才能压桩。技术交底记录(表式 C2-2-1)编号2016/12/12 JSLX-001 工程名称XX 一标项目施工单位江苏 XX 建设工程有限公司3)焊接法接桩时使用的焊条标号、性能必须符合设计要求和有关标准的规定,并有出厂合格证。2.4 设备、机具准备主要设备、机具一览表序号设备名称规格型号单位数量国别产地制造年份额定功率生产能力用途1 静压桩基台3 压装施工2 经纬仪台2 测量布控及放样3 水准仪台4 高程控制4 钢卷尺把4 测量5 送装杆根4 打桩、送桩 3 、作业条件:3.1 建筑墙角定位桩和标高水准点已由规划局给定,桩基的轴线和标高的控制桩应设置在不受打桩影响的地点,并应妥善加以保护。3.2 处理完高空和地下的障碍物。 如影响邻近建筑物或构筑物的使用或安全时,应会同有关单位采取有效措施,予以处理。3.3 根据轴线放出桩位线,用木橛或钢筋头钉好桩位,并用白灰做标志,以便于施工。技术交底记录(表式 C2-2-1)编号2016/12/12 JSLX-001 工程名称XX 一标项目施工单位江苏 XX 建设工程有限公司3.4 场地应碾压平整、排水畅通,保证桩基的移动和稳定垂直...

1、当您付费下载文档后,您只拥有了使用权限,并不意味着购买了版权,文档只能用于自身使用,不得用于其他商业用途(如 [转卖]进行直接盈利或[编辑后售卖]进行间接盈利)。
2、本站所有内容均由合作方或网友上传,本站不对文档的完整性、权威性及其观点立场正确性做任何保证或承诺!文档内容仅供研究参考,付费前请自行鉴别。
3、如文档内容存在违规,或者侵犯商业秘密、侵犯著作权等,请点击“违规举报”。

碎片内容

桩基技术交底资料

确认删除?
VIP
微信客服
  • 扫码咨询
会员Q群
  • 会员专属群点击这里加入QQ群
客服邮箱
回到顶部