电脑桌面
添加小米粒文库到电脑桌面
安装后可以在桌面快捷访问

桩基承台计算书VIP免费

桩基承台计算书_第1页
1/5
桩基承台计算书_第2页
2/5
桩基承台计算书_第3页
3/5
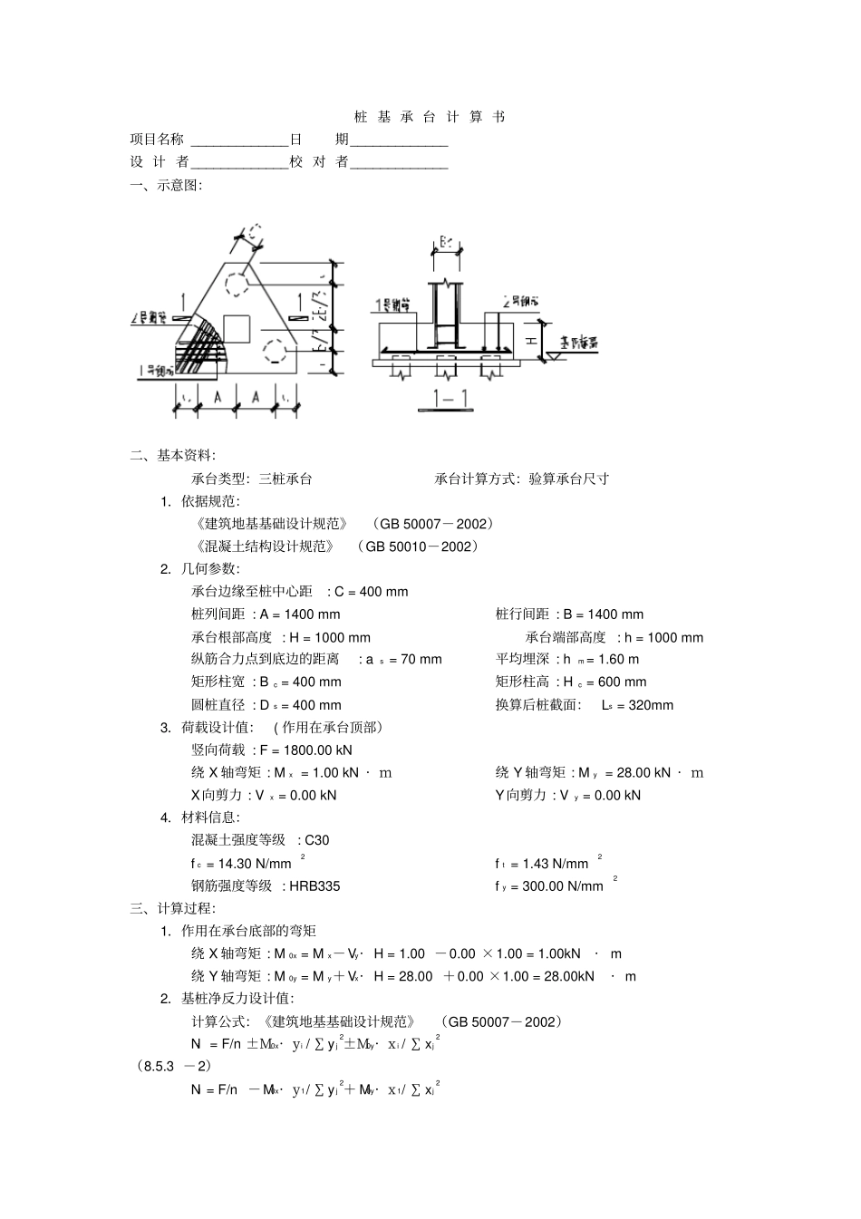
桩 基 承 台 计 算 书项目名称 _____________日期_____________ 设 计 者_____________校 对 者_____________ 一、示意图:二、基本资料:承台类型:三桩承台承台计算方式:验算承台尺寸1.依据规范:《建筑地基基础设计规范》(GB 50007-2002)《混凝土结构设计规范》 (GB 50010-2002)2.几何参数:承台边缘至桩中心距: C = 400 mm 桩列间距 : A = 1400 mm 桩行间距 : B = 1400 mm 承台根部高度 : H = 1000 mm 承台端部高度 : h = 1000 mm 纵筋合力点到底边的距离: as = 70 mm 平均埋深 : hm = 1.60 m 矩形柱宽 : B c = 400 mm 矩形柱高 : H c = 600 mm 圆桩直径 : D s = 400 mm 换算后桩截面:Ls = 320mm 3.荷载设计值:( 作用在承台顶部)竖向荷载 : F = 1800.00 kN 绕 X 轴弯矩 : M x = 1.00 kN · m绕 Y 轴弯矩 : M y = 28.00 kN · mX向剪力 : Vx = 0.00 kN Y向剪力 : Vy = 0.00 kN 4.材料信息:混凝土强度等级: C30 f c = 14.30 N/mm2f t = 1.43 N/mm2 钢筋强度等级 : HRB335 f y = 300.00 N/mm2 三、计算过程:1.作用在承台底部的弯矩绕 X 轴弯矩 : M 0x = M x-Vy· H = 1.00 -0.00 ×1.00 = 1.00kN·m 绕 Y 轴弯矩 : M 0y = M y+Vx· H = 28.00 +0.00 ×1.00 = 28.00kN· m 2.基桩净反力设计值:计算公式:《建筑地基基础设计规范》(GB 50007-2002)Ni= F/n ±M0x· yi / ∑y j2±M0y· x i / ∑ xj2(8.5.3 -2)N1 = F/n -M0x· y1/ ∑y j2+ M0y· x 1/ ∑ xj2 = 1800.00/3-1.00 × 0.93/1.31+28.00 ×0.00/3.92 = 599.29 kN N2 = F/n -M0x· y2/ ∑y j2+ M0y· x 2/ ∑ xj2 = 1800.00/3-1.00 × (-0.47)/1.31+ 28.00 ×(-1.40)/3.92 = 590.36 kN N3 = F/n -M0x· y3/ ∑y j2+ M0y· x 3/ ∑ xj2 = 1800.00/3-1.00 × (-0.47)/1.31+ 28.00 ×1.40/3.92 = 610.36 kN 3.承台受柱冲切验算:计算公式:《建筑地基基础设计规范》(GB 50007-2002)Fl≤ 2[ β0x· (b c+a0y) + β0y· (h c+a0x)] ·βhp· f t· h0(8.5.17 -1)自柱边到最近桩边的水平距离:a0 = 0.11 m 最不利一侧冲切面计算长度:bm = 3.60 m 作用于...

1、当您付费下载文档后,您只拥有了使用权限,并不意味着购买了版权,文档只能用于自身使用,不得用于其他商业用途(如 [转卖]进行直接盈利或[编辑后售卖]进行间接盈利)。
2、本站所有内容均由合作方或网友上传,本站不对文档的完整性、权威性及其观点立场正确性做任何保证或承诺!文档内容仅供研究参考,付费前请自行鉴别。
3、如文档内容存在违规,或者侵犯商业秘密、侵犯著作权等,请点击“违规举报”。

碎片内容

桩基承台计算书

爱的疯狂+ 关注
实名认证
内容提供者

该用户很懒,什么也没介绍

确认删除?
VIP
微信客服
  • 扫码咨询
会员Q群
  • 会员专属群点击这里加入QQ群
客服邮箱
回到顶部