电脑桌面
添加小米粒文库到电脑桌面
安装后可以在桌面快捷访问

梯形沟钢筋绑扎技术交底VIP免费

梯形沟钢筋绑扎技术交底_第1页
1/4
梯形沟钢筋绑扎技术交底_第2页
2/4
梯形沟钢筋绑扎技术交底_第3页
3/4
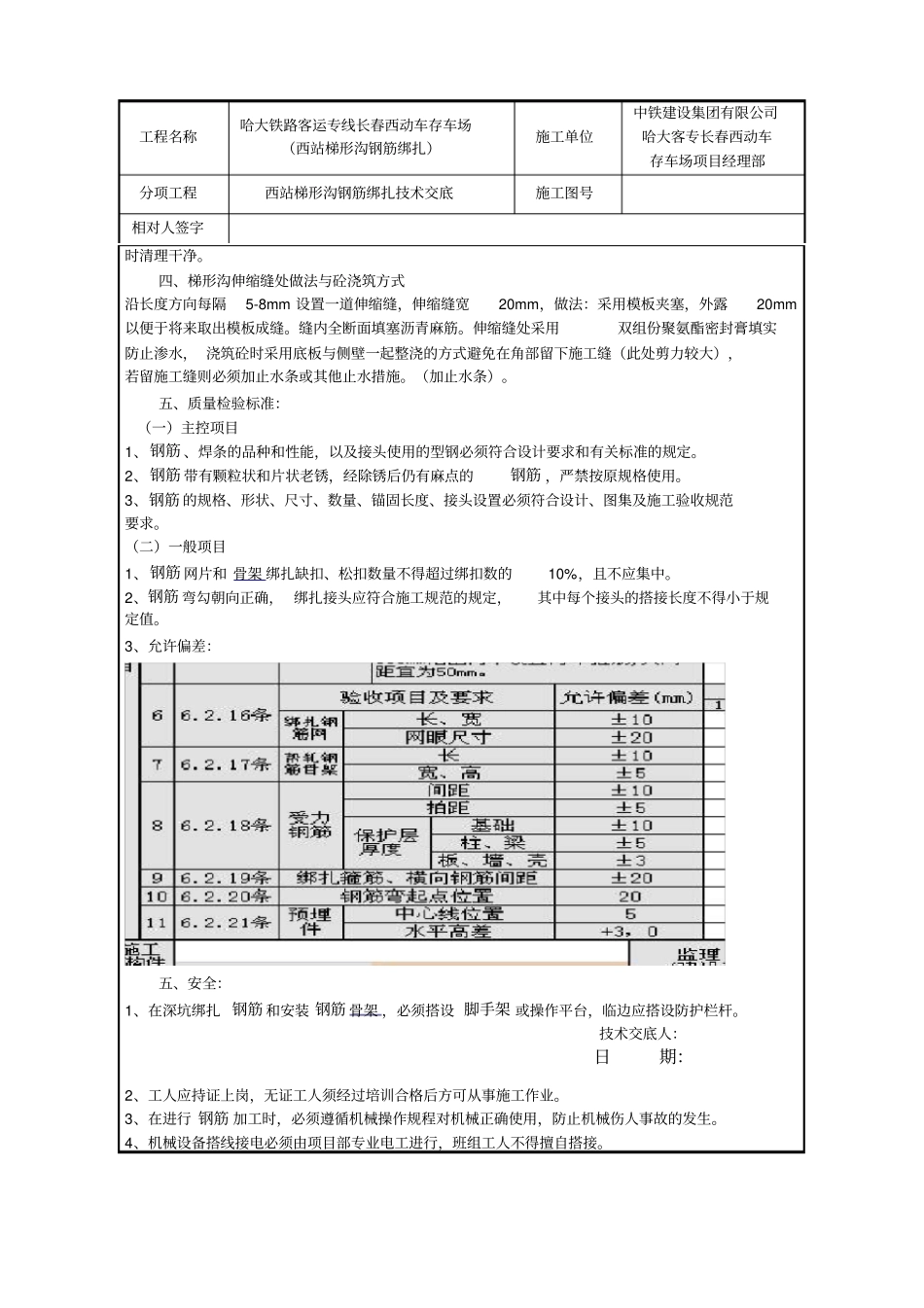
工程名称哈大铁路客运专线长春西动车存车场(西站梯形沟钢筋绑扎)施工单位中铁建设集团有限公司哈大客专长春西动车存车场项目经理部分项工程西站梯形沟钢筋绑扎技术交底施工图号相对人签字交底内容一、施工准备:1、根据施工图纸、图纸会审及规范要求,做出配筋单,由班组提前提出各种规格、级别的钢筋原材计划,由项目技术主管审核确认后,交项目材料部门组织分批进场。2、钢筋 进场后及时按试验规定取样进行力学性能复试,复试合格后方可加工使用。3、施工机具准备:断钢机、弯钢机、对焊机、电焊机、电渣压力焊机具及直螺纹机械连接套丝机 具 等 安 装 就 位 , 检 查 机 械 设 备 是 否 完 好 。 并 在 机 械 设 备 旁 悬 挂 设 备 操 作 规 程 牌二、 钢筋 调直及加工:1、本工程Ⅰ级 钢筋 调直机进行调直。2、钢筋 切断:切断机可切割直径小于40mm 的 钢筋 ,按照审核后的配筋单进行切断。切断时要保证刀片与冲击刀片刀口的距离,直径 <20mm 的钢筋 宜重叠 1-2mm,以保证 钢筋 的下料长度。本工程Ⅰ级 钢筋 及机械连接 钢筋 采用砂轮切割机进行切割,其他钢筋 采用切断机进行切断。3、钢筋 的弯曲成型:将切割好的 钢筋 按照配筋梯形沟号、分区、分部位、分规格进行弯曲成型。Ⅰ级钢筋 采用人工操作摇手扳子进行钢筋 成型, Ⅰ级 钢筋 末端做成 180° 弯钩时, 其圆弧弯曲直径不小于钢筋 直径的 2.5 倍且不应小于受力钢筋 的直径,平直长度≥3d;Ⅰ级 箍筋 的末端弯钩为135 度,平直长度为 10d;Ⅱ级 钢筋 采用 钢筋 弯曲成型机进行弯曲成型。4、钢筋 的连接:所有钢筋均为采用绑扎搭接,搭接长度及接头位置必须满足GB50204-2002 及 03G101 图集要求。三、 钢筋 绑扎:1)作业条件a. 沟底已做夯实处理,基底承载力不小于0.12MP,沟底已铺设一层600g/m2的复合土工膜防止渗漏 b. 轴 线、基底标高已弹好并经过预检验收。2)钢筋绑扎(1) 板受力 钢筋 采用搭接,搭接长度按标准图集要求进行施工,在搭接区段内接头允许百分率受拉区< 25%,受压区< 50% (2) 板底模验收合格后,开始进行板与斜壁钢筋绑扎。在模板上弹出板下层筋分格线,先铺主筋再铺分布筋并垫塑料垫块,垫块垫在纵横底筋,垫块间距 800mm 梅花形垫放,待水电预留线管安装验收完毕后,最后绑扎上层筋(3) 绑扎钢筋时,用八字扣,板边两行钢筋相交点均需满扎,当板筋为双层双向钢...

1、当您付费下载文档后,您只拥有了使用权限,并不意味着购买了版权,文档只能用于自身使用,不得用于其他商业用途(如 [转卖]进行直接盈利或[编辑后售卖]进行间接盈利)。
2、本站所有内容均由合作方或网友上传,本站不对文档的完整性、权威性及其观点立场正确性做任何保证或承诺!文档内容仅供研究参考,付费前请自行鉴别。
3、如文档内容存在违规,或者侵犯商业秘密、侵犯著作权等,请点击“违规举报”。

碎片内容

梯形沟钢筋绑扎技术交底

确认删除?
VIP
微信客服
  • 扫码咨询
会员Q群
  • 会员专属群点击这里加入QQ群
客服邮箱
回到顶部